RETURN TO SUZUKI'S HOME PAGE
診療放射線技師国家試験のページに戻る。

平成10年3月5日(1998.03.05)

第50回診療放射線技師国家試験問題

午前午後

午前:放射化学放射線機器工学放射線写真学放射性同位元素検査技術学放射線治療技術学基礎医学大要

午後:放射線生物学放射線物理学電気電子工学画像工学エックス線撮影技術学放射線計測学放射線管理学


Last modified Wed.,10-March-96
 なお、これは、完全版ではありません。解答につきましても、どうしても必要な方のみ鈴木昇一まで所属等はっきり示されて連絡ください。。ただし、解答は藤田保健衛生大学としてではなく、あくまでも鈴木の責任で行います。解答の責任は持ちかねます。ご了承願います。

第50回 放射線技師国家試験問題,午前



放射線技師国家試験問題,午前

放射化学,最初に戻る

問題1. 安定同位元素が存在しないのはどれか。
a. Xe(キセノン)
b. Tc(テクネシウム)
c. Th(トリウム)
d. U(ウラン)
e. Pb(鉛)
1. a,b,c  2. a,b,e  3. a,d,e  4. b,c,d  5. c,d,e

問題 2. 壊変後に原子番号が大きくなるのはどれか。
1. α崩壊
2. β-崩壊
3. β+崩壊
4. 電子捕獲
5. 核異性体転移

問題 3. 核反応で正しいのはどれか。
a. 15N(p, n)15O
b. 18O(p, n)18F
c. 27Al(n, γ)28Ca(n, α)37Ar
1. a,b,c  2. a,b,e  3. a,d,e  4. b,c,d  5. c,d,e

問題 4. 91Y 50MBq が毎秒放出する光子数はいくつか。
ただし、壊変形式は図に示すとおりとする。


1. 5.0×10^7
2. 1.85×10^6
3. 5.0×10^5
4. 1.85×10^5
5. 2.0×10^4







問題 5. 壊変定数(λ)だけで求められるのはどれか。
a. 物理的半減期
b. 生物学的半減期
c. 有効半減期
d. 壊変原子数
e. 平均寿命
1. a,b  2. a,e  3. b,c  4. c,d  5. d,e

問題 6. 放射壊変について正しいのはどれか。
1. 放射平衡成立には親核種より娘核種の半減期が長いことが条件となる。
2. 放射壊変後の娘核種は安定同位体である。
3. ミルキングが可能となるには親核種または娘核種の一方が気体の必要がある。
4. ミルキング後、再び放射平衡に達する時間はどの核種も1時間以内である。
5. 永続平衡の平衡状態では親核種と娘核種との放射能は等しい。

問題 7. サイクロトロン生産核種はどれか。
a. 18F
b. 51Cr
c. 60Co
d. 123I
e. 201Tl
1. a,b,c  2. a,b,e  3. a,d,e  4. b,c,d  5. c,d,e

問題 8. 不要な放射性同位元素を沈殿させるのはどれか。
1. 同位体担体
2. 非同位体担体
3. 保持担体
4. スカベンジャ
5. 捕集剤

問題 9. 関連のある組合せはどれか。
a. イオン交換法 ――― 担体
b. 溶媒抽出法 ――― アンモニア
c. ペーパークロマトグラフ法 ――― 展開液
d. ホットアトム法 ――― 反跳原子
e. ろ紙電気泳動法 ――― 電解液
1. a,b,c  2. a,b,e  3. a,d,e  4. b,c,d  5. c,d,e

問題 10. 誤っている組合せはどれか。
1. 吸収線量 ――― rem
2. 照射線量 ――― C・kg-1
3. 実行線量 ――― Sv
4. カーマ ――― Gy
5. 放射能 ――― Bq

放射線機器工学,最初に戻る

問題 11. 診断用エックス線装置について正しいのはどれか。
1. 空間電荷補償回路は管電流が変化しても管電圧が一定になるように補償する。
2. 防電撃ケーブルが短い場合にはエックス線管電圧波形が平滑化される。
3. mA計が振り切れる原因の一つにフィラメント加熱電圧の低下がある。
4. 高電圧整流用のシリコン整流器は整流管に比べて内部抵抗が小さい。
5. 三相6ピーク整流には3個の整流器が必要である。

問題 12. 1次電圧 200V で管電圧 125kV を発生する単相全波整流装置がある(無負荷時)。管電流 500mA 通電したときの1次電流は約何Aか。
1. 111
2. 221
3. 245
4. 313
5. 347

問題 13. 診断用エックス線高電圧装置について正しいのはどれか。
1. 自己整流装置は整流器を使用する。
2. インバータ式装置は交流を高周波に変換する回路を持つ。
3. 三相12ピーク整流装置の管電圧脈動率の理論値は13.4%である。
4. コンデンサ式装置のエックス線出力は管電流時間積に比例する。
5. 単相全波整流装置の管電圧調整は単巻変圧器の1次電圧を変化させる。

問題 14. 医用エックス線管装置で正しいのはどれか。
1. エックス線強度分布は陽極側より陰極側が高い。
2. 利用ビームは焦点から直接放射されるエックス線である。
3. ターゲット角度は実効焦点と基準軸とがなす角度である。
4. フィラメント特性はフィラメント電圧と管電圧との関係を示す。
5. ブルーミング値はエックス線の実焦点の特性を表す。

問題 15. 自動露出機構で正しいのはどれか。
1. エックス線検出部の照射野の形状はフィルム濃度に影響しない。
2. フォトタイマのエックス線制御は管電圧で行う。
3. 応答時間特性は主回路開閉器の応答に左右される。
4. 管電圧特性では管電圧が高いほどフィルム濃度に影響を与える。
5. フォトタイマはエックス線による電離電流を検出する。

問題 16. インバータ式エックス線装置で誤っているのはどれか。
1. エックス線制御回路のフィードバック応答は速い。
2. パワートランジスタはスイッチング素子に使用される。
3. 方形波インバータの管電圧制御は直流電圧可変回路で行う。
4. インバータ周波数を低くすることで高電圧変圧器を小型化できる。
5. 装置の定格出力は電源容量の影響を受ける。

問題 17. イメージインテンシファイアについて正しいのはどれか。
1. 入力面の蛍光体にはGd2O2Sが用いられる
2. 可変視野管は加速電極の電流を変化させて視野を制御する。
3. 出力輝度は視野が小さいほど明るい。
4. 変換係数は入射エックス線量に対する出力輝度の比で求められる。
5. 入力視野が大きいほど解像力は高くなる。

問題 18. エックス線 TV 装置に用いられる CCD カメラで正しいのはどれか。
1. 高消費電力である。
2. 撮像管に比べて空間分解能が低い。
3. 残像が多い。
4. 経年変化が大きい。
5. 地磁気の影響を受けない。

問題 19. エックス線 CT について誤っているのはどれか。
1. μtを組織の線減弱係数、μωを水の線減弱係数、Kを定数とするとき、CT値は K・μt /μωで表される。
2. 熱容量の大きいエックス線管を必要とする。
3. 検出器には固体シンチレータや Xe 電離箱などが用いられる。
4. エックス線写真に比べてコントラスト分解能が優れている。
5. 患者の体動はアーチファクトの原因となる。

問題 20. エックス線CTについて誤っているのはどれか。
1. エックス線束にはファンビームが多く用いられている。
2. エックス線管電圧は通常60〜80kVである。
3. 検出器とエックス線管が一体となって回転する方式をローテート/ローテート方式という。
4. 画像の濃淡はCT値に対応している。
5. らせんCTではテーブルを連続移動しながらスキャンを行う。

問題 21. MRIの画質評価に関係ないのはどれか。
1. 液体ヘリウム蒸発率
2. 磁場均一性
3. スライス厚
4. コントラスト分解能
5. アーチファクト

問題 22. MRIについて誤っているのはどれか。
1. 他の条件が同じ場合、静磁場が強いほどSN比が大きい。
2. 傾斜磁場が強いほどスライス厚を薄くできる。
3. スピンエコー法では2回のRFパルス信号でエコー信号を発生させる。
4. マルチエコー法では同時にT1強調画像とT2強調画像とが得られる。
5. RFパルス印加後、傾斜磁場を反転するとエコー信号が発生する。

問題 23. MRI装置の構成でないのはどれか。
1. 液体ヘリウム槽
2. 熱交換器
3. 高周波発生RFアンプ
4. 傾斜磁場電源
5. 高電圧発生装置

問題 24. リニアック装置の照射ヘッドの構成でないのはどれか。
1. モニタ線量計
2. 偏向磁石
3. 電子銃
4. スキャタリングフォイル
5. 光学距離計

問題 25. 関係のない組合せはどれか。
1. ファン・デ・グラフ ――― 絶縁ベルト
2. ベータトロン ――― クライストロン
3. リニアアクセレータ ――― パルス変調器
4. サイクロトロン ――― イオン源
5. マイクロトロン ――― 高周波電源

問題 26. ガンマカメラの性能評価に関係のないのはどれか。
1. 空間分解能
2. 均一性
3. エネルギーウィンドウのずれ
4. 直線性
5. 実効エネルギー特性

問題 27. 誤っている組合せはどれか。
1. オートフルオロスコープ ――― ライトガイド
2. アンガー形シンチカメラ ――― モザイク形クリスタル
3. 液体シンチレーションカウンタ ――― 光電子増倍管
4. ガスフローカウンタ ――― 電離気体
5. ヒューマンカウンタ ――― 有機シンチレータ
 
問題 28. 超音波診断装置の探触子について正しいのはどれか。
a. 形状により周波数が決まる。
b. 音響レンズの材質はシリコンオイルが適する。
c. 超音波を生体内に送波する。
d. 生体内からの反射波を受波する。
e. 穿刺用のものは穿刺針を内臓している。
  1. a,b  2. a,e  3. b,c  4. c,d  5. d,e

問題 29. 眼底カメラで被検者に最も近いレンズはどれか。
1. リレーレンズ
2. フォーカシングレンズ
3. 結像レンズ
4. 接眼レンズ
5. 対物レンズ

問題 30. ベータトロンについて誤っているのはどれか。
1. エックス線と電子線との切り換えは軌道を変えて行う。
2. リリアックよりエネルギーの変更は容易である。
3. 高周波電界を用いて電子を加速する。
4. 電子の回転半径は一定である。
5. 電子線の照射時にはスキャタリングフォイルを用いる。

放射線写真学,最初に戻る

問題 31. 写真濃度について誤っているのはどれか。
1. 写真濃度とは支持体の着色濃度と黒化銀濃度との和である。
2. エックス線写真の濃度計測には拡散光濃度計が用いられる。
3. 濃度値0.3では透過光が入射光の50%になる。
4. 平行光濃度は拡散光濃度より濃度値が低い。
5. マイクロデンシトメータでの濃度計測は平行光によってなされる。

問題 32. 現像処理液の環境保全について誤っているのはどれか。
1. 処理液には少量のシアン化カリウムが含まれている。
2. 多量のエックス線フイルムを現像する場合は排水基準を厳守する。
3. 水質汚濁の内容には色・臭気・酸素量などがある。
4. 廃液処理では水質汚濁が重要な問題である。
5. 定着廃液には多量の銀が含まれているので再生活用できる。

問題 33. 画像が反転しないのはどれか。
1. アルバート効果
2. ビラール効果
3. クライデン効果
4. サバチェ効果
5. ベクレル効果

問題 34. 露光に関する写真現象はどれか。
a. 相反則不軌
b. 圧力効果
c. スタチック効果
d. 偽写真効果
e. 間欠効果
  1. a,b  2. a,e  3. b,c  4. c,d  5. d,e

問題 35. オルソ系増感紙について正しいのはどれか。
a. 比感度は実用管電圧領域では一定である。
b. エックス線吸収効率はタングステン酸カルシウム系より高い。
c. Gd2O2S:Tb の蛍光体を使う。
d. 蛍光体粒子の径は100μmである。
e. 発光スペクトルは600〜700nmである。
1. a,b  2. a,e  3. b,c  4. c,d  5. d,e

放射性同位元素検査技術学,最初に戻る

問題 36. ガンマカメラの固有分解能に影響しないのはどれか。
1. ガンマ線のシンチレータ内での多重散乱。
2. シンチレータ内の発光点の深さの相違
3. シンチレータの経年変化による劣化
4. 使用したコリメータの形状
5. 光電子増倍管からの出力電流の変動

問題 37. コリメータについて正しいのはどれか。
a. 総合分解能に影響を与える。
b. 使用した核種のエネルギーに対応させる。
c. 計数率が低い場合は高分解能型を使用する。
d. 131Iには低エネルギー汎用型を用いる。
e. 隔壁の材質に鉛が用いられる。
1. a,b,c  2. a,b,e  3. a,d,e  4. b,c,d  5. c,d,e

問題 38. 中エネルギー用コリメータの使用が必要な核種はどれか。
a. 201Tl
b. 133Xe
c. 99mTc
d. 111In
e. 67Ga
1. a,b  2. a,e  3. b,c  4. c,d  5. d,e

問題 39. 半値幅について正しいのはどれか。
1. 半値幅は1/10幅より大きくなる。
2. 散乱体を付加すると小さくなる。
3. 線広がり関数は半値幅の1/10以下の間隔で求める。
4. 総合分解能より固有分解能の方が大きい。
5. 半値幅を求めるとき線広がり関数の計数値は関係しない。

問題 40. 画像の平滑化処理について正しいのはどれか。
a. 画素間のデータの補正を行う。
b. 低周波画像ノイズの除去を行う。
c. 処理により画像の統計変動が大きくなる。
d. 処理を行うごとに画像の分解能が向上する。
e. 経時的に連続収集した画像間の補正を行う。
  1. a,b,c  2. a,b,e  3. a,d,e  4. b,c,d  5. c,d,e

問題 41. SPECTの画像処理について正しい組合せはどれか。
1. 投影画像のノイズの除去 ――― 前処理フィルタ
2. 高周波画像ノイズの除去 ――― 高周波通過型フィルタ
3. 使用した核種の半減期補正 ――― チェスラー・フィルタ
4. 画像再構成用フィルタ ――― バターワース・フィルタ
5. 低周波画像ノイズの除去 ――― ラマチャンドラ・フィルタ

問題 42. SPECTと比較したPETの特徴はどれか。
a. コリメータが不要である。
b. 吸収補正が容易である。
c. バックグラウンドが多い。
d. 検出感度が低い。
e. 定量性がよい。
  1. a,b,c  2. a,b,e  3. a,d,e  4. b,c,d  5. c,d,e

問題 43. 放射性薬剤投与直後から撮像開始するのはどれか。
a. RIアンギオグラフィ
b. 心筋血流シンチグラフィ
c. 平衡時法
d. ファーストパス法
e. レノグラフィ
  1. a,b,c  2. a,b,e  3. a,d,e  4. b,c,d  5. c,d,e

問題 44. 投与後24時間以降に撮像されるのはどれか。
a. 201Tl‐塩化タリウムによる腫瘍シンチグラフィ
b. 201Tl‐塩化タリウムによる心筋血流シンチグラフィ
c. 111In‐塩化インジウムによる骨髄シンチグラフィ
d. 67Ga‐クエン酸ガリウムによる腫瘍シンチグラフィ
e. 133Xeガスによる肺換気シンチグラフィ
  1. a,b  2. a,e  3. b,c  4. c,d  5. d,e

問題 45. 99mTc‐MAAの集積機序はどれか。
1. 能動輸送
2. 受動拡散
3. 生合成
4. 貪食能
5. 微小塞栓

問題 46. 静脈注射後、糞便中に多く排出されるのはどれか。
a. 67Ga‐クエン酸ガリウム
b. 99mTc‐PMT
c. 131I‐馬尿酸ナトリウム
d. 99mTc‐MAA
e. 99mTc‐フチン酸
  1. a,b  2. a,e  3. b,c  4. c,d  5. d,e

問題 47. 核医学検査の前処置で正しい組合せはどれか。
a. ヨード制限食 ――― 甲状腺ヨードシンチグラフィ
b. ヨード剤投与 ――― 副腎皮質シンチグラフィ
c. 下剤投与 ――― 肝シンチグラフィ
d. 水分制限 ――― 腎シンチグラフィ
e. 絶食 ――― 心筋血流シンチグラフィ
1. a,b,c  2. a,b,e  3. a,d,e  4. b,c,d  5. c,d,e

問題 48. 負荷検査で誤っている組合せはどれか。
1. 脳血流シンチグラフィ ――― アセタゾラミド(ダイアモックス)
2. 唾液腺シンチグラフィ ――― レモン
3. 甲状腺シンチグラフィ ――― デキサメタゾン(デキサメサゾン)
4. 心筋血流シンチグラフィ ――― ジピリダモール(ペルサンチン)
5. レノグラフィ ――― フロセミド(ラシックス)

問題 49. 病変部が陰性像となる組合せはどれか。
a. 脳腫瘍 ――― 201TlCl
b. 肺塞栓症 ――― 99mTc‐MAA
c. 心筋梗塞 ――― 99mTc‐MIBI
d. 肝癌 ―――  99mTc‐フチン酸
e. 転移性骨腫瘍 ―――  99mTc‐MDP
  1. a,b,c  2. a,b,e  3. a,d,e  4. b,c,d  5. c,d,e

問題 50. 誤っている組合せはどれか。
1. 123I‐BMIPP ――― 心筋脂肪酸代謝
2. 131I‐MIBG ――― 副腎髄質
3. 123I‐IMP ――― 心筋交感神経機能
4. 131I‐ヨウ化メチルノルコレステノール(アドステロール) ―――副腎皮質
5. 131I‐馬尿酸ナトリウム ――― 腎機能

問題 51. 脳血流シンチグラフィに用いるのはどれか。
a. 99mTc‐DMSA
b. 99mTc‐DTPA
c. 99mTc‐GAS
d. 99mTc‐ECD
e. 99mTc‐HMPAO
  1. a,b  2. a,e  3. b,c  4. c,d  5. d,e

問題 52. 99mTcO4−による甲状腺シンチグラフィについて正しいのはどれか。
a. カプセルの経口投与で行う。
b. ヨード制限食は不要である。
c. バセドウ病では集積が増加する。
d. 投与20〜30分後に撮像する。
e. 24時間摂取率も測定する。
  1. a,b,c  2. a,b,e  3. a,d,e  4. b,c,d  5. c,d,e

問題 53. 図のレノグラムパターンのうちで正常はどれか。


1. a
2. b
3. c
4. d
5. e






問題 54. 骨シンチグラフィについて正しいのはどれか。
a. 骨表面に化学的に吸着される放射性医薬品を用いる。
b. 転移性骨腫瘍を早期に診断することが出来る。
c. 放射性医薬品の投与から約3時間後に撮像する。
d. 骨盤部を撮像するときには排尿を我慢させる。
e. 骨折では集積が減少して陰性像を示す。
  1. a,b,c  2. a,b,e  3. a,d,e  4. b,c,d  5. c,d,e

問題 55. 腫瘍マーカーはどれか。
a. TSH
b. PTH
c. SCC
d. CEA
e. AFP
  1. a,b,c  2. a,b,e  3. a,d,e  4. b,c,d  5. c,d,e

放射線治療技術学,最初に戻る

問題 56. 高線量率小線源治療に用いられる核種はどれか。
a. 60Co
b. 192Ir
c. 198Au
d. 222Rn
e. 226Ra
  1. a,b  2. a,e  3. b,c  4. c,d  5. d,e

問題 57. 耐容線量がもっとも低い器官はどれか。
1. 口腔粘膜
2. 甲状軟骨
3. 網膜
4. 中耳
5. 脊髄

問題 58. 放射線治療で小さい照射野が用いられるのはどれか。
a. ホジキン病
b. 咽頭癌
c. 下垂体腫瘍
d. 子宮癌
e. 精上皮腫
  1. a,b  2. a,e  3. b,c  4. c,d  5. d,e

問題 59. 組織内照射について正しいのはどれか。
a. 外照射より全身的影響は少ない。
b. 均一な線量分布が得られる。
c. 適応疾患が多い。
d. 治療体積と照射体積との比が小さい。
e. 治療日数が短い。
  1. a,b,c  2. a,b,e  3. a,d,e  4. b,c,d  5. c,d,e

問題 60. 回転照射が選択される疾患はどれか。
a. 上顎癌
b. 下垂体腺腫
c. 食道癌
d. 前立腺癌
e. 悪性リンパ腫
  1. a,b,c  2. a,b,e  3. a,d,e  4. b,c,d  5. c,d,e

問題 61. 乳癌の原発巣治療に用いる照射法はどれか。
a. 組織内照射
b. 接線照射
c. 4門照射
d. 回転照射
e. 腔内照射
  1. a,b  2. a,e  3. b,c  4. c,d  5. d,e

問題 62. 疾患とその照射法との組合せで正しいのはどれか。
1. 咽頭癌 ――― 前後対向2門照射
2. 上顎癌 ――― 組織内照射
3. 中咽頭癌 ――― 腔内照射
4. 甲状腺癌 ――― 回転照射
5. 聴神経腫瘍 ――― ラジオサージャリ

問題 63. 根治的放射線治療の適応となる疾患はどれか。
1. 平滑筋肉腫
2. 骨肉腫
3. 腎癌
4. 子宮頚癌
5. 胃癌

問題 64. TNM分類について正しいのはどれか。
1. 組織像による分類
2. 放射線感受性による分類
3. 細胞の分化度分類
4. 腫瘍の悪性度分類
5. 腫瘍の進行度分類

問題 65. 腔内照射と外部照射とを併用したときの線量分布計画において必要がないのはどれか。
1. 両者を行う際の臓器の位置の変化に注意する。
2. 両者の線質の違いに注意する。
3. 線量分布計算の原点の位置を明確にする。
4. 両者による吸収線量を等しくするようにする。
5. 両者の線量分布の重ね合わせは3次元的に行う。

問題 66. 放射線治療のQA(Quality Assurance)で誤っているのはどれか。
1. 小線源治療における線原位置の計算精度を保つ。
2. 超高圧エックス線照射ではアイソセンタの位置再現性を保つ。
3. 超高圧電子線照射では線源寸法を小さくするよう努力する。
4. 外部照射では出力線量の校正を定期的に行う。
5. リニアックのマグネトロン交換時にはエックス線エネルギー再現性を保つ。

問題 67. コンピュータを用いた線量分布計画で誤っているのはどれか。
1. 線量分布計算にはCT値を用いて不均質補正する。
2. 当線量曲線はCT画像に重ねあわせて表示する。
3. 計算アルゴリズムの特徴を把握したうえで計画する。
4. 線量分布の測定結果を正確に反映させる。
5. CT撮影は線量分布計画を立てた後に行う。

問題 68. 治療装置の照準器具でないのはどれか。
1. フロントポインタ
2. サイラトロン
3. サイドポインタ
4. バックポインタ
5. 光学距離計

問題 69. 治療用エックス線位置決め装置で正しいのはどれか。
a. 照射野は治療装置の照射野に一致する。
b. 任意の角度でエックス線撮影ができる。
c. エックス線焦点の寸法は治療装置と同じである。
d. 寝台は消化器撮影テーブルと同じ規格である。
e. 照射野はリニアックグラフィで再確認する。
  1. a,b,c  2. a,b,e  3. a,d,e  4. b,c,d  5. c,d,e

問題 70. テレコバルト治療装置について正しいのはどれか。
1. 線源の形状はコイン形が主流である。
2. 線源の大きさは直径5cmである。
3. 60Coはβ線とγ線との放出核種である。
4. γ線エネルギーは1.25MeVで単一である。
5. 線量率は不安定であり補正が困難である。

問題 71. 深さに依存しないのはどれか。
1. Cλ
2. CE
3. TPR
4. TAR
5. PDD

問題 72. PDDの測定に不向きなのはどれか。
1. 水ファントム
2. テフロン
3. Mix DP
4. ポリスチレン
5. アクリル

問題 73. 電子線治療に関係のないのはどれか。
1. スキャタリングフォイル
2. 照射筒
3. 側視鏡
4. 原体照射
5. 術中照射

問題 74. 下図のように断面がトラック状で密度1.0のファントム中の点Pに吸収線量2Gyを照射したい。第1門は上方より、第2門は側面より照射野4cm×4cmで照射するとき第1門でリニアックにセットすべき線量はいくらか。
ただし、4MVリニアックを用いるものとし、この照射野におけるTPRを深さ8cmと6cmではそれぞれ0.73と0.80とする。

1. 1.25
2. 1.37
3. 1.46
4. 1.60
5. 4.74








問題 75. 厚さ18cmの腹部の中心にある病巣に対して6MVエックス線を前後対向2門で照射したい。病巣線量2Gy照射する場合、1門あたりの照射時間は何分か。
ただし、STD 100cmにおける照射野10cm×10cmでのピーク深の線量率は2Gy/分、深さ9cmのTPRを0.82とする。
1. 0.6
2. 0.8
3. 1.0
4. 1.2
5. 2.0

要基礎医学大要,最初に戻る

問題 76. 代謝性疾患はどれか。
1. 血友病
2. 糖尿病
3. 結核
4. 気管支喘息
5. 肺癌

問題 77. ウイルス性疾患はどれか。
a. レジオネラ肺炎
b. カリニ肺炎
c. AIDS
d. B型肝炎
e. 梅毒
  1. a,b  2. a,e  3. b,c  4. c,d  5. d,e

問題 78. 女性で近年増加が著しいのはどれか。
a. 乳癌
b. 大腸癌
c. 胃癌
d. 子宮頚癌
e. 腎癌
  1. a,b  2. a,e  3. b,c  4. c,d  5. d,e

問題 79. 悪性腫瘍はどれか。
a. 大腸腺腫
b. 卵巣嚢腫
c. 線維腫
d. ウィルムス腫瘍
e. 神経膠芽腫
  1. a,b  2. a,e  3. b,c  4. c,d  5. d,e

問題 80. 血液を介して感染するのはどれか。
a. C型肝炎
b. 急性膵炎
c. 急性虫垂炎
d. AIDS
e. 梅毒
1. a,b,c  2. a,b,e  3. a,d,e  4. b,c,d  5. c,d,e

問題 81. 内耳の構造物はどれか。
1. 鼓膜
2. 乳突蜂巣
3. 蝸牛
4. 耳小骨
5. 耳介

問題 82. 後頭蓋窩にあるのはどれか。
a. 松果体
b. 小脳
c. 延髄
d. 第4脳室
e. 視床
1. a,b,c  2. a,b,e  3. a,d,e  4. b,c,d  5. c,d,e

問題 83. 頸椎の数はいくつか。
1. 5
2. 6
3. 7
4. 8
5. 12

問題 84. 胸椎と関係ないのはどれか。
1. 棘突起
2. 横突起
3. 椎弓
4. 歯突起
5. 椎孔

問題 85. 後腹膜腔にある臓器はどれか。
a. 副腎
b. 膵
c. 脾
d. 横行結腸
e. 空腸
1. a,b  2. a,e  3. b,c  4. c,d  5. d,e

問題 86. 胸部エックス線正面像で正しいのはどれか。
a. 左の肺門は右の肺門より高い位置にある。
b. 気管の壁が描出されるのは左側である。
c. 横隔膜より下に血管影は見えない。
d. 心陰影の後ろに血管影は見えない。
e. 肺の一部は胸椎に重なって見える。
1. a,b  2. a,e  3. b,c  4. c,d  5. d,e

問題 87. 腹部エックス線単純写真で腎輪郭の描出に最も寄与するのはどれか。
1. 尿
2. ガス
3. 血液
4. 筋肉
5. 脂肪

問題 88. 造影剤を肘静脈から注入したとき、肺動脈が造影される前に造影されるのはどれか。
a. 左室
b. 右室
c. 上大静脈
d. 左房
e. 大動脈
1. a,b  2. a,e  3. b,c  4. c,d  5. d,e

問題 89. 誤っているのはどれか。
1. 肝静脈は門脈に流入する。
2. 三尖弁は右心房と右心室との間にある。
3. 胃と食道との境は噴門部と呼ばれる。
4. メッケル憩室は小腸にできる。
5. 肝臓は肝動脈と門脈とで栄養される。

問題 90. 球関節はどれか。
a. 肩関節
b. 仙腸関節
c. 椎間関節
d. 胸肋関節
e. 股関節
1. a,b  2. a,e  3. b,c  4. c,d  5. d,e

問題 91. 下肢の筋はどれか。
1. 梨状筋
2. 斜角筋
3. 前鋸筋
4. 僧帽筋
5. 三角筋

問題 92. 疾患とその合併症との組合せで誤っているのはどれか。
1. 肝硬変 ――― 食道静脈瘤
2. 肺線維症 ――― 肺性心
3. 腎不全 ――― 尿毒症
4. 下垂体腺腫 ――― 末端肥大症
5. 甲状腺機能亢進症 ――― 粘液水腫

問題 93. 動脈塞栓術の対象となるのはどれか。
a. 転移性脳腫瘍
b. 膵癌
c. 肝細胞癌
d. 骨盤骨折にともなう出血
e. 心筋梗塞
  1. a,b  2. a,e  3. b,c  4. c,d  5. d,e

問題 94. MRIのT1強調画像で最も信号強度が高いのはどれか。
1. 胸腺
2. 肺
3. 大動脈
4. 髄液
5. 皮下脂肪層

問題 95. 病変側の横隔膜が挙上するのはどれか。
a. 気管支異物
b. 胸水貯留
c. 無気肺
d. 横隔膜神経麻痺
e. 肺気腫
  1. a,b  2. a,e  3. b,c  4. c,d  5. d,e


第50回 放射線技師国家試験,午後


午前に戻る。
放射線生物学、最初に戻る
問題 1. 放射線荷重計数(WR)で正しいのはどれか。
a. 電子:1
b. 陽子(>2MeV):10
c. 光子:5
d. 中性子(0.1〜2MeV):20
e. 中性子(2〜20MeV):10
  1. a,b,c  2. a,b,e  3. a,d,e  4. b,c,d  5. c,d,e

問題 2. 生物学的効果と関係ないのはどれか。
1. PLD
2. SLD
3. TDF
4. RBE
5. TPR

問題 3. RBEの小さい放射線はどれか。
a. α線
b. β線
c. γ線
d. 陽子線
e. 重イオン線
  1. a,b,c  2. a,b,e  3. a,d,e  4. b,c,d  5. c,d,e

問題 4. 放射線による細胞死について正しいのはどれか。
a. 線量に依存する。
b. 線質によって変化する。
c. G0期は感受性が低い。
d. アポ トーシスはみられない。
e. 低分化型細胞は感受性が低い。
  1. a,b,c  2. a,b,e  3. a,d,e  4. b,c,d  5. c,d,e

問題 5. 放射線感受性について正しいのはどれか。
1. 分裂期の細胞は感受性が低い。
2. 正常細胞は感受性が低い。
3. 増殖のはやい腫瘍は感受性が低い。
4. 低酸素下では感受性が低い。
5. 抗癌剤の併用は感受性に影響しない。

問題 6. 高LET放射線について正しいのはどれか。
a. RBEが小さい。
b. 細胞周期に依存する感受性の差が大きい。
c. 放射線損傷からの回復が大きい。
d. 低酸素細胞に有効である。
e. 速中性子線は高LETである。
  1. a,b  2. a,e  3. b,c  4. c,d  5. d,e

問題 7. 放射線治療後の晩発反応はどれか。
a. 萎縮膀胱
b. 食道狭窄
c. 悪性貧血
d. 胃ポリープ
e. 水頭症
  1. a,b  2. a,e  3. b,c  4. c,d  5. d,e

問題 8. 血液照射で正しいのはどれか。
a. 輸血の拒否反応を押さえる。
b. 線量は15〜30Gyである。
c. 輸血血液中のリンパ球を破壊する。
d. GVHD(移植片対宿主病)を予防する。
e. GVHD(移植片対宿主病)が発症しても死亡しない。
  1. a,b,c  2. a,b,e  3. a,d,e  4. b,c,d  5. c,d,e

問題 9. 患者の被爆線量が最も多いのはどれか。
1. エックス線CT
2. 経皮経管冠動脈拡張術(PTCA)
3. 上部消化管造影
4. 骨シンチグラフィ
5. 経静脈性腎盂造影

問題 10. 放射線の人体への影響について正しいのはどれか。
a. 確定的影響ではしきい値がある。
b. 白内障の発症は確定的である。
c. 遺伝的影響は確率的である。
d. 防護では距離を大きくすることよりも時間を減らす方がよい。
e. 一般人の線量限度は職業人と同じである。
  1. a,b,c  2. a,b,e  3. a,d,e  4. b,c,d  5. c,d,e

放射線物理学、最初に戻る

問題 11. 誤っている組合せはどれか
1. モーズレーの法則 ――― 制動エックス線
2. ド・ブローイ波 ――― 物質波
3. トンネル効果 ――― α線
4. プランクの量子仮説 ――― 黒体輻射
5. ボーアの模型 ――― 水素原子

問題 12. 運動中の電子の質量が静止質量の3倍のとき、電子の速さは真空中の光の速さの約何倍か。
1. 0.09
2. 0.67
3. 0.89
4. 0.94
5. 1.06

問題 13. 振動数が2.43×10^21(s^-1)の光子のエネルギーは何MeVか。
ただし、プランク定数は6.6×10^-34(J・s)とする。
1. 1.0
2. 1.6
3. 10
4. 16
5. 25

問題 14. 元素の化学的安定性と最も関係のあるのはどれか。
1. 中性子数
2. 最外殻の電子数
3. 質量数
4. 質量数と電子数との和
5. 光子数

問題 15. 90Srは半減期29年で90Yに壊変し、また90Yは半減期64時間で90Zrに壊変する。
はじめに90Srが10^1010Bqあったとすれば58年後における90Yの放射能は何Bqか。
1. 1.25×10^10
2. 0.75×10^10
3. 0.50×10^10
4. 0.25×10^10
5. 0.10×10^10

問題 16. 正しいのはどれか。
1. β壊変のとき原子核からはニュートリノが放出される。
2. 電子の静止エネルギーは0.001MeVである。
3. コンプトン散乱によって放出される2次電子の最大エネルギーは
入射光子のエネルギーに等しい。
4. 中性子はβ+壊変で陽子に変わる。
5. 陽子は同じエネルギーのα粒子に比べてLETが大きい。

問題 17. 光子と物質との相互作用について誤っているのはどれか。
1. 光電効果は光電子と特性エックス線の放出を伴う。
2. 1MeVのγ線と生体との相互作用のうち、主なものはコンプトン散乱である。
3. 電子対生成は光子のエネルギーが1.02MeV以上で起こる。
4. 線減弱係数は光子が単位長さの物質を通過するとき、その物質との相互作用を起こす確率である。
5. 質量エネルギー吸収係数と質量エネルギー転移係数とは等しい。

問題 18. コンプトン散乱について正しいのはどれか。
1. 散乱光子の中には入射光子の振動数より大きいものが含まれる。
2. 入射光子のエネルギーが大きいほど反跳電子のエネルギーも相対的に大きい。
3. 散乱光子と入射光子の進行方向が近くなるほど反跳電子のエネルギーも相対的に大きい。
4. 入射光子の進行方向に近い角度の散乱光子ほどエネルギーが小さい。
5. エネルギー保存の法則と運動量保存の法則とでは説明できない。

問題 19. 半価層について正しいのはどれか。
1. 物質中の吸収線量の測定によって求められる。
2. 照射野は出来るだけ大きくして測定する。
3. 制動放射エックス線の場合、第1半価層は第2半価層より大きい。
4. 特性エックス線の場合、均質係数(均等度)は1に近い。
5. 散乱腺の寄与も測定値に含まれるよう考慮して決定する。

問題 20. 正しいのはどれか。
1. K殻特性エックス線の方がL殻特性エックス線よりエネルギーが低い。
2. 特性エックス線の振動数は物質の原子番号が大きいほど大きい。
3. Kβ線の方がKα線よりエネルギーが小さい。
4. K殻特性エックス線のエネルギーは物質の質量数によらず一定である。
5. 特性エックス線とエネルギーの同じ制動放射線は発生しない。

問題 21. 電子と物質との相互作用で誤っているのはどれか。
1. 弾性散乱では入射電子の進行方向が変化する。
2. 衝突損失は励起または電離により消費されるエネルギーである。
3. 衝突損失は入射電子のエネルギーが低いほど小さくなる。
4. 放射損失は物質の原子番号が高いほど大きくなる。
5. 放射損失は制動放射によって奪われるエネルギーを含んでいる。

問題 22. 正しいのはどれか。
1. 生体内磁気の強度分布は核磁気共鳴の強度分布と関係がある。
2. 超音波の生体内での進行速度の変化の分布は密度の分布とは無関係である。
3. 高エネルギー光子による生体内吸収線量は電子密度が大きいほど大きい。
4. 超音波は真空中を通過する。
5. 低エネルギー電子線と光子の伝播速度は等しい。

問題 23. 放射線と物質との相互作用で誤っているのはどれか。
1. α線の空気中の比電離はα粒子が停止する寸前に急激に上昇する。
2. β線が物質中で電離作用によって生じる2次電子をδ線と呼ぶ。
3. 陽電子はエネルギーを消耗して停止するとき陰電子と結合する。
4. 光電効果では原子番号の増大と共に生起確率が急激に増加する。
5. チェレンコフ放射は透明な媒質中を通過する高エネルギー光子により起こる。

問題 24. 誤っているのはどれか。
1. 吸収線量はあらゆる電離放射線に適用できる物理量である。
2. 照射線量はエックス線およびγ線に適用できる物理量である。
3. W値は気体の分子が電離されるとき1イオン対を作るのに必要な平均エネルギーである。
4. 粒子フルエンスは球に入射する粒子数である。
5. カーマは直接電離放射線のみに用いられる。

問題 25. 単位で誤っているのはどれか。
1. W値 : J・kg-1
2. 質量阻止能 : J・m^2・kg^-1
3. 質量減弱係数 : m^2・kg^-1
4. 線エネルギー付与 : J・m^-1
5. 放射能 : s^-1

電気電子工学、最初に戻る

問題 26. 図の回路でC1の電荷はC2の何倍か。

1. 0.5
2. 1.0
3. 1.5
4. 2.0
5. 2.5






問題 27. 単位で正しいのはどれか。
1. 電束密度 : H・m^-2
2. 磁束密度 : T・m^-2
3. 抵抗率 : Ω・m^-1
4. 誘電率 : F・m^-1
5. 電界の強さ : C・m^-1

問題 28. 電圧100Vの直流電源に負荷抵抗を接続して10分間通電したところ、300kJのエネルギーを消費した。この負荷に流れた電流は何Aか。
1. 0.005
2. 0.3
3. 3
4. 5
5. 300

問題 29. 図の回路でa点とb点との電位差は何Vか。


1. 1.0
2. 1.5
3. 2.0
4. 2.5
5. 3.0
[fig]





問題 30. R1、R2を1MΩとしR3、R4、R5、R6を2MΩとすると、AB間の抵抗は何Ωになるか。


1. 1
2. 2
3. 3
4. 4
5. 5









問題 31. 平均値が10Aの正弦波交流の最大値は何Aか。
1. 11.1
2. 11.6
3. 14.1
4. 15.7
5. 17.3

問題 32. インダクタンスLに\sqrt{2}I sin(ωt+θ)の電流が流れているとき、両端の電圧はどれか。ただし、ωは角周波数、tは時間である。
1. \sqrt{2} IL sin(ωt+θ+π/2)
2. \sqrt{2} IL sin(ωt+θ−π/2)
3. \sqrt{2} IωL sin(ωt+θ−π/2)
4. \sqrt{2} IωL sin(ωt+θ+π/2)
5. \sqrt{2} I/(ωL) sin(ωt+θ−π/2)

問題 33. 負荷の両端に\sqrt{2} V sin ωt の電圧を加えたとき、流れる電流は \sqrt{2} I sin(ωt−φ)であった。電力を表す式はどれか。ただし、ωは角周波数、tは時間である。
1. IV sinφ
2. IV cosφ
3. 2IV
4. 2IV sinφ
5. 2IV cosφ

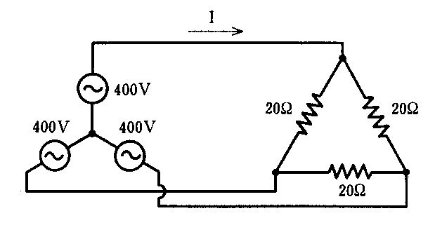
問題 34. 図の平衡三相回路の線電流Iは何Aか。


1. 6.7
2. 11.6
3. 20.0
4. 34.6
5. 60.0








問題 35. 図の回路が共振しているとき、回路に流れる電流は何Aか。


1. 5
2. 10
3. 15
4. 20
5. 25










問題 36. 図のような方形パルス電圧をBに対してAに加えるとDに対しCにどのような波形が現れるか。ただし、時定数はパルス幅より小さいものとする。



















































問題 37. 図の回路では電圧計21V 、電流計は50mAを示した。電流計の内部抵抗は何Ωか。


1. 20
2. 21
3. 40
4. 21
5. 50









問題 38. 電解液の抵抗測定に適するのはどれか。
1. テスタ
2. ホイーストンブリッジ
3. 直流電位差計
4. ケルビンダルブリッジ
5. コールラウシュブリッジ

問題 39. オシロスコープの水平偏向板に50Hzの余弦波を加え、垂直偏向板に同じ振幅の100Hzの正弦波を加えたとき、観測されるリサージュ図形はどれか。


問題 40. FETについて誤っているのはどれか。
a. MOS形では入力抵抗が高い。
b. C‐MOS回路では消費電力を小さくできる。
c. MOS形にはエンハンスメント形とデプレッション形とがある。
d. ゲート、アノード及びカソードの電極をもつ。
e. 正孔と電子との2種類のキャリアによって動作する。
  1. a,b  2. a,e  3. b,c  4. c,d  5. d,e

問題 41. 図の回路の電圧利得が20dBのとき、抵抗Rは何kΩか。


1. 0.25
2. 0.50
3. 50
4. 100
5. 500







問題 42. 半導体について正しいのはどれか。
1. SiにAsを加えた半導体は真性半導体である。
2. N形半導体の不純物はアクセプタである。
3. P形半導体の多数キャリアは電子である。
4. PN接合の空乏層には自由なキャリアが存在する。
5. 金属と半導体とのショットキー障壁接触は整流作用を示す。

問題 43. 正しい組合せはどれか。
a. 電圧効果 ――― ホール素子
b. 整流作用 ――― LED
c. トンネル効果 ――― エサキダイオード
d. 光起電効果 ――― 光電管
e. ゼーベック効果 ――― サーミスタ
  1. a,b  2. a,e  3. b,c  4. c,d  5. d,e

問題 44. 図の回路の論理式はどれか。











問題 45. 自動制御系の伝達関数G(s)について正しい組合せはどれか。ただし、K、L、Tは定数とする。
a. 一次おくれ要素 : 1/(1+Ts)
b. 比例要素 : K
c. 微分要素 : 1/s
d. 積分要素 : s
e. むだ時間要素 : e^−L
  1. a,b  2. a,e  3. b,c  4. c,d  5. d,e

画像工学エックス線撮影技術学、最初に戻る

問題 46. 増感紙‐フイルム系のMTFについて正しいのはどれか。
1. 増感紙とフイルムとが密着しない場合にMTFは上昇する。
2. チャート像の鉛箔部濃度は0とするのが理想である。
3. マイクロデンシトメータのピントがずれるとMTFは上昇する。
4. 特性曲線が直線であれば、強度変換は不要である。
5. コルトマン補正を行うとMTFは上昇する。

問題 47. 写真コントラストに関連の少ないのはどれか。
1. 被写体の厚さ
2. 写真濃度
3. 撮影時間
4. フイルムの種類
5. 付加フィルタ

問題 48. 粒状性について関連の少ないのはどれか。
1. エックス線光量子
2. 増感紙
3. フイルム
4. エックス線管焦点サイズ
5. 現像温度

問題 49. 画像処理について誤っているのはどれか。
1. スムージングを行うとノイズは低下する。
2. ウィンドウ幅を狭くするとコントラストは低下する。
3. 対数アンプを使用すると観察域は拡大する。
4. サブトラクションを行うと骨陰影は除去される。
5. ボケマスクを使用して周波数処理ができる。

問題 50. イメージングプレート法CRの特徴について誤っているのはどれか。
1. 線量が少ないとノイズが目立つ。
2. 撮影できる範囲はイメージングプレートの大きさによる。
3. 入力に対する出力の直線性は増感紙‐フイルム系より優れている。
4. MRIより空間分解能が悪い。
5. 空間分解能は書き込み、読み取りのマトリックスサイズに左右される。

問題 51. エックス線撮影において患者の被爆線量軽減に効果があるのはどれか。
a. 低電圧を用いる。
b. グリッドは移動式を用いる。
c. 片面増感紙を用いる。
d. 可動絞りを用いる。
e. 撮影距離(SID)は1m以上にする。
  1. a,b  2. a,e  3. b,c  4. c,d  5. d,e

問題 52. エックス線管付加フィルタの効果で正しいのはどれか。
a. 高エネルギー成分の割合が減少する。
b. 実効エネルギーは変わらない。
c. 最高エネルギーは変わらない。
d. 被爆線量は減少する。
e. 同じ厚さではAlよりCuの方が効果が大きい。
  1. a,b,c  2. a,b,e  3. a,d,e  4. b,c,d  5. c,d,e

問題 53. 胸部エックス線画像のCRTモニタ診断で誤っているのはどれか。
1. フイルム診断より診断能が向上する。
2. 階調を変えて観察できる。
3. 遠隔医療に応用できる。
4. モニタの画質が診断能に影響する。
5. 診断能が周囲の照度に影響される。

問題 54. 胸部撮影について正しいのはどれか。
a. 遠距離撮影法を用いる。
b. 撮影時間は可能な限り短くする。
c. 経過観察には可能な限り同じコントラストを保つ。
d. 気管分岐部の観察には低電圧撮影法を用いる。
e. 診断能を向上させるには高コントラストフイルムを用いる。
  1. a,b,c  2. a,b,e  3. a,d,e  4. b,c,d  5. c,d,e

問題 55. 正しいのはどれか。
1. コールドウエル(Caldwell)法は中心線をフイルムに垂直にする。
2. タウン(Towne)法は眼窩耳孔線に対し45度で入射する。
3. 頭部側面撮影は正中矢状面をフイルムに垂直にする。
4. ウォータース(Waters)法はドイツ水平線をフイルムに対し35度とする。
5. 視神経孔撮影は正中矢状面をフイルムに対して55度検側に傾ける。

問題 56. 正しい組合せはどれか。
a. ローレンツ(Lorenz)法 ――― 股関節
b. シェラー(Sch\ddot{u}ller)法 ――― 乳様突起
c. ラウエンスタイン(Lauenstein)法 ――― 骨盤
d. ステンバース(Stenvers)法 ――― 環椎
e. フラックスマン(Flaxmann)法 ――― 上顎骨
  1. a,b  2. a,e  3. b,c  4. c,d  5. d,e

問題 57. 撮影部位とエックス線の入射中心点との組合せで誤っているのはどれか。
1. 頸椎 ――― 甲状軟骨下縁
2. 胸椎 ――― 頚窩と剣状突起間の中央
3. 腰椎 ――― 肋骨弓下縁の高さ
4. 仙骨 ――― 上前腸骨棘の高さ
5. 骨盤 ――― 恥骨結合下縁

問題 58. 関係のない組合せはどれか。
1. 脳出血 ――― エックス線CT
2. 転移性骨腫瘍 ――― 骨シンチグラフィ
3. 心筋梗塞 ――― サーモグラフィ
4. 肺癌 ――― 胸部エックス線撮影
5. 肝癌 ――― 超音波検査

問題 59. 正しい組合せはどれか。
a. PTC ――― 経皮経肝胆道造影
b. RP ――― 逆行性腎盂造影
c. HSG ――― 子宮卵管造影
d. DIP ――― 内視鏡的胆管造影
e. IVP ――― 経静脈性冠動脈造影
  1. a,b,c  2. a,b,e  3. a,d,e  4. b,c,d  5. c,d,e

問題 60. 撮影部位とそのポジショニングとの組合せで誤っているのはどれか。
1. 前腕部側面 ――― 前腕部の軽度内旋位
2. 手関節側面 ――― 前腕部の軽度外旋位
3. 足関節正面 ――― 下腿部の軽度内旋位
4. 下腿部側面 ――― 下腿部の軽度外旋位
5. 股関節正面 ――― 下肢の軽度内旋位

問題 61. 高圧撮影に適するのはどれか。
a. 縦隔
b. 咽頭
c. 胸骨
d. 乳房
e. 骨盤計測
  1. a,b,c  2. a,b,e  3. a,d,e  4. b,c,d  5. c,d,e

問題 62. 胃の二重造影で関係の少ない組合せはどれか。
1. 噴門部 ――― 半立位第二斜位
2. 穹窿部 ――― 背臥位正面
3. 前庭部 ――― 背臥位第一斜位
4. 胃体上部 ――― 背臥位第二斜位
5. 前壁 ――― 腹臥位

問題 63. 腹腔動脈造影で描出されるのはどれか。
a. 脾動脈
b. 総肝動脈
c. 腰動脈
d. 腎動脈
e. 下腸間膜動脈
  1. a,b  2. a,e  3. b,c  4. c,d  5. d,e

問題 64. 関係の少ない組合せはどれか。
1. 近接撮影 ――― 胸骨
2. 断層撮影 ――― 胆嚢
3. 拡大撮影 ――― 乳房
4. 立体撮影 ――― 手指
5. 間接撮影 ――― 胸部

問題 65. MRIの長所はどれか。
a. 検査時間が短い。
b. 石灰化の描出能に優れる。
c. 体内金属に影響されない。
d. 軟部組織の濃度分解能が高い。
e. 骨のアーチファクトがない。
  1. a,b  2. a,e  3. b,c  4. c,d  5. d,e

問題 66. 拡大撮影で50μmのエックス線管焦点を使用した場合、ボケの許容を0.2mmまでとすると最大拡大率は何倍が限度か。
1. 3倍
2. 4倍
3. 5倍
4. 6倍
5. 8倍

問題 67. エックス線CTで誤っている組合せはどれか
1. クモ膜下出血 ――― 脳槽の高吸収域
2. 脳梗塞 ――― 脳内の低吸収域
3. 急性硬膜外血腫 ――― 脳表に沿った凸レンズ形の低吸収域
4. 慢性硬膜下血腫 ――― 脳表に沿った凹レンズ形の低吸収域
5. 水頭症 ――― 脳室の拡大

問題 68. 腹部超音波検査で誤っているのはどれか。
1. 妊婦に使用できる。
2. 肝臓の検査に10MHzの探触子を用いる。
3. やせた体型の方が検査は容易である。
4. 坐位で検査できる。
5. 腸管ガスは検査の妨げになる。

問題 69.  最も音速(m・s^-1)の大きい伝搬物質はどれか。
1. 空気
2. 水
3. 骨
4. 血液
5. 肝臓

問題 70. MRIについて正しいのはどれか。
a. T2強調画像はT1強調画像に比べて撮像時間が長い。
b. 脳脊髄液の拍動はアーチファクトの原因となる。
c. ヨード造影剤が使用される。
d. マルチスライス法ではエコー時間の異なる画像が得られる。
e. 脂肪組織の描出は困難である。
  1. a,b  2. a,e  3. b,c  4. c,d  5. d,e

放射線計測学、最初に戻る

問題 71. 正しい組合せはどれか。
1. ポケット電離箱 ――― 検電器
2. フイルムバッジ ――― 光電子増倍管
3. 蛍光ガラス線量計 ――― 飛跡
4. 半導体検出器 ――― 潜像
5. 熱ルミネセンス線量計 ――― 空乏層

問題 72. ウエル型NaL(Tl)シンチレーション検出器について正しいのはどれか。
a. 幾何学的検出効率が大きい。
b. 試料容積が異なれば検出効率は異なる。
c. 光電ピークの波高値は試料の計数率に反比例する。
d. 125の計数率はガラス製とプラスチック製の試験管で同じである。
e. 13Nのエネルギースペクトルを測定すると1.02MeVにピークが現れる。
  1. a,b,c  2. a,b,e  3. a,d,e  4. b,c,d  5. c,d,e

問題 73. NaI(Tl) シンチレーション検出器でエネルギースペクトルを測定するとき、観測される可能性があるのはどれか。
a. サムピーク
b. ブラックピーク
c. グローピーク
d. コンプトンピーク
e. 光電ピーク
  1. a,b,c  2. a,b,e  3. a,d,e  4. b,c,d  5. c,d,e

問題 74. ガンマカメラの空間分解能に関係のないのはどれか。
1. PSF
2. MTF
3. TAR
4. FWHM
5. LSF

問題 75. GM計数管について誤っているのはどれか。
1. 印加電圧は約3,000Vである。
2. 不活性ガスを封入している。
3. 分解時間は約200μsである。
4. ガス増幅率が大きい。
5. プラトーの傾斜は約3.5%/100V である。

問題 76. GM計数管で100分間測定したところ、10,000カウントを得た。この時の標準偏差は何cpmか。
1. 0.1
2. 1
3. 10
4. 50
5. 100

問題 77. 内半径rの指頭形電離箱を使用して吸収線量の測定を行った。測定の実効中心は幾何学的中心から線源側へいくらの距離か。
1. 0
2. r/3
3. r/2
4. 2r/3
5. 3r/4

問題 78. 生成電荷量の直接測定に基づいているのはどれか。
1. 固体飛跡検出器
2. 熱ルミネセンス線量計
3. チェレンコフ検出器
4. 金箔しきい検出器
5. コンデンサ電離箱

問題 79. 放射線エネルギーに比例しないパルス波高を表示する測定器はどれか。
1. PRガス入りガスフロー比例計数管
2. Ge(Li)半導体検出器
3. 表面障壁型Si半導体検出器
4. NaI(Tl)シンチレーション検出器
5. Qガス入りガスフローGM計数管

問題 80. 放射能測定で2,500カウントが得られた。真の値が68.3%の確率で含まれる計数値の範囲はいくらか。
1. 2,475〜2,525
2. 2,466〜2,534
3. 2,450〜2,550
4. 2,400〜2,600
5. 2,350〜2,650

問題 81. 空洞電離箱による測定でイオンの一般再結合について誤っているのはどれか。
1. 印加電圧が低いほど多い。
2. 補正法に2点電圧法がある。
3. 補正法はパルス放射線と連続放射線とで異なる。
4. 線量率が小さいほど多い。
5. 多数の飛跡相互間の再結合である。

問題 82. 照射線量が1.5 C・kg^−1のとき、空気100gが吸収するエネルギーは何Jか。ただし、電子の電荷は 1.6×10^−19 Cで、空気中で1イオン対を作るのに消費される平均エネルギーは34 eVとする。
1. 4.4×10^−2
2. 4.4×10^−1
3. 5.1×10^−1
4. 5.1
5. 5.1×10

問題 83. 標準測定法による水の吸収線量Dを表す式を示す。
  D=M・Cq・Nc・kl・Pion
誤っているのはどれか。
1. M : メータの読み値
2. Cq  : 変位係数
3. Nc : コバルト校正定数
4. kl : 大気補正係数
5. Pion : イオン再結合補正係数

問題 84. エックス線の半価層の測定で正しいのはどれか。
a. 吸収板と線量計は30cm以上離す。
b. ゼロ照射野の半価層は外挿で得られる。
c. 管電流の影響を受けない。
d. 吸収板の純度は80%あれば十分である。
e. 半価層が決まれば線質は一元的に決まる。
  1. a,b,c  2. a,b,e  3. a,d,e  4. b,c,d  5. c,d,e

問題 85. 図はサーベイメータのエネルギー特性の1例である。
曲線(イ)、(ロ)、(ハ)に対応するサーベイメータについて正しい組合せはどれか。


























   電離箱式 ――― GM計数管   ―――   シンチレーション式
        1mm真ちゅうカバー付き      NaI(Tl)
    1. (イ)      ――― (ロ)        ――― (ハ)
    2. (ロ)     ――― (ハ)        ――― (イ)
    3. (ハ)     ――― (イ)        ――― (ロ)
    4. (ロ)     ――― (イ)        ――― (ハ)
    5. (ハ)    ――― (ロ)        ――― (イ)

放射線管理学、最初に戻る

問題 86. 線量制限について誤っている組合せはどれか。
1. 線量限度 ――― 患者の医療被爆への適用
2. 行為の正当化 ――― 医学的価値判断
3. 検査法法 ――― リスクの小さい検査
4. 防護方法の最適化 ――― 経済的および社会的要因
5. 投与する放射能量の決定 ――― 正しい診断情報

問題 87. 診療放射線技師法について正しいのはどれか。
a. 緊急の場合、医師の指示を待たずエックス線撮影を行う。
b. 適正な医療のために正確な画像診断を行う。
c. 健康診断のためエックス線撮影を医師の立会いで行う。
d. 患者情報についての守秘義務がある。
e. 検査に必要な造影剤が静注できる。
1. a,b  2. a,e  3. b,c  4. c,d  5. d,e

問題 88. 照射録に記載する必要があるのはどれか。
a. 照射の年月日
b. 照射の方法
c. 照射装置の形式
d. 照射を受けた者の病名
e. 照射を指示した医師名
  1. a,b,c  2. a,b,e  3. a,d,e  4. b,c,d  5. c,d,e

問題 89. 汚染の状況を1か月に1回測定しなければならない場所はどれか。
1. エックス線診療室
2. 診療用放射線照射装置使用室
3. 放射性同位元素装備診療機器使用室
4. 診療用放射性同位元素使用室
5. 診療用放射性同位元素使用施設の排水口

問題 90. 診療用放射性同位元素使用施設について誤っているのはどれか。
1. 主要構造部は耐火構造または不燃材料を用いた構造とする。
2. 人が常時出入りする出入り口は1箇所としる。
3. 人が常時出入りする出入り口はインターロックが必要である。
4. 内部の壁や床の表面を平滑に仕上げる。
5. 内部の壁や床の表面を腐食しにくい材料で仕上げる。

問題 91. 線量当量限度について正しい組合せはどれか。
a. 放射線診療従事者 ――― 50 mSv/1年間
b. 女子の腹部 ――― 13 mSv/1年間
c. 緊急作業(女子を除く) ――― 10 mSv/1年間
d. 眼の水晶体 ――― 150 mSv/1年間
e. 眼の水晶体以外の組織 ――― 500 mSv/1年間
  1. a,b,c  2. a,b,e  3. a,d,e  4. b,c,d  5. c,d,e

問題 92. 管理区域の設定に係る外部放射線の1cm線量当量限度は1週につき何μSvか。
1. 10
2. 13
3. 30
4. 130
5. 300

問題 93. フイルムバッジについて誤っているのはどれか。
1. 線質依存性が大きい。
2. 内部被爆線量を測定できる。
3. 測定できる下限は0.1 mSv である。
4. 妊娠可能な女子従事者は腹部に着用する。
5. 1か月間の個人被爆線量を測定できる。

問題 94. 緊急作業時における個人被爆の管理に最適なのはどれか。
1. ポケット線量計
2. フイルムバッジ
3. ハンドフットクロスモニタ
4. 熱ルミネセンス線量計
5. ヒューマンカウンタ

問題 95. 遅滞なく健康診断を実施しなければならないのはどれか。
a. 放射性同位元素を誤って飲みこんだとき
b. 放射性同位元素を誤って吸いこんだとき
c. 放射性同位元素が手指に付着したとき
d. 放射性同位元素が衣服に付着したとき
e. 放射性同位元素が皮膚の創傷面に付着したとき
  1. a,b,c  2. a,b,e  3. a,d,e  4. b,c,d  5. c,d,e

午前の最初に戻る、   午後の最初に戻る
RETURN TO SUZUKI's HOME PAGE