RETURN TO SUZUKI'S HOME PAGE
診療放射線技師国家試験のページに戻る。

平成11年3月4日(1999.03.04)

第51回診療放射線技師国家試験問題

午前午後

午前:放射化学放射線機器工学放射線写真学放射性同位元素検査技術学放射線治療技術学基礎医学大要

午後:放射線生物学放射線物理学電気電子工学画像工学エックス線撮影技術学放射線計測学放射線管理学


Last modified 2002.12.18
 なお、これは、完全版ではありません。解答につきましても、どうしても必要な方のみ鈴木昇一まで所属等はっきり示されて連絡ください。。ただし、解答は藤田保健衛生大学としてではなく、あくまでも鈴木の責任で行います。解答の責任は持ちかねます。ご了承願います。

第51回 放射線技師国家試験問題,午前



放射線技師国家試験問題,午前

放射化学,最初に戻る

問題1. 壊変後に原子番号が変化しないのはどれか。
1. α壊変
2. β-壊変
3. β+壊変
4. 電子捕獲
5. 核異性体転移


問題 2. 誤っている組み合わせはどれか。
1. α線 --- ブラッグ曲線
2. β線 ---  後方散乱
3. γ線 --- 電子対生成
4. 中性子線 --- コンプトン効果
5. エックス線 --- 光電効果


問題 3. 放射線と遮へい材との組み合わせで適切でないのはどれか。
1. α線 --- 紙
2. β線 ---  アルミニウム
3. γ線 --- 鉛
4. エックス線 --- 鉛
5. 中性子線 --- 鉛


問題 4. ジェネレータで得られる核種はどれか。
a. 51Cr
b. 60Co
c. 68Ga
d. 81mKr
e. 131I
1. a,b  2. a,e  3. b,c  4. c,d  5. d,e


問題 5. 原子炉生産核種はどれか。
a. 32P
b. 59Fe
c. 67Ga
d. 111In
e. 133Xe
1. a,b,c  2. a,b,e  3. a,d,e  4. b,c,d  5. c,d,e


問題 6. 図のような壊変時の壊変定数で正しいのはどれか。
ただし、λaは親核種の壊変定数、λbは娘核種の壊変定数とする。


1. λa≪λb
2. λa<λb
3. λa=λb
4. λa>λb
5. λa≫λb







問題 7. 99Mo-99mTcジェネレータ(検定日時で3.7GBq)を検定日時から48時間後に初めてミルキングした際に得られる99mTcの放射能はおよそ何MBqか。
ただし、物理的半減期を99Moは66時間、99mTcは6時間とする。
1. 3,700
2. 2,700
3. 2,200
4. 460
5. 14

問題 8. 同位体希釈分析により未知資料の重量Wを求める式で正しいのはどれか。
ただし、添加する標識化合物の重量をW0、その比放射能をS0、未知資料に標識化合物を添加し分離精製した後の比放射能をSとする。
1. W=W0(1−S0/S)
2. W=W0(S/S0−1)
3. W=W0(S0/S−1)
4. W=W0(S0/S)
5. W=W0(S/S0)

問題 9  放射化分析で生成される核種の放射能量に影響しないのはどれか。
1. 核反応時の温度
2. 核反応に用いる粒子線の密度
3. 生成した放射性核種の壊変定数
4. 核反応時の照射時間
5. 試料中の生成前核種の数

問題 10 放射性同位元素の標識法はどれか。 
1. オートラジオグラフィ法
2. クロラミンT法
3. ラジオコロイド法 
4. ペーパーディスク法 
5. ストリップ法 

放射線機器工学,最初に戻る

問題 11 巻線比 n2/n1=500の単相2ピークエックス線高電圧装置がある。 1時電圧150Vのときの無負荷エックス線管電圧は約何kVか。
1. 75 
2. 83
3. 91
4. 106 
5. 150

問題 12 診断用エックス線装置で正しいのはどれか。
1. 管電流の選択は単巻変圧器のタップを切り替えて行う。 
2. 空間電荷補償回路は管電圧が変化しても管電流を一定に保つ回路である。
3. コンデンサ式エックス線装置のエックス線出力は管電流時間積に比例する。
4. インバータ式エックス線装置の撮影時間は電源周期の影響を受ける。
5. 多層装置の撮影時間は管電圧波高値の85%の立ち上がり、立ち下がりの間をいう。

問題 13 インバータ式エックス線装置について誤っているのはどれか。
1. 装置の定格出力は電源インピーダンスの影響を受ける。
2. エックス線出力は単相電源で三相並みの出力を得られる。
3. インバータの方式には方形波形と共振形とがある。
4. 高電圧変圧器の大きさはインバータ周波数と無関係である。
5. 管電圧のリプル百分率は高周波になるほど小さくできる。

問題 14 コンデンサ式エックス線装置について正しいのはどれか。
1. 管電流を2倍にするとエックス線出力も2倍になる。
2. 電源インピーダンスが小さいほど短時間撮影が可能である。
3. 電源インピーダンスが大きいと充電時間は短い。
4. 容量1μFのとき充電電圧100kVで30mAs放電すれば波尾切断電圧は70kVになる。
5. 全放電すると線質は同じ管電圧の単相全波整流装置より硬くなる。

問題 15 回転陽極エックス線管において短時間負荷が100kV、400mAのときエックス線管入力は約何kWか。
ただし、エックス線高電圧装置の管電圧のリプル百分率は30%とする。
1. 30 
2. 38 
3. 40 
4. 54 
5. 56 

問題 16 診断用エックス線管について誤っているのはどれか。
1. エックス線強度分布は陰極側が強く陽極側が弱い。
2. 許容負荷はターゲット角度の大きい方が大きい。
3. 実焦点は実効焦点より大きい。
4. 焦点の電子密度は均等でないために正焦点と副焦点が生じる。
5. ヒートユニットはエックス線入力を表す特別の単位である。

問題 17 イメージインテンシファイアの特性について関係ないのはどれか。
1. 変換係数
2. 空間周波数
3. 時間分解能
4. 量子検出効率
5. コントラスト比

問題 18 自動露出制御について正しいのはどれか。
1. カセッテ後面検出法はカセッテの自己吸収の影響が大きい。
2. 応答時間特性は被写体厚の厚いところで影響が大きい。
3. 被写体厚特性は短時間撮影領域で良くなる。
4. 管電圧特性はエックス線検出方法に関係しない。
5. 検出器は被写体透過前のエックス線を検出する。

問題 19 DSAについて正しいのはどれか。
1. コントラスト分解能は増感紙-フィルム系に比べて劣る。
2. 濃度分解能はA-D変換器のビット数に関係しない。
3. 空間分解能は画素数が少ないほど良い。
4. 時間分解能は画像収集速度に関係しない。
5. 空間分解能はイメージインテンシファイアの入力視野を小さくすると向上する。

問題 20 関係のない組合せはどれか。
1. シネ撮像 --- 高速フィルムチェンジャ 
2. 拡大撮影 --- 微焦点エックス線管 
3. 間接撮影 --- ミラーカメラ
4. 乳房撮影 --- モリブデンターゲットエックス線管
5. DR撮影 --- イメージインテンシファイア

問題 21 散乱線除去用グリッドの性能を表す項目で関係のないのはどれか。
1. 平面度
2. 選択度 
3. 解像度
4. コントラスト改善度
5. 露出倍数

問題 22 イメージングプレートを用いたCRの特徴で誤っているのはどれか。
1. 増感紙-フィルム系に比べてダイナミックレンジが広い。
2. エックス線CTに比べて空間分解能が高い。
3. 増感紙-フィルム系に比べてエックス線量に対する直線性が良い。
4. サブトラクション処理ができる。
5. リアルタイムの観察ができる。

問題 23 1.5Tの超伝導MRI室を設計する際の留意点で誤っているのはどれか。
1. 患者の状態を常に監視できるレイアウトであること
2. 検査室が鉛シールドされていること
3. 検査室が電波シールドされていること
4. 検査室が磁気シールドされていること
5. マグネットなどの重量物に耐えられる構造とすること

問題 24 MRI用ファントムによるMRI装置の日常点検項目でJISにより規定されていないのはどれか。
1. コントラストスケール
2. SN比 
3. 空間分解能
4. スライス厚
5. 幾何学的ひずみ

問題 25 エックス線CTについて正しいのはどれか。
a. Rotate/Rotate方式では扇状エックス線が用いられる。
b. Stationary/Rotate方式では検出器が固定されている。
c. Nutate/Rotate方式では検出器の外側をエックス線管が回転する。
d. スリップリング方式では一体形エックス線発生装置が用いられる。
e. 電子ビーム方式ではエックス線管が用いられる。
1. a,b,c 2. a,b,e 3. a,d,e 4. b,c,d 5. c,d,e

問題 26 エックス線CT装置において、有効視野が40cmで画素数が512×512のとき、 CT画像の1画素の一辺の長さは約何mmか。
1. 0.1
2. 0.3
3. 0.8
4. 1.3
5. 1.8

問題 27 ガンマカメラのコリメータについて正しいのはどれか。
1. ファンビームコリメータはカメラの回転軸に直角な方向に焦点をもつ。
2. ダイバージングコリメータは拡大像が得られる。 
3. コンバージングコリメータは実物大の像が得られる。
4. ピンホールコリメータは大きな部位の撮像に有効である。
5. 平行多孔コリメータは低エネルギー用ほど孔数が少ない。

問題 28 SPECT装置の構成でないのはどれか。
1. 位置計算回路
2. 波高分析器
3. BGO検出器
4. 表示装置 
5. コリメータ

問題 29 リニアック装置について正しいのはどれか。
1. 加速管の長さは進行波形に比べて定在波形が長い。
2. マイクロ波発振管にはサイラトロンが用いられる。
3. 電子の加速はマイクロ波電界により周回運動で行う。
4. 加速管は純度の高い鉄で作られる。
5. 出力線量はパルス数を変えて調整できる。

問題 30 超音波画像診断装置の構成でないのはどれか。
1. 送信回路
2. 受信コイル
3. プローブ
4. TVモニタ
5. ビデオプリンタ

放射線写真学,最初に戻る 

問題 31 誤っている組合せはどれか。
1. 亜硫酸ナトリウム --- 保恒剤
2. 臭化カリウム --- 現像抑制剤
3. 炭酸ナトリウム --- 現像促進剤
4. フェニドン --- 緩性現像剤
5. メトール --- 急性現像剤

問題 32 写真の特性曲線から計測できない写真特性値はどれか。
a. 階調
b. 感度
c. 寛容度
d. 鮮鋭度
e. 粒状性
1. a,b 2. a,e 3. b,c 4. c,d 5. d,e

問題 33 感光材料に最大濃度を与える露光量以上の露光を与えたとき、その露光量の増大に応じて 写真濃度が減少する現象はどれか。
1. 間欠効果
2. ハーシェル効果
3. ソラリゼーション
4. ラッセル効果
5. アルバート効果

問題 34 自動現像機について正しいのはどれか。
1. 現像主薬にはPQ現像液が使用される。
2. 補充液量は現像液よりも定着液の方が少ない。
3. 現像用補充液は臭化カリウムを含んでいる。
4. 定着用補充液が少なくなるほど硬膜性が向上する。
5. スタータの量を多くすれば写真濃度が上昇する。

問題 35 希土類増感紙に用いられる蛍光体はどれか。
  a. CaWO4 
  b. ZnS:Ag
  c. CsI:Na>
  d. Gd2O2S:Tb
  e. Y2O2S:Tb
1. a,b 2. a,e 3. b,c 4. c,d 5. d,e

放射性同位元素検査技術学,最初に戻る 

問題 36 物理的半減期の最も長いのはどれか。 
1. 111In
2. 123I
3. 125I
4. 131I
5. 133Xe

問題 37 ガンマカメラについて正しいのはどれか。
a. シンチレータは1時間に1℃の温度変化があると破損の危険がある。
b. 光電子増倍管の調整は均一性に影響する。
c. 位置計算方式には遅延線法式と抵抗マトリックス方式とがある。
d. コリメータは一般に焦点形が使用される。
e. 時間分解能は200μ秒程度である。
1. a,b 2. a,e 3. b,c 4. c,d 5. d,e 

問題 38 ガンマカメラについて誤っているのはどれか。
1. 放射性医薬品から放出されるγ線を計測する。
2. シンチレータの材質にNaI(Tl)が用いられる。
3. 空間分解能を半値全幅と1/10全幅とで表す。
4. 固有分解能の値は総合分解能の値より小さい。
5. デジタル式からアナログ式へ移行している。

問題 39 骨シンチグラフィの撮影法で正しいのはどれか。
a. エネルギーフォトピークを170keVに設定する。
b. 収集ウィンドウ幅をフォトピークの±10%に設定する。
c. 全身像の撮像は前後2方向から行う。
d. プラナ像の収集を50kカウントに設定する。
e. 全身画像収集のスキャンスピードを90cm/分に設定する。>
1. a,b 2. a,e 3. b,c 4. c,d 5. d,e

問題 40 SPECTの吸収補正法はどれか。
a. Wiener法
b. Butterworth法
c. Sorensen法
d. Chang法
e. Shepp & Logan法
1. a,b 2. a,e 3. b,c 4. c,d 5. d,e

問題 41 SPECT装置について正しいのはどれか。
a. 空間分解能の低下でリングアーチファクトが発生する。
b. 回転軸補正試験を定期的に行う。
c. 単検出型と多検出型とがある。
d. 回転中心軸から検出器を離せば空間分解能は低下する。
e. プラナ像より空間分解能の高い画像が得られる。
1. a,b,c 2. a,b,e 3. a,d,e 4. b,c,d 5. c,d,e

問題 42 PET装置について誤っているのはどれか。
1. 0.511MeVの消滅放射線を測定する。
2. 小型サイクロトロンで生産された150を利用する。
3. 同時計数回路を用いればコリメータなしで撮像できる。
4. 単検出器を回転させてデータを収集する。
5. SPECTと兼用できる装置が開発されている。

問題 43 画像のカラー表示について正しいのはどれか。
a. レインボーカラー表示法がある。
b. CT画像とSPECT画像との合成画像表示に用いる。
c. カラー表示することによって画像のコントラストが向上する。
d. カラーコードを変えると解析された数値データも変わる。
e. カラー表示することによって空間分解能が向上する。
1. a,b,c 2. a,b,e 3. a,d,e 4. b,c,d 5. c,d,e

問題 44 放射性同位元素を静脈注射以外で投与する検査法はどれか。
1. 脳槽シンチグラフィ
2. 脳血流シンチグラフィ
3. 肺血流シンチグラフィ
4. 肝シンチグラフィ
5. 骨シンチグラフィ

問題 45 健常人で尿中排泄率が最も高いのはどれか。
1. 67Ga-クエン酸ガリウム
2. 81mKrガス
3. 99mTc-MAG3
4. 123I-MIBG
5. 201Tl-塩化タリウム

問題 46 健常人で腸管が描出されるのはどれか。
a. 99mTc-DMSA
b. 99mTc-MDP
c. 99mTc-PMT
d. 67Ga-クエン酸ガリウム
e. 201Tl-塩化タリウム
1. a,b,c 2. a,b,e 3. a,d,e 4. b,c,d 5. c,d,e

問題 47 健常人の目的臓器における時間放射能曲線が図のようになるのはどれか。
  
1. 99mTc-MAG3 
2. 99mTc-HMPAO
3. 99mTc-MIBI
4. 99mTc-PMT
5. 99mTc-MAA







問題 48 甲状腺123I摂取率に影響を与えるのはどれか。
a. 海草類
b. 野菜類
c. 肉類
d. 穀類
e. ヨード造影剤 
1. a,b 2. a,e 3. b,c 4. c,d 5. d,e 

問題 49 投与後24時間移以降に撮像されるのはどれか。
a. 99mTcO4-による異所性胃粘膜シンチグラフィ
b. 99mTc-ヒト血清アルブミンによる血液プールシンチグラフィ
c. 123I-IMPによる脳血流シンチグラフィ
d. 131I-MIBGによる副腎髄質シンチグラフィ
e. 131I-ヨウ化メチルノルコレステノール(アドステロール)による副腎皮質シンチグラフィ
1. a,b 2. a,e 3. b,c 4. c,d 5. d,e 

問題 50 腎臓の核医学検査に使われないのはどれか。
1. 99mTc-DTPA
2. 99mTc-DMSA
3. 99mTc-GSA
4. 99mTc-MAG3
5. 131I-OIH

問題 51 心筋血流シンチグラフィに用いるのはどれか。
a. 99mTc-テトロホスミン
b. 99mTc-MIBI
c. 123I-MIBG
d. 123I-BMIPP
e. 201Tl-塩化タリウム
1. a,b,c 2. a,b,e 3. a,d,e 4. b,c,d 5. c,d,e

問題 52 201Tl-塩化タリウムによる腫瘍シンチグラフィの対象とならないのはどれか。
1. 脳腫瘍
2. 甲状腺腫瘍
3. 副甲状腺腫瘍
4. 肺癌
5. 腎癌

問題 53 病変部が陽性像となる組合せはどれか。
a. 膿瘍 --- 67Ga-クエン酸ガリウム
b. 心筋梗塞 --- 99mTc-ピロリン酸
c. 甲状腺癌 --- 99mTcO4-
d. 腎癌 --- 99mTc-DMSA
e. 褐色細胞腫 --- 131I-MIBG
1. a,b,c 2. a,b,e 3. a,d,e 4. b,c,d 5. c,d,e

問題 54 放射線同位元素を用いないのはどれか。
1. EIA
2. IRMA
3. RAST
4. CPBA
5. RIA

問題 55 ラジオイムノアッセイで測定しないのはどれか。
1. 甲状腺刺激ホルモン
2. 血清鉄
3. CEA
4. インスリン
5. AFP

放射線治療技術学,最初に戻る

問題 56 加速器はどれか。
a. クライストロン
b. サイクロトロン
c. シンクロトロン
d. マイクロトロン
e. マグネトロン
1. a,b,c 2. a,b,e 3. a,d,e 4. b,c,d 5. c,d,e

問題 57 放射線治療の補助具はどれか。
a. 補償フィルタ
b. シャドートレイ
c. 固定用シェル
d. グリッド
e. 水ファントム
1. a,b,c 2. a,b,e 3. a,d,e 4. b,c,d 5. c,d,e

問題 58 関連の少ない組合せはどれか。
a. エックス線CT --- 定位放射線治療
b. 多分割コリメータ --- 原体照射
c. リニアックグラフィ --- 電子線照射
d. シミュレータ --- 術中照射
e. 低融点合金 --- マントル照射
1. a,b 2. a,e 3. b,c 4. c,d 5. d,e

問題 59 低線量率小線源治療で用いられる核種はどれか。
a. 111In
b. 123I
c. 131I
d. 137Cs
e. 198Au
1. a,b 2. a,e 3. b,c 4. c,d 5. d,e

問題 60 γ線の平均エネルギーが最も高いのはどれか。
1. 60Co
2. 137Cs
3. 192Ir
4. 198Au
5. 226Ra

問題 61 線源から1mの距離における照射線量率が180×10-4C/kg/分のコバルト遠隔照射装置で、 線源から80cmの距離での線量率(C/kg/分)として最も近い値はどれか。 
1. 160×10-4
2. 230×10-4
3. 280×10-4
4. 410×10-4
5. 570×10-4

問題 62 正常肺の密度(g/cm3)はどれか。
1. 0.05 
2. 0.3
3. 0.8
4. 1.5
5. 3.0

問題 63 図は10MVのエックス線、60Coのγ線、100kVのエックス線、20MeVの電子線、 10MeVの電子線の深部量百分率である。60Coに相当するのはどれか。 
  
1. a
2. b
3. c
4. d
5. e












問題 64 線量分布計算アルゴリズムに最も関係の少ないのはどれか。
1. STD法
2. べき乗TAR法
3. モンテカルロ法>
4. ペンシルビーム法
5. コンボリューション法

問題 65 計算アルゴリズムの違いで線量分布に大きな差がでるのはどれか。
1. 骨
2. 肺
3. 脂肪
4. 筋肉
5. 肝臓

問題 66 高エネルギーエックス線の半影測定で、半影の大きさに関係しないのはどれか。
1. 線量率
2. エネルギー
3. 焦点の大きさ
4. コリメータの構造
5. 測定する検出器の大きさ

問題 67 高線量率小線源治療が低線量率小線源治療より優れている点はどれか。
a. 患者の身体的負担が少ない。
b. 治療成績がよい。
c. 手技が簡単である。
d. 医療従事者の被爆が少ない。
e. 治療時間が短い。
1. a,b,c 2. a,b,e 3. a,d,e 4. b,c,d 5. c,d,e 

問題 68 根治的放射線治療の適応となるのはどれか。
a. 肝癌
b. 子宮頸癌
c. 上咽頭癌
d. 胃癌
e. 骨髄性白血病
1. a,b 2. a,e 3. b,c 4. c,d 5. d,e 

問題 69 電子線治療が用いられないのはどれか。
1. 皮膚T細胞リンパ腫
2. ケロイド
3. 乳癌
4. 舌癌
5. 肝癌

問題 70 上顎癌に用いられる照射法はどれか。
a. 楔フィルタ使用左右対向2門照射法
b. 回転照射法
c. 楔フィルタ使用接線照射法
d. 打ち抜き照射法
e. 楔フィルタ使用直交2門照射法
1. a,b 2. a,e 3. b,c 4. c,d 5. d,e

問題 71 適切でない組合せはどれか。
1. マントル照射 --- 悪性リンパ腫
2. 術中照射 --- 膵癌
3. 直交2門照射 --- 子宮体癌
4. 接線照射 --- 癌肋骨転移
5. 組織内照射 --- 舌癌

問題 72 乳癌の接線照射により発生する可能性がある副作用はどれか。
a. 脊髄麻痺
b. 食道潰瘍
c. 放射性肺炎
d. 肋骨絵師
e. 皮膚潰瘍
1. a,b,c 2. a,b,e 3. a,d,e 4. b,c,d 5. c,d,e

問題 73 TDFに関係のあるのはどれか。
a. 照射回数
b. 照射体積
c. 線量率
d. 照射日数
e. 1回線量
1. a,b,c 2. a,b,e 3. a,d,e 4. b,c,d 5. c,d,e

問題 74 放射線治療による障害発生に最も関連するのはどれか。
1. 照射体積(irradiated volume)
2. 治療体積(treated volume)
3. 臨床的標的体積(clinical target volume)
4. 肉眼的腫瘍体積(gross tumor volume)
5. 計画標的体積(planning target volume)

問題 75 線量を少なくするように最も注意しなければならないのはどれか。
1. 全脳照射
2. 全脊髄照射
3. 全肺照射
4. 全肝照射
5. 全腹部照射

要基礎医学大要,最初に戻る 

問題 76 最近、我が国で最も頻度が高い死因はどれか。
1. 脳血管疾患
2. 悪性新生物
3. 心疾患
4. 腎不全
5. 不慮の事故

問題 77 5年生存率が最も低いのはどれか。
1. 乳癌
2. 子宮頸癌
3. 咽頭癌
4. 皮膚癌
5. 食道癌

問題 78 側頭骨にあるのはどれか。
a. 大後頭孔
b. トルコ鞍
c. 内耳道
d. 乳突蜂巣
e. 斜台
1. a,b 2. a,e 3. b,c 4. c,d 5. d,e

問題 79 内耳道を通るのはどれか。
1. 動眼神経
2. 三叉神経
3. 顔面神経
4. 迷走神経
5. 舌下神経

問題 80 頭蓋底にあるのはどれか。
a. 閉鎖孔
b. オトガイ孔
c. 椎間孔
d. 破裂孔
e. 棘孔
1. a,b 2. a,e 3. b,c 4. c,d 5. d,e

問題 81 頸部の筋はどれか。
a. ひらめ筋
b. 縫工筋
c. 前斜角筋
d. 胸鎖乳突筋
e. 外閉鎖筋
1. a,b 2. a,e 3. b,c 4. c,d 5. d,e

問題 82 胸部エックス線正面像模式図を示す。Aは何か。

1. 大動脈弓
2. 肺動脈
3. 動脈管
4. 左心耳
5. 肺静脈








問題 83 動脈とその起始部の高さとの組合せで誤っているのはどれか。
1. 腕頭動脈 --- 第3胸椎
2. 腹腔動脈 --- 第1腰椎
3. 腎動脈 --- 第2腰椎
4. 上腸間膜動脈 --- 第3腰椎
5. 総腸骨動脈 --- 第4腰椎

問題 84 腹部大動脈より右にあるのはどれか。
a. 下大静脈
b. 胆嚢
c. 脾臓
d. 下行結腸
e. 十二指腸球部
1. a,b,c 2. a,b,e 3. a,d,e 4. b,c,d 5. c,d,e

問題 85 腎臓にあるのはどれか。
1. グリソン鞘
2. ランゲルハンス島
3. 尿膜管
4. 硝子体
5. 糸球体

問題 86 下肢の骨はどれか。
a. 橈骨
b. 尺骨
c. 脛骨
d. 腓骨
e. 鋤骨
1. a,b 2. a,e 3. b,c 4. c,d 5. d,e

問題 87 健常者で動脈血が通過するのはどれか。
a. 大動脈弁
b. 僧帽弁
c. 三尖弁
d. 肺動脈弁
e. 動脈管
1. a,b 2. a,e 3. b,c 4. c,d 5. d,e

問題 88 グルカゴンを分泌するのはどれか。
1. 脳下垂体
2. 副腎
3. 腎臓
4. 肝臓
5. 膵臓

問題 89 肝細胞癌の腫瘍マーカーはどれか。
1. AFP
2. CEA
3. SCC
4. CA19-9
5. CA125

問題 90 悪性腫瘍はどれか。
a. 聴神経鞘腫
b. 髄芽腫
c. 神経膠芽腫
d. 海綿状血管腫
e. 下垂体腺腫
1. a,b 2. a,e 3. b,c 4. c,d 5. d,e

問題 91 感染症はどれか。
1. 塵肺症
2. 肺気腫
3. サルコイドーシス
4. アスペルギルス症
5. 気管支拡張症

問題 92 膠原病はどれか。
1. 慢性関節リウマチ
2. 糖尿病
3. パーキンソン病
4. 慢性骨髄性白血病
5. 血友病

問題 93 MRIを行ってはならないのはどれか。
a. 心臓ペースメーカーを埋め込んでいる患者
b. チタン製クリップを用いた脳動脈瘤の手術を受けた患者
c. 義歯を装着している患者
d. 大動脈瘤に対する人工血管置換術を受けた患者
e. 人工内耳を埋め込んでいる患者
1. a,b 2. a,e 3. b,c 4. c,d 5. d,e

問題 94 MRIについて正しいのはどれか。
a. 皮下脂肪はT1強調画像で高信号を呈する。
b. 脳脊髄液はT2強調画像で低信号を呈する。
c. 血管はT2強調画像で高信号を呈する。
d. 石灰化はT2強調画像で高信号を呈する。
e. 脳の灰白質はT1強調画像で白質より低信号を呈する。
1. a,b 2. a,e 3. b,c 4. c,d 5. d,e

問題 95 肝嚢胞について正しいのはどれか。
1. 超音波断層で高エコーを呈する。
2. 単純エックス線CTで高吸収を呈する。
3. MRI T2強調画像で高信号を呈する。
4. 血管造影で濃染像を呈する。
5. 経静脈性胆道造影で造影される。

第51回 放射線技師国家試験,午後


午前に戻る。
放射線生物学、最初に戻る
問題 1  放射線による細胞障害で誤っているのはどれか。

1. 致死障害は回復されない障害である。
2. 亜致死障害は時間とともに回復する。
3. 潜在的致死障害の修復は1回照射後に認められる。
4. 細胞感受性の低いM期の細胞は多く生き残る。
5. 照射後の時間経過で腫瘍中に酸素飽和細胞が再び出現する。

問題 2 放射線感受性が高い臓器はどれか。
a. 甲状腺
b. 膵臓
c. 腎臓
d. 卵巣
e. 骨髄
1. a,b,c 2. a,b,e 3. a,d,e 4. b,c,d 5. c,d,e

問題 3 放射線治療効果が高くなるのはどれか。
1. 腫瘍周囲正常組織のαβ比が小さい。
2. 腫瘍内に低酸素細胞が存在する。
3. 腫瘍細胞のD0値が小さい。
4. 腫瘍の体積が大きい。
5. 照射野内に大血管が含まれる。

問題 4 放射線感受性の高いのはどれか。
a. ウィルムス腫瘍
b. 悪性リンパ腫
c. 未分化癌
d. 線維肉腫
e. 悪性黒色腫
1. a,b,c 2. a,b,e 3. a,d,e 4. b,c,d 5. c,d,e

問題 5 エックス線と比べて陽子線を放射線治療に用いる利点はどれか。
1. 酸素効果比が大きい。
2. 亜致死損傷の回復が小さい。
3. 細胞周期の影響が小さい。
4. 生物学的効果比が大きい。
5. 線量分布が優れている。

問題 6 放射線の急性反応でないのはどれか。
1. 白内障
2. 食欲不振
3. 下痢
4. 悪心
5. 白血球減少

問題 7 10 Gyの全身照射後1日以内に出現しないのはどれか。
a. 白血球減少
b. 全身倦怠感
c. 頭痛・発熱
d. 悪心・嘔吐
e. 血小板減少
1. a,b 2. a,e 3. b,c 4. c,d 5. d,e

問題 8 線量当量について誤っているのはどれか。
1. 単位はSvである。
2. 吸収線量の関数である。
3. 線質係数の関数である。
4. 他の条件を一定にするとLETが小さくなるほど大きくなる。
5. 線源の分布に左右される。

問題 9 放射線の遺伝的影響で正しいのはどれか。
a. 性線以外の被爆は心配ない。
b. 突然変異発生率は被曝線量に比例する。
c. 突然変異倍加線量は10mSvである。
d. 細胞膜を構成する脂質の変化が主な原因である。
e. 発生した突然変異は劣性である。
1. a,b,c 2. a,b,e 3. a,d,e 4. b,c,d 5. c,d,e

問題 10 胎児期の被爆による障害のうち確率的影響はどれか。
1. 知能低下
2. 心臓奇形
3. 白血病
4. 低身長
5. 甲状腺機能低下症

放射線物理学、最初に戻る

問題 11 陽子とα粒子との速さが等しいとき、陽子の運動エネルギーはα粒子の何倍か。
1. 1/4
2. 1/2
3. 1/sqrt{2}
4. sqrt{2}
5. 4

問題 12 光子と物質との相互作用について正しいのはどれか。
1. 干渉性散乱(トムソン散乱)は減弱に寄与する。
2. 光電効果を起こした光子は光電子を放出して自身は散乱される。
3. 光電効果に伴うオージェ電子は連続スペクトルを示す。
4. コンプトン散乱における散乱光子のエネルギーは散乱方向によらず一定である。
5. 電子対生成により生成される陰電子と陽電子とのエネルギーは等しい。

問題 13 速度が同じα粒子の線衝突阻止能(Sα)と 重陽子の線衝突阻止能(Sd)との比(Sα/Sd)はどれか。
1. 16
2. 8
3. 4
4. 2
5. 1

問題 14 陽子、中性子および電子の質量をそれぞれ1.0073、1.0087及び0.0005(amu)とする場合、 12Cの質量欠損は何amuか。
1. 0.0059
2. 0.059
3. 0.099
4. 0.59
5. 0.99

問題 15 イメージングプレートを用いたCRについて誤っているのはどれか。
1. イメージングプレートはエックス線やβ線などの放射線に対する画像センサである。
2. エックス線照射後のイメージングプレートに白色光を照射して画像情報を得る。
3. 画像情報はイメージングプレートにアナログ信号として蓄積される。
4. 画像情報をフィルムに焼き付けたり、光ディスクに記録・保管できる。
5. 読みとられたデジタル電気信号は、階調処理などの画像処理ができる。

問題 16 図のような電場と線源との関係で放射線の向きを表した組合せはどれか。
  
 α線 -β線 --γ線
1. イ --- ロ --- ハ
2. ロ --- ハ --- イ
3. ハ --- イ --- ロ 
4. イ --- ハ --- ロ 
5. ロ --- イ --- ハ









問題 17 単色エックス線が厚さ1.2mmの銅板を通過したら線量率が1/8に減少した。 このエックス線に対する半価層(mmCu)と線減弱係数(mm-1)との組合せで正しいのはどれか。
 半価層 --- 線減弱係数 
1. 0.15 --- 0.69
2. 0.3 --- 0.21
3. 0.3 --- 2.31
4. 0.4 --- 1.73
5. 0.4 --- 2.77

問題 18 磁気共鳴について誤っているのはどれか。
1. 縦緩和時間をスピン-格子緩和時間といいT2で表す。
2. 共鳴周波数は共鳴回転数に比例する。
3. 共鳴周波数の変化で励起する核を選択できる。
4. 固有のモーメントを持つ元素は外部静磁場による共鳴現象を起こす。
5. ラジオ周波数(RF)を加えると磁気モーメントの反転が起こる。

問題 19 1核子当たりの結合エネルギーが最も大きいのはどれか。
1. He
2. Fe
3. Ne
4. Li
5. U

問題 20 エックス線の発生について正しいのはどれか。
1. 連続エックス線の最短波長はターゲットの原子番号によって決まる。
2. 制動放射によるエックス線のエネルギーは線スペクトルを示す。
3. エックス線の発生効率は管電圧の2乗に比例する。
4. K殻特性エックス線のエネルギーは管電圧に依存する。
5. 特性エックス線の放出確率はKα線の方がKβ線より大きい。

問題 21 β壊変について誤っているのはどれか。
1. β-壊変では核内の中性子が崩壊する。
2. 電子捕獲ではニュートリノが放出される。
3. 電子捕獲に引き続いて特性エックス線または電子が放出される。
4. β-壊変に伴うニュートリノのエネルギーは連続スペクトルである。
5. β壊変では質量数が変わる。

問題 22 エックス線CTについて正しいのはどれか。
a. CT値はエックス線ビームの透過値から求める。
b. CT値は線減弱係数に反比例する。
c. 血液のCT値は水より低い。
d. CT像の最終出力は白/黒に濃度変調された画像である。
e. CT像はウィンドウ値やウィンドウ幅を設定して観察する。
1. a,b,c 2. a,b,e 3. a,d,e 4. b,c,d 5. c,d,e

問題 23 光子について誤っているのはどれか。
1. エネルギーは振動数に比例する。
2. 12.4keVの光子の波長は10-10mである。
3. 物質中における速さは真空中における速さより遅い。
4. 光電効果は光の粒子性によって説明できる。
5. 質量がないので運動量は0である。

問題 24 チェレンコフ効果を直接起こすことができるのはどれか。
1. 中性子線
2. 電子線
3. ニュートリノ
4. γ線
5. エックス線

問題 25 γ線検出用のNaI(Tl)結晶について誤っているのはどれか。
1. 大きな結晶を作ることができる。
2. γ線に対する検出効率が高い。
3. 蛍光効率が比較的高い。
4. 光減衰時間が有機シンチレータに比べて小さい。
5. アルミニウムで密閉して使用する。

電気電子工学、最初に戻る 

問題 26 電磁誘導に関係あるのはどれか。
1. キルヒホッフの法則
2. レンツの法則
3. フレミングの左手の法則
4. オームの法則
5. クーロンの法則

問題 27 単位で正しいのはどれか。
1. 磁界の強さ:AT(アンペアターン)
2. 磁束:W(ワット)
3. 磁束密度:T(テスラ)
4. 電界の強さ:V(ボルト)
5. 誘電率:F(ファラッド)

問題 28 静電容量2μF、耐電圧400Vのコンデンサと静電容量1μF、耐電圧300Vのコンデンサを直列に接続したとき、 全体の耐電圧は何Vか。
1. 200
2. 300
3. 350
4. 450
5. 700

問題 29 10Vで2Wの電力を消費する抵抗に50Vの電圧を加えたとき、流れる電流は何Aか。
1. 1
2. 2
3. 3
4. 4
5. 5

問題 30 可変抵抗VRを最大(6kΩ)から0まで変化させたとき、電流計Aの指示値Iはどのように変化するか。




1. 矢印の方向に3mAから、反対方向に3mAまで変化する。
2. 矢印の方向に3mAから0まで変化する。
3. 矢印の方向に3mA一定である。
4. 矢印の反対方向に3mA一定である。
5. 常に0で変化しない。






問題 31 抵抗Rを図のように接続したとき、AB間の合成抵抗は何Ωか。
  
1. R
2. (4/3)R
3. (3/2)R
4. 3R
5. 4R





問題 32 図の回路で45Vの直流電圧を加えると0.5Aの電流が流れた。45Vの交流電圧を加えた場合は何Aか。

1. 0.18
2. 0.20
3. 0.30
4. 0.38
5. 0.45

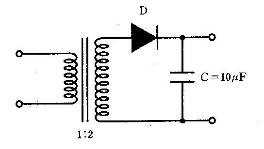
問題 33 図の回路において変圧器の1次側に正弦波交流電圧100Vを加えるとき、整流器Dにかかる逆電圧の最大値は何Vか。 ただし、変圧器の巻数比は1:2とする。

  
1. 200
2. 282
3. 400
4. 482
5. 564






問題 34 一相のインピーダンスが\dot{Z}=3+j4(Ω)であるY結線された平衡三相負荷がある。 相電圧が100Vのとき、線電流と線間電圧との大きさの組合せで正しいのはどれか。
線電流(A) --- 線間電圧(V)
1. 20 --------- 100
2. 20 --------- 173
3. 33 --------- 58
4. 33 --------- 100
5. 33 --------- 173

問題 35 図の回路が5MHzで共振するとき、コンデンサCは何Fか。ただし、πの値を3とする。

1. 222×10-12
2. 333×10-12
3. 444×10-12
4. 555×10-12
5. 666×10-12







問題 36 図の回路でスイッチSを閉じてからCR秒後、Cの両端の電圧は何Vか。ただし、自然対数の底e=2.7とする。 

1. 27
2. 37
3. 50
4. 63
5. 73






問題 37 テスタの構成で誤っているのはどれか。
1. 可動コイル形電流計
2. 倍率器
3. 可変コンデンサ
4. 整流器
5. 電池

問題 38 最大目盛100mA、内部抵抗1.0Ωの電流計がある。最大500mAまで測定できるようにするには 何Ωの分流器をつければよいか。
1. 0.25 
2. 0.5
3. 1
4. 2
5. 4

問題 39 ダイオードについて正しいのはどれか。
a. 電圧が加えられていない熱平衡状態のpn接合でも、接合を通じて電流が流れることがある。
b. ツェナー現象を利用したものを低電圧ダイオードという。
c. トンネル効果を利用したものをエサキダイオードという。
d. バラクタダイオードは電圧に応じて容量値が変化する可変容量ダイオードのことである。
e. ゲルマニウム整流素子はシリコン整流素子より大電力に適する。
1. a,b,c 2. a,b,e 3. a,d,e 4. b,c,d 5. c,d,e

問題 40 トランジスタについて誤っているのはどれか。
1. FETにはNチャンネル形とPチャンネル形とがある。
2. FETはソース、ゲート、ドレンの端子をもつ。
3. MOS形FETは金属、酸化物、半導体の三層構造をもつ。
4. PNP形のエミッタはP形半導体である。
5. ベース接地電流増幅率は1より大きい。

問題 41 デシベル(dB)について正しいのはどれか。
1. 電圧利得−3dBは電圧比がsqrt{2}である。
2. 電圧利得30dBの増幅器2個を二段に用いると900dBである。
3. 電圧比100は20dBである。
4. 電力比10は10dBである。
5. 電流比0.1は−10dBである。

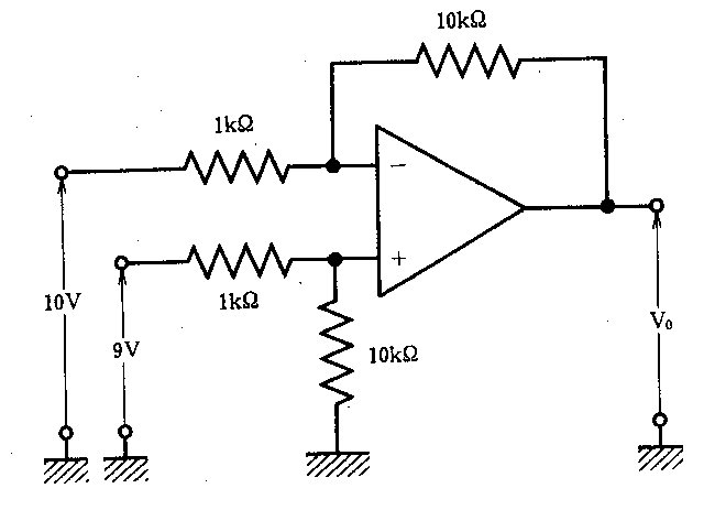
問題 42 図の回路の出力電圧V0は何Vか。
  
1. -10
2. -1
3. 1
4. 2
5. 10

問題 43 理想的なオペレーションアンプの条件で誤っているのはどれか。
1. 増幅率が無限大である。
2. 入力インピーダンスが0である。
3. 出力インピーダンスが0である。
4. 周波数帯域が直流から無限大までである。
5. 無信号入力のときの出力信号は0である。

問題 44 図の論理回路の真理値表で正しいのはどれか。
  

問題 45 図のブロック線図でY(s)を示すのはどれか。
  

画像工学エックス線撮影技術学、最初に戻る 

問題 46 増感紙-フィルム系のMTFいついて誤っているのはどれか。
a. スリット像は高鮮鋭な系ほど幅が狭い。
b. 倍数露光法はスリット像のすその強度変換に使用する。
c. チャート像は空間周波数が高いほどコントラストは低下する。
d. コルトマン補正を行うと補正前よりMTFは上昇する。
e. マイクロデンシトメータのピントがずれるとMTFは上昇する。
1. a,b 2. a,e 3. b,c 4. c,d 5. d,e

問題 47 エックス線画像の評価で正しいのはどれか。
a. 解像力(R)は1/(3d) cycles/mmである。(d:分離不能になった細線の幅)
b. RMS粒状度はフィルム濃度のバラツキを標準偏差で表している。
c. ROC解析は読影者間の能力の差を評価することができる。
d. エックス線撮影系のMTF評価では10 cycles/mmの特定空間周波数がよく用いられる。
e. 被写体のコントラストが上昇すれば解像力は低下する。
1. a,b  2. a,e  3. b,c  4. c,d  5. d,e

問題 48 エックス線写真の粒状性について誤っているのはどれか。
1. フィルムのガンマが大きいと小さい場合に比べて粒状が目立つ。
2. 増感紙のMTFが良いと悪い場合に比べて粒状が目立つ。
3. 高感度増感紙と低感度フィルムを組合せると粒状性が良い。
4. 粒状性は濃度によって変化する。
5. 低電圧撮影は高電圧撮影より粒状が目立つ。

問題 49 エックス線撮影において幾何学的不鮮鋭度である半影を表す式はどれか。 ただし、Fは焦点サイズ、lは被写体間距離、mは被写体フィルム間距離とする。 
1. l×m×F
2. (m/l)×F
3. (l/m)×F
4. (m/l)×(1/F)
5. (l/m)×(1/F)

問題 50 写真コントラストに関連の少ない因子はどれか。
1. 管電流
2. エックス線の線質
3. グリッド
4. 散乱線
5. 現像条件

問題 51 CRのイメージングプレートについて誤っているのはどれか。
1. 撮影前は遮光が必要である。
2. 鮮鋭度は読み取り画素密度に左右される。
3. 一度記録した画像情報を消去して再度撮影することができる。
4. 大線量ほどSN比のよい画像が得られる。
5. 輝尽性蛍光体を用いる。

問題 52 非鮮鋭マスク(unsharp mask)処理について正しいのはどれか。
a. ヨードの吸収端を利用した処理法である。
b. 非鮮鋭マスクの効果は特に低線量撮影画像に対して有効である。
c. 非線形処理を行うことによってノイズを減少できる。
d. 強調周波数はマスクサイズによって影響を受ける。
e. 周波数処理は周波数ランク、タイプ、強調度によって行われる。
1. a,b,c 2. a,b,e 3. a,d,e 4. b,c,d 5. c,d,e

問題 53 超音波検査について誤っているのはどれか。
1. 腎の検査は側背部から走査する。
2. 胆嚢の検査は空腹時に行う。
3. 膵尾部の描出は難しい。
4. 子宮の検査では膀胱を空にする。
5. 前立腺の検査は経直腸的走査がよい。

問題 54 正しいのはどれか。
a. 頭部概観単純正面像では下顎骨を含まなくてよい。
b. 膝関節の前方引き出し撮影は前十字靭帯断裂の診断に有効である。
c. 頭部エックス線規格撮影は歯科矯正に利用される。
d. 胸部高圧撮影は縦隔とそれに重なる疾患との診断に有効である。
e. 乳房撮影は管電圧を50〜60kVとする。
1. a,b,c 2. a,b,e 3. a,d,e 4. b,c,d 5. c,d,e

問題 55 撮影法と投影方向との組合せで正しいのはどれか。
1. ウォーターズ(Waters)法 --- 下方への投影
2. シュラー(Schüller)法 --- 上方への投影
3. ゾンネンカルプ(Sonnenkalb)法 --- 上方への投影
4. 鼻骨側面撮影 --- 下方への投影
5. タウン(Towne)法 --- 上方への投影

問題 56 胸部撮影に関して正しいのはどれか。
1. 低電圧撮影が多用される。
2. 第二斜位は右前斜位で撮影する。
3. 胸水の貯留を調べるために側臥位前後撮影が行われる。
4. 第二斜位でホルツクネヒト腔が描出される。
5. 肺野の最適写真濃度は3.0程度である。

問題 57 グレーデル法に関連のあるのはどれか。
1. 被写体からの散乱線の発生が少なくなる。
2. 焦点と被写体との距離は約15cmにする。
3. コントラストの向上が期待できる。
4. 像が縮小する。
5. 四肢骨の撮影に効果的である。

問題 58 正しい組合せはどれか。
a. 胃 --- 二重造影撮影
b. 咽頭 --- 低電圧撮影
c. 甲状腺 --- 高電圧撮影
d. 下顎骨 --- パノラマ撮影
e. 内耳道 --- スパイラル断層撮影
1. a,b,c 2. a,b,e 3. a,d,e 4. b,c,d 5. c,d,e

問題 59 二重造影法を用いる部位はどれか。
a. 大腸
b. 気管支
c. 膵管
d. 膀胱
e. 膝関節
1. a,b,c 2. a,b,e 3. a,d,e 4. b,c,d 5. c,d,e

問題 60 胃の造影検査法で正しいのはどれか。
a. 立位充満正面像では前壁がよく描出される。
b. 圧迫撮影は穹窿部の描出に有効である。
c. 前壁薄層法の体位は腹臥位がよい。
d. 半臥位第二斜位二重造影法は噴門部から穹窿部がよく描出される。
e. 腹臥位充満正面像では十二指腸球部が描出できない。
1. a,b 2. a,e 3. b,c 4. c,d 5. d,e 

問題 61 胆嚢造影検査について正しいのはどれか。
1. 通常は腹臥位第一斜位で撮影する。
2. 経口法では造影剤内服後4〜5時間で撮影する。
3. 黄疸があると造影されやすい。
4. 経静脈法では静注後30〜60分で造影される。
5. 腸管ガス像は診断の妨げにならない。

問題 62 腹腔動脈撮影で描出できないのはどれか。
1. 脾動脈
2. 胃十二指腸動脈
3. 総肝動脈
4. 腎動脈
5. 背膵動脈

問題 63 血管塞栓術で誤っている組合せはどれか。
1. 腎出血 --- 腎動脈
2. 骨盤骨折 --- 内腸骨動脈
3. 肝細胞癌 --- 門脈本幹
4. 喀血 --- 気管支動脈
5. 食道静脈瘤 --- 左胃静脈

問題 64 超音波画像と関係ないのはどれか。
1. サイドローブ
2. 化学シフト
3. 多重反射
4. 音響陰影
5. 外側陰影

問題 65 らせんCTの特徴で誤っているのはどれか。
1. エックス線管への負荷が少ない。
2. 短時間に広い範囲のスキャンができる。
3. 患者の体動によるアーチファクトを軽減できる。
4. 3次元画像が得られる。
5. 任意の断層面の画像再構成ができる。

問題 66 健常人でCT値が最も高いのはどれか。
1. 脂肪
2. 脳脊髄液
3. 血液
4. 甲状腺
5. 肝臓

問題 67 誤っている組合せはどれか。
1. MR検査 --- 脳機能情報
2. 超音波検査 --- 神経伝達情報
3. エックス線CT --- 形態情報
4. PET --- 代謝情報
5. サーモグラフィ --- 温度情報

問題 68 検査法と部位との組合せで誤っているのはどれか。
1. PTC --- 卵管
2. ERCP --- 膵管
3. DIC --- 胆管
4. DIP --- 腎盂
5. UG --- 尿道

問題 69 MRIについて正しいのはどれか。
a. 高濃度の蛋白質を含む液体はT1強調画像で高信号となる。
b. 造影剤としてヨードを用いる。
c. グラジエントエコーはスピンエコーより磁化率の影響を受けにくい。
d. 高磁場になると化学シフトの影響が少ない。
e. TRとTEとを長くするとT2強調画像になる。
1. a,b 2. a,e 3. b,c 4. c,d 5. d,e

問題 70 無散瞳眼底カメラ撮影で眼底の照明に用いられるのはどれか。
1. 紫外線
2. 青色光
3. 黄色光
4. 赤色光
5. 赤外線

放射線計測学、最初に戻る

問題 71 3.09 MeVのγ線を放出する試料のエネルギースペクトルをNaI(Tl)シンチレーション検出器で測定した。 エスケープピークに相当するのはどれか。 
a. 0.51 MeV
b. 1.02 MeV
c. 2.07 MeV
d. 2.58 MeV
e. 3.09 MeV
1. a,b 2. a,e 3. b,c 4. c,d 5. d,e

問題 72 熱ルミネセンス線量計(TLD)と関連のないのはどれか。
1. フェーディング
2. アニーリング
3. 超直線性
4. グロー曲線
5. エネルギー分解能

問題 73 誤っている組合せはどれか。
1. フィルムバッジ --- AgBr
2. レムカウンタ --- BF3
3. GM計数管 --- CaSO4(Tl)
4. シンチレータ --- CsI(Tl)
5. 半導体検出器 --- Ge(Li)

問題 74 試料を3分間測定したところ3,000カウントであった。バックグラウンドは15分間測定して600カウントであった。 試料のcpmを求める式はどれか。 



問題 75 検出効率が70%のウエル形シンチレーション検出器で1分間測定して4,200カウントを得た。放射能は何Bqか。
1. 20
2. 70
3. 100
4. 3,500
5. 4,200

問題 76 治療用高エネルギーエックス線のエネルギー範囲において変化しないのはどれか。
1. W値
2. 基準深
3. 校正深
4. 吸収線量変換係数
5. 照射野係数

問題 77 治療用ファントム材料として用いられるのはどれか。
a. ガラス
b. 鉄
c. 水
d. アクリル
e. ポリスチレン
1. a,b,c 2. a,b,e 3. a,d,e 4. b,c,d 5. c,d,e

問題 78 電離箱線量計のイオン再結合補正係数について正しいのはどれか。
a. 電極間隔に依存する。
b. 電離密度に依存する。
c. 電極間の印可電圧が関係する。
d. 連続放射線では考慮しない。
e. イオン収集効率に比例する。
1. a,b,c 2. a,b,e 3. a,d,e 4. b,c,d 5. c,d,e

問題 79 高エネルギー電子線の吸収線量の測定について誤っているのはどれか。
1. コバルト校正定数を使う。
2. イオン再結合補正を行う。
3. 深さによって吸収線量変換係数が異なる。
4. 深さによらずエネルギースペクトルが一定である。
5. 平均入射エネルギーは線量半価深から求められる。

問題 80 誤っている組合せはどれか。
1. ガスフロー計数管 --- 電離
2. フリッケ線量計 --- 酸化
3. BGO検出器 --- 発光
4. 蛍光ガラス線量計 --- 飛跡
5. チェレンコフ検出器 --- 分極

問題 81 正しいのはどれか。
a. ブラッグ・グレイの空洞原理は吸収線量の測定に用いる。
b. 空気の吸収線量は空気のW値と照射線量の積に比例する。
c. 吸収線量の単位はJ/m3である。
d. 照射線量は直接電離放射線に用いられる。
e. 中性子線は間接電離放射線である。
1. a,b,c 2. a,b,e 3. a,d,e 4. b,c,d 5. c,d,e

問題 82 正しい組合せはどれか。
a. 衝突阻止能 --- J・kg-1・m2
b. カーマ --- J・kg-1
c. 質量エネルギー吸収係数 --- J・kg・m2
d. (粒子)フルエンス --- m-3
e. 壊変定数 --- s-1
1. a,b,c 2. a,b,e 3. a,d,e 4. b,c,d 5. c,d,e

問題 83 誤っているのはどれか。
1. 熱ルミネセンス線量計(TLD)は照射された物質が放出する熱を利用する。
2. 半導体検出器は放射線によって生成された電子空孔対を利用する。
3. ポケット線量計は電離を利用する。
4. バブルディテクタは中性子の検出に用いられる。
5. BF3計数管は10B(n,α)7Li反応を利用する。

問題 84 治療用高エネルギーエックス線のエネルギー校正法はどれか。
a. 組織ピーク線量比(組織最大線量比)が0.7になる深さを用いる方法
b. 表面吸収線量による方法
c. 散乱係数による方法
d. 照射野係数による方法
e. ピーク深と深さ10cm及び20cmでの測定による方法
1. a,b 2. a,e 3. b,c 4. c,d 5. d,e

問題 85 液体シンチレーション検出器について正しいのはどれか。
a. 3H試料は90%以上の計数効率で測定できる。
b. 32P試料の測定はできない。
c. 2本の光電子増倍管が用いられている。
d. 同時計数回路を有する。
e. 光電子増倍管とシンチレータとが密着する。
1. a,b 2. a,e 3. b,c 4. c,d 5. d,e

放射線管理学、最初に戻る

問題 86 診療エックス線技師法が制定されたのはいつか。
1. 昭和10年より前
2. 昭和10年代
3. 昭和20年代
4. 昭和30年代
5. 昭和40年代

問題 87 診療放射線技師の免許が無条件で取り消されるのはどれか。
a. 耳が聞こえなくなったとき
b. 口がきけなくなったとき
c. 色盲になったとき
d. 精神障害になったとき
e. 診療放射線業務に関して犯罪行為があったとき
1. a,b 2. a,e 3. b,c 4. c,d 5. d,e 

問題 88 診療放射線技師法で規定する放射線はどれか
a. アルファ線
b. ベータ線
c. 中性子線
d. 10万電子ボルトのエネルギーを有する電子線
e. エックス線
1. a,b,c 2. a,b,e 3. a,d,e 4. b,c,d 5. c,d,e

問題 89 診療用高エネルギー放射線発生装置を備える場合の届出事項でないのはどれか。
1. 病院又は診療所の名称及び所在地
2. 装置の制作者名、型式及び台数
3. 装置の定格出力
4. 1日当たりの予想患者数
5. 装置を使用する医師、歯科医師又は診療放射線技師の氏名及び放射線診療に関する経歴

問題 90 1cm線量当量の限度について正しい組合せはどれか。
a. エックス線診療室の外側 --- 1 mSv/週
b. 病室に収容された患者の被爆 --- 250 μSv/週
c. 放射性同位元素使用室の外側 --- 10 mSv/週
d. 病院又は診療所の敷地の境界 --- 1.3 mSv/週
e. 管理区域の境界 --- 300 μSv/週
1. a,b 2. a,e 3. b,c 4. c,d 5. d,e 

問題 91 集中治療室(ICU)で一時的に使用が認められているのはどれか。
a. 67Ga
b. 131I
c. 123I
d. 99mTc 
e. 201Tl
1. a,b,c 2. a,b,e 3. a,d,e 4. b,c,d 5. c,d,e 

問題 92 放射線障害防止法に規定される放射線業務従事者に対する健康診断について誤っているのはどれか。
1. 初めて管理区域に立ち入る前に行う。
2. 管理区域に立ち入った後には1年を超えない期間ごとに行う。
3. 放射性同位元素を誤って経口摂取したときは遅滞なく行う。
4. 実効線量当量限度を超えて被爆したときは遅滞なく行う。
5. 前年度の線量当量が実効線量当量限度を超えなかったときは省略できる。

問題 93 放射線防護について誤っているのはどれか。
1. 放射性医薬品を取り扱うときは鉛入り手袋を用いる。
2. 大量のβ線放出核種ではガラス容器に入れたあと鉛容器に入れる。
3. γ線による被曝線量は線源からの距離の2乗に反比例する。
4. 低線量率治療用密封小線源を取り扱うときには鉗子やピンセットを用いる。
5. 遺伝子の研究に用いるβ線の遮へいには1cm厚程度のアクリル板で十分である。

問題 94 正しい組合せはどれか。
a. 気体状の放射性物質測定 --- フロアモニタ 
b. 居住区域の空間線量率測定 --- 電離箱サーベイメータ 
c. 床面の汚染検査 --- GMサーベイメータ
d. 放射性同位元素を含む廃液の濃度測定 --- シンチレーション検出器
e. 個人の体内被曝線量測定 --- ハンドフットクロスモニタ
1. a,b,c 2. a,b,e 3. a,d,e 4. b,c,d 5. c,d,e 

問題 95 液体状の放射性同位元素の除染について誤っているのはどれか。
1. 汚染場所に人が立ち入らないための措置を行う。
2. 鉗子やピンセットを用いて汚染作業を行う。>
3. 汚染箇所をドライヤーで乾燥させる。
4. 除染作業者の被曝線量を監視する。
5. 短半減期核種の場合に減衰法を用いる。


午前の最初に戻る、   午後の最初に戻る
RETURN TO SUZUKI's HOME PAGE