RETURN TO SUZUKI'S HOME PAGE
診療放射線技師国家試験のページに戻る。

平成12年3月2日(2000.3.2)

第52回診療放射線技師国家試験問題

午前午後

午前:放射化学放射線機器工学放射線写真学放射性同位元素検査技術学放射線治療技術学基礎医学大要

午後:放射線生物学放射線物理学電気電子工学画像工学エックス線撮影技術学放射線計測学放射線管理学


Last modified 00-08-02
 なお、これは、完全版ではありません。解答につきましても、どうしても必要な方のみ鈴木昇一まで所属等はっきり示されて連絡ください。。ただし、解答は藤田保健衛生大学としてではなく、あくまでも鈴木の責任で行います。解答の責任は持ちかねます。ご了承願います。

第52回 放射線技師国家試験問題,午前



放射線技師国家試験問題,午前

放射化学,最初に戻る

問題 1. 連続エネルギー分布をもつものはどれか。
1. オージェ電子
2. 内部転換電子
3. 消滅γ線
4. 特性X線
5. 制動X線

問題 2. ジェネレータの親核種として用いられるのはどれか。 a. 81Rb b. 113Sn c. 68Ga d. 90Y e. 87Y 1. a,b,c 2. a,b,e 3. a,d,e 4. b,c,d 5. c,d,e 問題 3. 放射性核種の分離法で関係のある組合せはどれか。 a. 共沈法 --- スカベンジャ b. 溶媒抽出法 --- 分配比 c. ペーパークロマトグラフ法 --- Rf(移動比) d. イオン交換法 --- 保持担体 e. 電気泳動法 --- 半透膜 1. a,b,c 2. a,b,e 3. a,d,e 4. b,c,d 5. c,d,e 問題 4. γ線計測による中性子放射化分析の特徴で正しいのはどれか。 a. 検出感度が高い。 b. 精度が高い c. 元素の化学的性質に依存する。 d. 非破壊分析が可能である。 e. 多くの元素を同時に分析できる。 1. a,b,c 2. a,b,e 3. a,d,e 4. b,c,d 5. c,d,e 問題 5. 標識化合物の合成法で誤っているのはどれか。 1. 同位体交換法 2. ウィルツバッハ(Wilzbach)法 3. 化学合成法 4. ラジオコロイド法 5. 生合成法 問題 6. 同位体希釈分析法で誤っているのはどれか。 1. 不足当量法 2. イオン交換法 3. 二重希釈法 4. 逆希釈法 5. 直接希釈法 問題 7. ミクロオートラジオグラフィに使用されないのはどれか。 1. ストリップ法 2. 乳剤塗布法 3. コンタクト法 4. イメージングプレート法 5. マウント法 問題 8. 誤っている組合せはどれか。 1. 共沈法 --- 捕集剤 2. 溶媒抽出法 --- 有機溶媒 3. 蒸留法 --- 揮発性化合物 4. ジラード・チャルマーズ(Szilard-Chalmers)法 --- ホットアトム 5. ガスクロマトグラフ法 --- 蛍光体 問題 9. 物理的半減期が8日の標識化合物を投与し、経時的に放射能の体内残存率を測定した ところ、2日後は50%であった。生物学的半減期は何日か。 1. 0.6 2. 1.6 3. 2.7 4. 6 5. 10 問題 10. ^{210}Pb 3.7×10^{4} Bq が毎秒放出する光子数はいくらか。ただし、壊変形式は図に示すとおりである。[図] 1. 6.5×10^{3} 2. 7.4×10^{3} 3. 3.0×10^{4} 4. 3.7×10^{4} 5. 4.6×10^{4} 放射線機器工学,最初に戻る
問題 11. 診断用X線管について正しいのはどれか。 a. ターゲットから放射されるX線強度は陰極側より陽極側が弱い。 b. 焦点外X線の発生は固定陽極管より回転陽極管で多い。 c. ターゲット角度を小さくすれば短時間許容負荷が大きくなる。 d. 焦点の大きさは負荷条件によって変化しない。 e. 実焦点面積は実効焦点面積より小さい。 1. a,b,c 2. a,b,e 3. a,d,e 4. b,c,d 5. c,d,e 問題 12. 診断用X線管について正しいのはどれか。 1. 空間電荷電流は両極間電圧の2/3乗に比例する。 2. 高電圧で大電流ほど飽和電流で動作する。 3. 乳房撮影用X線管の電極間距離は一般撮影用より短い。 4. 三極X線管はコンデンサ式装置に用いられない。 5. 管電流は電極間距離の2乗に比例する。 問題 13. X線高電圧装置に関する、JIS規格について正しいのはどれか。 1. 12ピーク形装置の整流出力電圧は電源の半周期ごとに12のピークをもつ。 2. 定電圧形装置は出力管電圧のリプル百分率が7%を超えない装置である。 3. 撮影時間は管電圧波高値の87%の立上がりと立下がりとの間である。 4. 管電流の百分率平均誤差(PAE)は±10%以下である。 5. 変動係数(C)はX線出力の再現性を表す係数である。 問題 14. 無負荷時において1次電圧200Vで管電圧150kVを発生する単相2ピーク形X線高電圧装置がある。この装置で管電流200mA通電したときの1次電流は約何Aか。ただし、励磁電流は無視する。 1. 106 2. 118 3. 150 4. 166 5. 212 問題 15. インバータ式X線装置について正しいのはどれか。 1. 電源と同期させてX線の遮断を行う必要がない。 2. 方形波形装置はインバータ周波数を変化させて出力を制御する。 3. 変圧器の鉄損や絶縁を考慮する必要がない。 4. チョッパ回路は共振形装置に用いる。 5. インバータ回路は交流を直流の高電圧に変換する。 問題 16. イメージインテンシファイア(I.I.)について正しいのはどれか。 1. 入力窓にはアルミニウムが用いられている。 2. 変換係数は入射X線線量率を出力蛍光面の輝度で除した値である。 3. 入射面の視野が大きいほどひずみが小さくなる。 4. 出力蛍光面にはCsI:Na蛍光体が塗布されている。 5. 可変視野管では陽極電圧を変化させることにより視野を変えている。 問題 17. 誤っている組合せはどれか。 1. X線透視撮影装置 --- CCDカメラ 2. X線断層撮影装置 --- スパイラル軌道 3. 検診用胸部X線装置 --- スポットカメラ 4. 乳房撮影用X線装置 --- モリブデンフィルタ 5. 頭部規格撮影(セファロ)X線装置 --- 歯科矯正 問題 18. 散乱X線除去用グリッドについて正しいのはどれか。 1. コントラストを改善する目的で受像面の後に置く器具である。 2. グリッド密度はグリッド中心部1cm^{2}の鉛はくの重さである。 3. 集束距離は鉛はくの面の延長が集束する線からグリッドの射出面までの距離である。 4. 露出倍数は入射全X線強度と透過全X線強度との比である。 5. 選択度は全X線透過率に対する1次X線透過率の比である。 問題 19. コンピューテッドラジオグラフィ(CR)に関係ないのはどれか。 1. イメージングプレート 2. 光電子増倍管 3. レーザー管 4. A/D変換器 5. 増感紙付カセッテ 問題 20. X線CTの画像ノイズに関係ないのはどれか。 1. スライス厚 2. 入射X線量 3. 再構成関数 4. スキャン範囲 5. 再構成マトリックス数 問題 21. X線CTで正しい組合せはどれか。 a. パーシャルボリウム効果 --- スライス厚 b. ビームハードニング効果 --- カッピングアーチファクト c. 電子ビーム走査方式 --- スリップリング d. トランスレート/ローテート方式 --- 高速スキャン e. ヘリカルスキャン方式 --- 大容量X線管 1. a,b,c 2. a,b,e 3. a,d,e 4. b,c,d 5. c,d,e 問題 22. MRIについて誤っているのはどれか。 1. スライス厚は傾斜磁場の勾配で決まる。 2. 傾斜磁場コイルはX、Y、Z方向の3組からなる。 3. 超電導磁石は永久電流によって安定な磁場が得られる。 4. 表面コイルはS/N比を低下させる。 5. シミング(Shimming)により均一磁場が確保される。 問題 23. 超伝導MRI装置で液体ヘリウムに浸されているのはどれか。 1. 静磁場コイル 2. RFコイル 3. 傾斜磁場コイル 4. 表面コイル 5. サドルコイル 問題 24. 超音波検査について誤っているのはどれか。 1. 2〜10 MHz程度の周波数が用いられる。 2. リアルタイムの表示が可能である。 3. 周波数が高いと到達深度が深くなる。 4. 腸管ガスの影響を受けやすい。 5. ビーム方向に並んだ2点の識別能を距離分離能という。 問題 25. 放射線計測モジュールシステムに関係ないのはどれか。 1. リニアアンプ 2. プリアンプ 3. マイクロデンシトメータ 4. レートメータ 5. パルス波高分析器 問題 26. ガンマカメラの固有均一性試験中、視野の1か所に円形の欠損像が出現した。最も考えられるのはどれか。 1. 光電ピークエネルギー位置の設定ミス 2. エネルギー幅設定の過少 3. シンチレータの破損 4. コリメータの破損 5. 光電子増倍管の破損 問題 27. ガンマカメラの分解能で正しいのはどれか。 1. 感度が上がれば総合分解能も上がる。 2. 有効視野が大きいほど総合分解能が上がる。 3. 総合分解能は固有分解能よりも小さい。 4. 総合分解能は半値全幅(FWHM)で表す。 5. 固有分解能の測定に線線源を用いる。 問題 28. ガンマカメラの画像収集経路で正しいのはどれか。 1. コリメータ → 光電子増倍管 → シンチレータ → 位置計算回路 2. コリメータ → シンチレータ → 光電子増倍管 → 位置計算回路 3. シンチレータ → 光電子増倍管 → コリメータ → 位置計算回路 4. シンチレータ → コリメータ → 光電子増倍管 → 位置計算回路 5. 光電子増倍管 → シンチレータ → コリメータ → 位置計算回路 問題 29. リニアックの構成部品で誤っているのはどれか。 1. クライストロン 2. 電子銃 3. パルス変調器 4. 照射ヘッド 5. ドーナツ形加速管 問題 30. 放射線治療装置で誤っているのはどれか。 1. リニアックでは高周波電界により電子を加速する。 2. リニアックの偏向磁石はX線と電子線の分離を行う。 3. リニアックでは多分割絞りが用いられている。 4. マイクロトロンでは電子が円軌道で周回する。 5. サイクロトロンではディー(D)電極に加えられた高周波電界で荷電粒子を加速する。

放射線写真学,最初に戻る
問題 31. 写真効果 E=kIt^{p} で表される現象はどれか。ただし、kを定数、Iを光の強さ、tを露光時間、pをシュワルツシールド(Schwarzschild)の指数とする。 1. 潜像退行 2. 圧力効果 3. 相反則不軌 4. 隣接効果 5. 間欠効果 問題 32. 写真用薬品で誤っているのはどれか。 1. フェニドンは現像主薬である。 2. チオ硫酸アンモニウムは迅速定着液に用いられる。 3. 現像液のpHは定着液のpHより大きい。 4. 炭酸ナトリウムは保恒剤である。 5. 臭化カリウムは抑制剤である。 問題 33. 現像作用のあるのはどれか。 1. a,b,c 2. a,b,e 3. a,d,e 4. b,c,d 5. c,d,e 問題 34. 現像液中の亜硫酸ナトリウムの作用で正しいのはどれか。 1. かぶりの発生を抑制する。 2. 現像作用を著しく促進する。 3. 現像主薬の分解を防止する。 4. 乳剤膜の軟化を防止する。 5. 溶液中の酸素を還元除去する。 問題 35. 写真濃度について正しいのはどれか。 1. 全濃度から支持体着色濃度とかぶり濃度を引いたものを正味濃度という。 2. 特性曲線上の適正露光部の傾きをラチチュードという。 3. 間欠露光の方が連続露光より低濃度になることをアルバート効果という。 4. 過度の露光によって濃度が減少し画像が反転することをベクレル効果という。 5. 濃度0.3とは透過光が入射光の30%になることをいう。
放射性同位元素検査技術学,最初に戻る
問題 36. 視野32cmのガンマカメラで収集画素を64×64に設定したとき、画像に含まれる最高周波数(ナイキスト周波数)は何cycle/cmか。 1. 10 2. 5 3. 4 4. 3 5. 1 問題 37. SPECT画像の解析値に影響を与えないのはどれか。 1. 前処理フィルタ 2. 画像再構成フィルタ 3. 収集カウント 4. 吸収補正法 5. カラー表示法 問題 38. ガンマカメラの均一性試験法について正しいのはどれか。 1. ±15%の結果を得ることができれば良い。 2. 微分均一試験と積分均一試験とがある。 3. 計数率が高いほど良い結果が得られる。 4. 固有均一性試験では面線源を用いる。 5. 1画素あたり10カウントの収集を行う。 問題 39. コリメータの用途で正しい組合せはどれか。 a. ピンホールコリメータ --- 心筋シンチグラフィ b. ファンビームコリメータ --- 脳血流シンチグラフィ c. 高エネルギーコリメータ --- 副腎皮質シンチグラフィ d. 中エネルギーコリメータ --- 骨シンチグラフィ e. 低エネルギーコリメータ --- 脳槽シンチグラフィ 1. a,b 2. a,e 3. b,c 4. c,d 5. d,e 問題 40. SPECTがPETより優る点はどれか。 1. 臨床の場で使いやすい。 2. 分解能が高い。 3. 定量性がよい。 4. 感度が高い。 5. 被曝線量が少ない。 問題 41. 99Mo-99mTcジェネレータについて正しいのはどれか。 a. 娘核種は蒸留水で溶出する。 b. 親核種はカラムに吸着している。 c. 溶出操作をミルキングという。 d. 溶出約24時間後に再び平衡に達する。 e. 24時間ごとに溶出される^{99m}Tcの放射能は同量である。 1. a,b,c 2. a,b,e 3. a,d,e 4. b,c,d 5. c,d,e 問題 42. 腫瘍シンチグラフィに用いる薬剤はどれか。 a. 99mTc-MAG3 b. 67Ga-クエン酸ガリウム c. 201Tl-塩化タリウム d. 18F-FDG e. 123I-BMIPP 1. a,b,c 2. a,b,e 3. a,d,e 4. b,c,d 5. c,d,e 問題 43. 成人における投与量として適切でないのはどれか。 1. 111In-DTPAによる脳槽シンチグラフィ : 37 MBq 2. 99mTc-MDPによる骨シンチグラフィ : 740 MBq 3. 99mTc-DMSAによる腎シンチグラフィ : 185 MBq 4. 123I-IMPによる脳血流シンチグラフィ : 370 MBq 5. 201Tl-塩化タリウムによる心筋シンチグラフィ : 74 MBq 問題 44. 検査の前処理として正しい組合せはどれか。 a. 心筋血流シンチグラフィ --- 絶食 b. 腎動態シンチグラフィ --- 水分負荷 c. 肺血流シンチグラフィ --- 排尿 d. 甲状腺シンチグラフィ --- ルゴール投与 e. ガリウムシンチグラフィ --- 下剤投与 1. a,b,c 2. a,b,e 3. a,d,e 4. b,c,d 5. c,d,e 問題 45. 誤っているの組合せはどれか。 1. 脳血流シンチグラフィ --- 静脈注射 2. 脳槽シンチグラフィ --- 腰椎穿刺 3. 肺換気シンチグラフィ --- 経気道投与 4. リンパ節シンチグラフィ --- 静脈注射 5. 骨髄シンチグラフィ --- 静脈注射 問題 46. 静脈注射後、糞便中に最も多く排出されるのはどれか。 1. 81mKr 2. 99mTc-PMT 3. 99mTc-MDP 4. 99mTc-MAA 5. 99mTc-MAG3 問題 47. 投与から撮像開始までの時間が最も長いのはどれか。 1. 脳血流シンチグラフィ 2. 肺換気シンチグラフィ 3. 肝シンチグラフィ 4. レノグラム 5. 副腎皮質シンチグラフィ 問題 48. 健常人で肝臓が描出されないのはどれか。 1. 99mTc-スズコロイド 2. 99mTc-フチン酸 3. 99mTc-ピロリン酸 4. 99mTc-PMT 5. 99mTc-GSA 問題 49. 甲状腺^{123}I摂取率が低下するのはどれか。 a. バセドウ病 b. 甲状腺腺腫 c. 亜急性甲状腺炎 d. 抗甲状腺剤投与中 e. 不充分なヨード制限 1. a,b,c 2. a,b,e 3. a,d,e 4. b,c,d 5. c,d,e 問題 50. 骨シンチグラフィの撮像法で正しいのはどれか。 1. 不安感を少なくさせるため撮像時に検出器を被検者から50cm離す。 2. 検査時間を短くするため投与放射能は出来るだけ多くする。 3. 膀胱内の放射能を減少させるため検査直後に排尿させる。 4. 心拍数を安定させるため検査中は深呼吸させる。 5. 楽な姿勢をとらせるため検査中は膝を曲げさせる。 問題 51. 病変部が陰性像となる組合せはどれか。 a. 脳腫瘍 --- 123I-IMP b. 副甲状腺腺腫 --- 99mTc-MIBI c. メッケル憩室 --- 99mTcO4- d. 肺塞栓 --- 99mTc-MAA e. 心筋梗塞 --- 201Tl-塩化タリウム 1. a,b,c 2. a,b,e 3. a,d,e 4. b,c,d 5. c,d,e 問題 52. 病変部が陽性像となる組合せはどれか。 a. 甲状腺癌 --- 201Tl-塩化タリウム b. 副腎皮質腺腫 --- 131I-アドステロール c. 骨腫瘍 --- 99mTc-MDP d. 肝癌 --- 99mTc-GSA e. 肺癌 --- 99mTc-MAA 1. a,b,c 2. a,b,e 3. a,d,e 4. b,c,d 5. c,d,e 問題 53. 治療用放射性薬剤に適している条件はどれか。 a. β線を放出する。 b. 目的臓器に特異的に集まる。 c. 目的臓器に長く停滞する。 d. 全身に広く分布する。 e. 物理的半減期が短い。 1. a,b,c 2. a,b,e 3. a,d,e 4. b,c,d 5. c,d,e 問題 54. ラジオイムノアッセイについて誤っているのはどれか。 1. B(bound)とF(free)との分離を行う。 2. 液体シンチレーションカウンタがよく使用される。 3. 抗原を放射性同位元素で標識する。 4. 試験管固相法では遠心分離器が不要である。 5. 免疫活性を測定している。 問題 55. 競合反応を利用した測定法はどれか。 a. RAST (radioallergosorbent test) b. RIA (radioimmunoassay) c. RRA (radioreceptor assay) d. CPBA (competitive protein-binding assay) e. IRMA (immunoradiometric assay) 1. a,b,c 2. a,b,e 3. a,d,e 4. b,c,d 5. c,d,e
放射線治療技術学,最初に戻る
問題 56. 各種体積の2次元的模式図である。正しいのはどれか。 1. (A)計画標的体積 --- (B)臨床標的体積 --- (C)照射体積 2. (A)照射体積 --- (B)計画標的体積 --- (C)臨床標的体積 3. (A)計画標的体積 --- (B)照射体積 --- (C)臨床標的体積 4. (A)臨床標的体積 --- (B)照射体積 --- (C)計画標的体積 5. (A)臨床標的体積 --- (B)臨床標的体積 --- (C)照射体積 問題 57. アクリル樹脂の密度(g/cm^{3})はどれか。 1. 0.98 2. 1.00 3. 1.18 4. 2.70 5. 11.34 問題 58. 誤っている略語はどれか。 1. 散乱ピーク線量比 : STD 2. 散乱空中線量比 : SAR 3. 深部量百分率 : PDD 4. 組織空中線量比 : TAR 5. 水空中照射線量比 : WAR 問題 59. 物理的半減期が最も短いのはどれか。 1. 60Co 2. 137Cs 3. 192Ir 4. 198Au 5. 226Ra 問題 60. 治療用密封小線源について正しいのはどれか。 1. 192Irは腔内照射には用いない。 2. 198Auはβ線を用いる。 3. 137Csは60Coよりγ線エネルギーが高い。 4. 226Raは現在広く用いられている。 5. 60Coは線源容器によってβ線を遮へいしている。 問題 61. 均質ファントムにおける等線量曲線の形状に関係ないのはどれか。 1. 線量率 2. 入射角度 3. エネルギー 4. 輪郭の形状 5. 照射野の大きさ 問題 62. 線量分布計算に関係ないのはどれか。 1. 斜入射 2. 大気補正 3. 不均質部 4. 軸外線量比 5. 楔状フィルタ 問題 63. 高エネルギーX線の深部線量曲線で入射エネルギーが低くなるにつれてみられるのはどれか。 1. 表面線量が少なくなる。 2. ピーク幅が広くなる。 3. ピーク深が深くなる。 4. 線量7割深が深くなる。 5. 20cm深/10cm深線量比が小さくなる。 問題 64. 誤っているのはどれか。 1. 後方散乱係数は線源表面距離に依存する。 2. MixDPの成分はパラフィン、ポリエチレン、酸化マグネシウム、酸化チタンおよび松ヤニである。 3. 吸収線量の等しい点を結んだ曲線を等線量曲線という。 4. 上顎癌の治療計画では眼球が要注意臓器である。 5. 照射によって生体に付与される全エネルギーを積分線量という。 問題 65. TNM分類について誤っているのはどれか。 1. Tは原発巣の進行度を表している。 2. Nはリンパ節転移の進行度を表している。 3. Mは腫瘍細胞分化の進行度を表している。 4. T1N0M0はT1N1M1より予後がよい。 5. 病期を決定するために必要である。 問題 66. 適切でない組合せはどれか。 1. ラジオサージャリ --- 皮膚癌 2. 組織内照射 --- 舌癌 3. 131I内用療法 --- 甲状腺癌 4. 術中照射 --- 膵癌 5. 腔内照射 --- 食道癌 問題 67. 適切でない組合せはどれか。 1. 上顎癌 --- 直行2門照射 2. 咽頭癌 --- 左右対向2門照射 3. 乳癌 --- 接線照射 4. 胃癌 --- 回転照射 5. 前立腺癌 --- 振子照射 問題 68. 根治的放射線治療が行われるのはどれか。 a. 食道癌 b. 胃癌 c. 腎癌 d. 結腸癌 e. 子宮頸癌 1. a,b 2. a,e 3. b,c 4. c,d 5. d,e 問題 69. 60Gy/30回/6週の外部照射で重篤な障害が発生する可能性が最も高いのはどれか。 1. 気管 2. 食道 3. 脊髄 4. 脊椎 5. 大動脈 問題 70. 放射線治療による局所制御率が最も低いのはどれか。 1. 神経膠芽腫 2. 上咽頭癌 3. 舌癌 4. 子宮頸癌 5. 悪性リンパ腫 問題 71. 小線源治療について誤っているのはどれか。 1. 高線量率では術者の被曝は避けられない。 2. 192Irは高線量率と低線量率とで用いられる核種である。 3. 外部照射より空間的線量分布に優れている。 4. 高線量率は低線量率より晩期の副作用が少ない。 5. 高線量率小線源治療は数回に分割して行う。 問題 72. 白血病の全身照射について誤っているのはどれか。 a. 骨髄移植の前処置として行う。 b. GVHD(移植片対宿主病)の防止が目的である。 c. 1回の照射に要する時間は1分前後である。 d. 総線量は12Gy/6回/3日が標準的である。 e. 副作用として間質性肺炎がある。 1. a,b 2. a,e 3. b,c 4. c,d 5. d,e 問題 73. 小児の悪性疾患で放射線治療の役割が最も少ないのはどれか。 1. 悪性リンパ腫 2. 骨肉腫 3. 急性リンパ性白血病 4. 髄芽腫 5. ウィルムス腫瘍 問題 74. 肺癌の放射線治療中の副作用はどれか。 a. 皮膚発赤 b. 咳嗽(せき) c. 不整脈 d. 下痢 e. 嚥下困難 1. a,b,c 2. a,b,e 3. a,d,e 4. b,c,d 5. c,d,e 問題 75. 乳癌について正しいのはどれか。 a. 腋窩リンパ節転移は予後に影響しない。 b. 乳房温存療法と乳房切除術との生存率に差はない。 c. 多発性脳転移には全脳照射が行われる。 d. 疼痛を伴う骨転移は放射線治療の適応である。 e. ホルモン治療は行われない。 1. a,b,c 2. a,b,e 3. a,d,e 4. b,c,d 5. c,d,e
要基礎医学大要,最初に戻る
問題 76. 脳死体からの臓器移植について正しいのはどれか。 1. 脳死とは植物状態のことである。 2. 全死亡者のうち脳死となるのは1%未満である。 3. 我が国では臓器提供に家族の同意は必要ない。 4. 心臓は腎臓より摘出後の阻血許容時間が長い。 5. 欧米ではドナー過剰となっている。 問題 77. 生活習慣病でないのはどれか。 1. 歯周病 2. インスリン非依存型糖尿病 3. アルコール性肝疾患 4. モヤモヤ病 5. 肥満 問題 78. 先天性疾患でないのはどれか。 1. パーキンソン病 2. ダウン症候群 3. 口蓋裂 4. 胆道閉鎖症 5. 多発性嚢胞腎 問題 79. 関係のある組合せはどれか。 a. 膀胱 --- 移行上皮細胞 b. 甲状腺 --- ろ胞上皮細胞 c. 肝臓 --- クッパー細胞 d. 胸腺 --- 杯細胞 e. 脾臓 --- 印環細胞 1. a,b,c 2. a,b,e 3. a,d,e 4. b,c,d 5. c,d,e 問題 80. 内分泌腺はどれか。 a. 甲状腺 b. 耳下腺 c. 乳腺 d. 膵臓 e. 精巣 1. a,b,c 2. a,b,e 3. a,d,e 4. b,c,d 5. c,d,e 問題 81. 正しい組合せはどれか。 a. アドレナリン --- 血圧降下作用 b. ガストリン --- 胃酸分泌抑制作用 c. グルカゴン --- 血糖上昇作用 d. インスリン --- 血糖低下作用 e. グルココルチコイド --- 抗アレルギー作用 1. a,b,c 2. a,b,e 3. a,d,e 4. b,c,d 5. c,d,e 問題 82. 我が国の年齢調整死亡率で近年低下傾向にあるのはどれか。 a. 胃癌 b. 肺癌 c. 前立腺癌 d. 大腸癌 e. 子宮頸癌 1. a,b 2. a,e 3. b,c 4. c,d 5. d,e 問題 83. 我が国で発生率が最も高い小児がんはどれか。 1. 神経芽細胞種 2. ウィルムス腫瘍 3. 肝芽腫 4. 白血病 5. 非ホジキンリンパ腫 問題 84. 新生児集中治療室のポータブル撮影で行わないのはどれか。 a. 手の消毒 b. 防護衣の着用 c. 立位での胸部撮影 d. 保育器外での撮影 e. モニタやチューブ類の脱却 1. a,b,c 2. a,b,e 3. a,d,e 4. b,c,d 5. c,d,e 問題 85. MRIについて正しいのはどれか。 a. 血流を利用して血管を描出できる。 b. 急性期脳梗塞の診断に有用である。 c. 脳出血と脳梗塞との鑑別が可能である。 d. 石灰化の検出がX線CTより容易である。 e. 骨によるアーチファクトが多い。 1. a,b,c 2. a,b,e 3. a,d,e 4. b,c,d 5. c,d,e 問題 86. MRI用のガドリニウム造影剤で正しいのはどれか。 1. 静脈注射すると脳実質内に広く浸透する。 2. 増強効果はT1強調像よりT2強調像の方が評価しやすい。 3. 腎から排泄される。 4. 局所濃度が高いほど増強効果が強い。 5. 投与する水溶液の量はX線CT用のヨード造影剤とほぼ同じである。 問題 78. 健常人で正中にあるのはどれか。 a. トルコ鞍 b. 大脳鎌 c. 内耳道 d. 被殻 e. 松果体 1. a,b,c 2. a,b,e 3. a,d,e 4. b,c,d 5. c,d,e 問題 88. X線CTで高吸収を呈するのはどれか。 a. 急性硬膜外血腫 b. クモ膜嚢胞 c. 硬膜下水腫 d. 急性期脳梗塞 e. クモ膜下出血 1. a,b 2. a,e 3. b,c 4. c,d 5. d,e 問題 89. 脳脊髄液の流出経路はどれか。 1. 第三脳室 → 中脳水道 → 側脳室 → モンロー孔 → 第四脳室 2. 第三脳室 → 側脳室 → 中脳水道 → 第四脳室 → モンロー孔 3. 第四脳室 → 側脳室 → モンロー孔 → 第三脳室 → 中脳水道 4. 側脳室 → モンロー孔 → 第三脳室 → 中脳水道 → 第四脳室 5. 側脳室 → 中脳水道 → 第四脳室 → モンロー孔 → 第三脳室 問題 90. 眼底にないのはどれか。 1. 黄斑 2. 網膜 3. 角膜 4. 毛細血管 5. 視神経乳頭 問題 91. 正しいのはどれか。 1. 肺静脈分岐と気管支とは伴走する。 2. 左主気管支は食道より背側を走行する。 3. 肺の栄養血管は肺動脈のみである。 4. 左房は右心室より背側に存在する。 5. 奇静脈は肺静脈に合流する。 問題 92. 後腹膜腔にあるのはどれか。 1. 肝臓 2. 胃 3. 脾臓 4. 胆嚢 5. 膵臓 問題 93. 注腸整復術の適応となるのはどれか。 1. 嵌頓ヘルニア 2. 盲腸軸捻転症 3. S状結腸軸捻転症 4. 空腸空腸重積症 5. 回腸盲腸重積症 問題 94. ダグラス窩はどれか。 1. 直腸膀胱窩 2. 直腸子宮窩 3. 膀胱子宮窩 4. 内側鼠径窩 5. 膀胱上窩 問題 95. 腓骨と付着するのはどれか。 1. 前十字靭帯 2. 後十字靭帯 3. 外側側副靱帯 4. 内側側副靱帯 5. 膝蓋靱帯


第52回 放射線技師国家試験,午後


午前に戻る。
放射線生物学、最初に戻る

問題 1. 放射線による確定的影響で正しいのはどれか。
1. 防護の目標は発生確率の減少である。
2. しきい値がない。
3. 重症度に線量依存性がない。
4. 発生頻度に線量依存性がある。
5. 代表例は白血病である。
問題 2. ヒトの放射線障害について正しいのはどれか。 1. 遺伝的影響にはしきい値がある。 2. 脱毛は確率的影響である。 3. 赤血球より白血球に影響が大きい。 4. 放射線治療を受けた男性の子孫に奇形が増加する。 5. 確率的影響は高齢者ほど現れやすい。 問題 3. 0.2Gy被曝した25週の胎児に発生する可能性が最も高い障害はどれか。 1. 死亡 2. 精神発達遅延 3. 心臓奇形 4. 腸管奇形 5. 性器奇形 問題 4. 全身放射線被曝による腸管死について誤っているのはどれか。 1. 分裂している腺窩細胞の死が原因である。 2. 2週以内に死亡することが多い。 3. 10〜100Gyで起こる。 4. 骨髄細胞の障害は軽度である。 5. 前駆症状を伴う。 問題 5. X線と比べた陽子線の特徴で正しいのはどれか。 1. RBEが大きい。 2. OERが小さい。 3. SLD回復が小さい。 4. 細胞周期依存性が小さい。 5. 治療効果比は同等である。 問題 6. 放射線感受性について正しいのはどれか。。 1. 正常細胞では個人差はない。 2. 増殖のはやい細胞は高い。 3. 低酸素細胞は高い。 4. 乳癌は低い。 5. 抗癌剤の同時併用により低下する。 問題 7. 細胞周期について正しいのはどれか。 1. S期の細胞は放射線感受性が低い。 2. M期の細胞は温熱療法によく反応する。 3. S期とM期との間がG_{1}期である。 4. G0期の細胞は抗癌剤によく反応する。 5. 正常細胞にはG0期はない。 問題 8. 同一線量照射で障害が最も起こりにくいのはどれか。 1. 筋肉 2. 唾液腺 3. 肺 4. 小腸 5. 腎臓 問題 9. 放射線治療の早期障害はどれか。 1. 白内障 2. 肺線維症 3. 放射線脊髄炎 4. 皮膚潰瘍 5. 脱毛 問題 10. 異なる分割照射法の効果を比較するのに用いないのはどれか。 1. 部分耐容線量 2. α/βモデル 3. モンテカルロ法 4. NSD 5. TDF
放射線物理学、最初に戻る
問題 11. 電磁波について正しいのはどれか。 1. 電気振動と磁気振動の方向は互いに平行である。 2. 波および粒子の物理的性質をもつ。 3. 伝搬速度は電磁波によって異なる。 4. 波長は108〜1014mである。 5. X線およびγ線は他の電磁波よりエネルギーが低い。 問題 12. 制動放射線について誤っているのはどれか。 1. 全強度は管電圧の2乗に比例する。 2. X線強度(光子数×そのエネルギー)はターゲット物質中での相互作用数に比例する。3. 相互作用数は入射電子数に比例する。 4. 強度はターゲット物質の原子番号に比例する。 5. X線発生効率はターゲット物質の原子番号に比例する。 問題 13. X線管について誤っているのはどれか。 1. フィラメントは電流で加熱されることによって電子束を放出する。 2. 収束キャップはフィラメントから放出された電子を焦点に収束させる。 3. ターゲットは電子のエネルギーを制動放射線に変換させる。 4. ターゲットには融点の低い物質を用いる。 5. X線の焦点はできるだけ小さくする。 問題 14. 単位で誤っているのはどれか。 1. 吸収線量 : J/kg 2. カーマ : J/kg 3. 照射線量 : J/kg 4. 線量当量 : J/kg 5. 線エネルギー吸収係数 : 1/m 問題 15. 速さが1.8×108m/sの電子の運動エネルギーは電子静止質量の何倍か。 1. 0.25 2. 0.5 3. 0.75 4. 1 5. 1.25 問題 16. 電子(e-)と物質との相互作用で誤っているのはどれか。 1. 原子の励起または電離に消費されるエネルギーを衝突損失という。 2. 原子核のクーロン力で方向が曲げられ、制動放射線を放出する。 3. 電離によって放出される2次電子のうち、電離能力を持つ電子をδ線という。 4. 飛程の終端で消滅γ線を放出する。 5. 1keV以上の電子の空気に対するW値は約34eVである。 問題 17. 重荷電粒子線と物質との相互作用について正しいのはどれか。 1. 後方散乱は物質中の原子核との弾性散乱による。 2. 物質中での主なエネルギー損失過程は軌道電子との弾性散乱である。 3. 電離で放出される2次粒子はγ線である。 4. 平均飛程、外挿飛程および最大飛程は一致する。 5. 物質中を進んでいく間に粒子数は一定の割合で減少する。 問題 18. 中性子について正しいのはどれか。 1. 速中性子の遮蔽には鉛が有効である。 2. 238Uは熱中性子を捕獲して核分裂を起こす。 3. 質量阻止能は陽子と同じである。 4. 核スピン量子数は0である。 5. 熱中性子の速度は約2km/sである。 問題 19. 関係のない組合せはどれか。 1. 線形加速器 --- 波のり現象 2. サイクロトロン --- 一定周期 3. コッククロフト・ウォルトン形加速器 --- ディー(D) 4. シンクロトロン --- 一定円軌道 5. バンデグラフ加速器 --- タンデム形 問題 20. ヘリウムの原子核を2×106Vの電圧で加速するとき、原子核の得るエネルギーは何MeVか。 1. 1 2. 2 3. 4 4. 8 5. 16 問題 21. MRIの共鳴周波数を表す式はどれか。ただし、γは磁気回転比、H0は磁場の大きさとする。 1. γH0/2π 2. 2πH0/γ 3. H0/2πγ 4. γ/2πH0 5. 2πγ/H0 問題 22MRの対象とならない原子核はどれか。 1. 1H 2. 12C 3. 19F 4. 23N 5. 31P 問題 23. 超音波検査で正しいのはどれか。 1. 超音波は電磁波である。 2. 超音波は真空中を伝わる。 3. 連続ドップラーは距離分解能がある。 4. パルスドップラーは計測可能流速範囲の制限がない。 5. 圧電素子がプローブに使われる。 問題 24. X線撮影において散乱線除去に関係ないのはどれか。 1. リスホルムブレンデ 2. 平行グリッド 3. クロスグリッド 4. ウェッジフィルタ 5. ブッキーブレンデ 問題 25. 235Uの核分裂で生成率が高い核種の質量数はどれに近いか。 1. 85と150 2. 95と140 3. 105と130 4. 115と120 5. 117と118
電気電子工学、最初に戻る
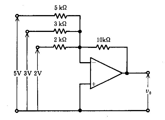
問題 26. 図の回路でC_{1}の端子電圧がAB間電圧の1/5であった。C_{1}を表す式で正しいのはどれか。[図] 1. 4C2 + 4C3 2. C2/5 + C3/5 3. 5/(C2 + C3) 4. 1/(5C2 + 5C3) 5. 6C2 + 6C3 問題 27. 導体の銅線の太さを3倍、長さを3倍にしたとき、電気抵抗は何倍になるか。 1. 0.33 2. 1.0 3. 1.33 4. 3.0 5. 9.0 問題 28. 4mHの自己インダクタンスに電流を流して0.2Jの電磁エネルギーを蓄えるには何Aの電流を流せばよいか。 1. 7.1 2. 10 3. 50 4. 100 5. 200 問題 29. 単位で誤っているのはどれか。 1. 電界の強さ : V/m 2. 誘電率 : F/m 3. 抵抗率 : Ω/m 4. 透磁率 : H/m 5. 磁界の強さ : A/m 問題 30. 図の回路において電流計の指示が0となる抵抗Rの値は何Ωか。[図] 1. 2 2. 3 3. 4 4. 6 5. 9 問題 31. 図の回路に流れる電流Iは何Aか。[図] 1. 2.5 2. 5 3. 10 4. 15 5. 20 問題 32. e1=100sin(ωt + π/6)〔V〕とe2=50sin(ωt - π/6)〔V〕の位相差は何radか。 1. 0 2. π/6 3. π/3 4. π/2 5. π 問題 33. 図の回路の合成インピーダンスは何Ωか。[図] 1. 0.1 2. 0.14 3. 7.1 4. 10 5. 12.5 問題 34. 図の回路に流れる電流は20Aであった。これらのR、L、Cを並列に同じ電源に接続したとき、電源より流出する電流は何Aか。[図] 1. 1 2. 2 3. 10 4. 20 5. 100 問題 35. 相等しい3個の抵抗を星形に結線し、これを線間電圧200Vの三相交流電源に接続したとき、10Aの線電流が流れた。1個の抵抗値は何Ωか。 1. 6.67 2. 11.5 3. 20.0 4. 34.6 5. 60.0 問題 36. 平衡三相負荷に200Vの対称三相電圧を加えたとき、全電力は2.4kW、全無効電力は3.2kvarであった。三相皮相電力は何kVAか。 1. 1.0 2. 1.3 3. 1.6 4. 2.8 5. 4.0 問題 37. 図(A)で表される電圧を図(B)のab間に加えたとき、流れる電流iの最大値は何Aか。[図] 1. 0.37 2. 0.63 3. 0.74 4. 1.26 5. 2.00 問題 38. オシロスコープについて誤っているのはどれか。 1. 電圧の時間的変化が直接観測できる。 2. 電力の時間的変化が直接観測できる。 3. リサージュ図形が描出できる。 4. 交流の周波数測定ができる。 5. のこぎり波状の電圧を水平偏向板に加える。 問題 39. 誤っている組合せはどれか。 a. 可動コイル形計器 --- 直流専用 b. 可動鉄片形計器 --- 交流専用 c. 電流力計形計器 --- 交直両用 d. 整流形計器 --- 直流専用 e. 熱電形計器 --- 交流専用 1. a,b 2. a,e 3. b,c 4. c,d 5. d,e 問題 40. SCRについて誤っているのはどれか。 1. 増幅作用がある。 2. アノード、カソード及びゲートの端子をもつ。 3. サイリスタの一種である。 4. スイッチング回路に使える。 5. pn接合を3個もつ。 問題 41. 誤っているのはどれか。 a. ダイオードは整流作用をもつ。 b. ホトダイオードは逆方向の電圧を加えて光を当てると発光する。 c. pn接合の空乏層は順方向の電圧を加えると増大する。 d. 半導体は温度が上がると抵抗値が低下する。 e. 発光ダイオードはpn接合に順方向の電流を流すと光を出す。 1. a,b 2. a,e 3. b,c 4. c,d 5. d,e 問題 42. 図の回路の出力電圧v0は何Vか。[図] 1. -30 2. -10 3. 2 4. 10 5. 30 問題 43. 論理式 AB+AC+A\bar{B}\bar{C}を簡単にしたとき、正しいのはどれか。 1. A + BC 2. BC 3. A 4. B 5. C 問題 44. 右図のようなゲート回路の端子AおよびBに、それぞれ下図のような信号を入力したとき、端子Cに現れる出力信号はどれか。ただし、信号源のインピーダンスは十分低いものとする。[図] 問題 45. フリップフロップ回路に関係するのはどれか。 1. 無安定マルチバイブレータ 2. 単安定マルチバイブレータ 3. 電源回路 4. 計数回路 5. 直列共振回路
画像工学エックス線撮影技術学、最初に戻る
問題 46. スリット法を用いた増感紙−フィルム系のMTF測定で誤っているのはどれか。 1. スリットの幅は10μm程度が用いられる。 2. 截断誤差(truncation error)を補正するため濃度の異なるスリット像を撮影する。 3. スリット像の濃度をX線強度に変換するため特性曲線が用いられる。 4. スリット像を撮影する際に増感紙−フィルム系とスリットを離す。 5. スリット像の線像強度分布は増感紙−フィルム系に依存する。 問題 47. X線フィルムの特性曲線について正しいのはどれか。 1. 出力は相対露光量の対数値である。 2. 形は増感紙に影響されない。 3. 形は現像条件に影響されない。 4. 傾きの積分値からグラディエント曲線が求められる。 5. ROC解析のために必要である。 問題 48. 写真コントラストに関係が少ないのはどれか。 1. 物質の線減弱係数 2. 管電流 3. フィルムの種類 4. 物質の厚さ 5. 写真処理 問題 49. 50μmのX線管の焦点を用いて5倍拡大撮影を行ったときの半影は何mmか。 1. 0.02 2. 0.05 3. 0.2 4. 0.5 5. 2 問題 50. 撮影距離(SID)d_{1}において管電流iでX線撮影を行ったところ最適な写真濃度が得られた。撮影距離をd_{2}に変更したとき、同じ写真濃度を得るために必要な管電流を表す式はどれか。 問題 51. 散乱X線除去用グリッドの性能を表すグリッド比の式はどれか。ただし、Dは鉛はくの間隔、hは鉛はくの高さとする。 1. h/D 2. D/h 3. D/(D+h) 4. h/(D+h) 5. (D+h)/Dh 問題 52. DSAについて誤っているのはどれか。 1. 増感紙−フィルム系よりコントラスト分解能が優れている。 2. 時間サブトラクションが利用できる。 3. 画像処理が容易である。 4. 腸内ガスの移動がアーチファクトになる。 5. バリウム造影剤が使用される。 問題 53. 高感度記録系が使用されるのはどれか。 a. 副鼻腔撮影 b. 胸部撮影 c. 乳幼児の股関節撮影 d. 胎児撮影 e. 下肢撮影 1. a,b 2. a,e 3. b,c 4. c,d 5. d,e 問題 54. フィルムに到達する散乱線が増加するのはどれか。 1. 乳房の全体圧迫撮影からスポット撮影にする。 2. 半切サイズの腹部撮影から膀胱部に限定した撮影にする。 3. 高圧撮影から低圧撮影にする。 4. グレーデル法で被写体とフィルムの間の距離を小さくする。 5. ポータブル撮影で低格子比グリッドから高格子比グリッドにする。 問題 55. ドイツ水平線とOM線との角度について最も近いのはどれか。 1. 0度 2. 10度 3. 20度 4. 30度 5. 40度 問題 56. 撮影方向と部位の組合せで正しいのはどれか。 1. 頸椎RPO --- 左椎間孔 2. 胸鎖関節RAO --- 左胸鎖間接 3. 肩関節腔LPO --- 右肩関節 4. 腰椎LPO --- 右椎間関節 5. 仙腸関節RPO --- 右仙腸関節 問題 57. 尿路血管用ヨード造影剤で正しいのはどれか。 1. 非イオン性ダイマーが多い。 2. 血漿より浸透圧が低い。 3. 脳血液関門を通過しない。 4. 肝臓で代謝される。 5. 胆道系に排泄されない。 問題 58. 正しい組合せはどれか。 a. ステンバース(Stenvers)法 --- 内耳道 b. タウン(Towne)法 --- 視神経管 c. フラックスマン(Flaxman)法 --- トルコ鞍 d. ウォータース(Waters)法 --- 上顎洞 e. コールドウエル(Caldwell)法 --- 前頭洞 1. a,b,c 2. a,b,e 3. a,d,e 4. b,c,d 5. c,d,e 問題 59. 胸部高電圧X線撮影が有用なのはどれか。 a. 気管分岐部の描出 b. 心陰影に重なる肺野の描出 c. 肋骨の描出 d. 乳房の描出 e. 皮膚線量の減少 1. a,b,c 2. a,b,e 3. a,d,e 4. b,c,d 5. c,d,e 問題 60. 乳房撮影について誤っているのはどれか。 1. 両面増感紙−両面乳剤フィルムが用いられる。 2. フィルタの厚さは30μm程度である。 3. モリブデンターゲットが使用される。 4. 圧迫撮影が行われる。 5. 管電圧は30kV前後が使用される。 問題 61. Guthmann法による骨盤計測で恥骨結合の後面中央の最突出部と岬角とを結ぶのはどれか。 1. 産科学的真結合線 2. 解剖学的真結合線 3. 骨盤出口後縦径 4. 外結合線 5. 骨盤峡縦径 問題 62. 正しいのはどれか。 1. 胸部の断層撮影は円軌道を用いる。 2. 心肺係数(CTR)は体位に影響されない。 3. 立位撮影のX線管移動距離は撮影距離の20%が標準である。 4. 直接拡大撮影は通常3〜4倍までとする。 5. 右胸水の検出には左側臥位正面撮影を行う。 問題 63. DIPで正しいのはどれか。 a. 検査直前には排尿させない。 b. 造影剤は10〜15分かけて注入する。 c. 造影剤注入開始5分後から撮影する。 d. 通常は腹臥位で撮影する。 e. 最後に立位圧迫撮影をする。 1. a,b 2. a,e 3. b,c 4. c,d 5. d,e 問題 64. IVRについて誤っている組合せはどれか。 1. 肝細胞癌 --- 動脈塞栓術 2. 胆管癌 --- ステント留置 3. 肝膿瘍 --- 経皮的ドレナージ 4. 腎血管性高血圧 --- 血管拡張術 5. 骨盤骨折 --- エタノール注入 問題 65. 正しいのはどれか。 1. 経皮的腎痩造影はDIPを併用する。 2. 腸重積では二重造影の注腸を行う。 3. 経皮的肝胆管造影は胆嚢底部を穿刺する。 4. 胃前壁二重造影はヒップアップ(頭低位)にする。 5. 気管および気管支にはステントは用いない。 問題 66. ダイナミックCTの造影早期に濃染するのはどれか。 1. 肝嚢胞 2. 肝門部リンパ節 3. 大動脈 4. 脾静脈 5. 腎髄質 問題 67. ヘリカルCTの特徴で誤っているのはどれか。 1. テーブルを移動させながら撮影する。 2. 鮮明な三次元画像が得られる。 3. 一回の呼吸停止で広範囲のスキャンができる。 4. 連続的にダイナミックCTができる。 5. X線管への負荷が少ない。 問題 68. 誤っている組合せはどれか。 1. 脳内出血 --- functional MRI 2. 肝腫瘍 --- dynamic MRI 3. 総胆管結石 --- MRCP 4. 胸部大動脈瘤 --- MR angiography 5. 腰椎椎間板ヘルニア --- MR myelography 問題 69. MRIのS/N比で正しいのはどれか。 1. FOV(field of view)が小さいほど高い。 2. スライス厚が薄いほど高い。 3. TEが長いほど高い。 4. マトリックスが大きいほど高い。 5. TRが短いほど高い。 問題 70. 超音波検査で診断が困難なのはどれか。 1. 新生児水頭症 2. 間質性肺炎 3. 急性胆嚢炎 4. 水腎症 5. 卵巣腫瘍 放射線計測学、最初に戻る
問題 71. ^{3}Hの放射能測定に最適なのはどれか。 1. 電離箱 2. 液体シンチレーションカウンタ 3. NaI(Tl)シンチレーションカウンタ 4. TLD 5. 化学線量計 問題 72. GM計数管で測定したところ、ある物理量がAとBとの積で与えられるとき、その物理量を表す式はどれか。 1. A×B±A×B×(√A+√B) 2. A×B±A×B×√(A+B) 3. A×B±A×B×√(A2+B2) 4. A×B±A×B×√(1/A + 1/B) 5. A×B±A×B×√(1/A2 + 1/B2) 問題 73. 光電子増倍管で正しいのはどれか。[図] 1. (A)集束電極 --- (B)アルミニウム被膜 --- (C)透明光電面 2. (A)集束電極 --- (B)透明光電面 --- (C)アルミニウム被膜 3. (A)透明光電面 --- (B)アルミニウム被膜 --- (C)集束電極 4. (A)透明光電面 --- (B)集束電極 --- (C)アルミニウム被膜 5. (A)アルミニウム被膜 --- (B)透明光電面 --- (C)集束電極 問題 74. ^{60}Coのエネルギースペクトルを測定すると2.5MeVにピークがあった。これは何か。 1. 後方散乱ピーク 2. エスケープピーク 3. コンプトンエッジ 4. サムピーク 5. 光電ピーク 問題 75. 半導体検出器はどれか。 a. 円筒集束形 b. ベネチアン・ブラインド形 c. 高純度形 d. 表面障壁形 e. グリッド付箱形 1. a,b 2. a,e 3. b,c 4. c,d 5. d,e 問題 76. 定位放射線治療の線量測定で正しいのはどれか。 a. 電離箱は小さい方がよい。 b. フィルムは検出器として用いられない。 c. 側方電子平衡は無視できる。 d. 照射野係数の測定が必要である。 e. 組織最大線量比の測定が必要である。 1. a,b,c 2. a,b,e 3. a,d,e 4. b,c,d 5. c,d,e 問題 77. 電離箱を用いた吸収線量の測定に最も関係の少ないのはどれか。 1. W値 2. 湿度 3. 線量率 4. 印加電圧 5. 電離箱の半径 問題 78. 線量測定にフィルムを用いる場合で誤っているのはどれか。 1. 方向依存性は無視できる。 2. 現像処理条件を一定にする。 3. 乳剤ロッド番号が同じものを使う。 4. 濃度を線量に変換する。 5. 照射から現像までの時間を一定にする。 問題 79. 電離箱線量計による測定に用いる積層ファントムで考慮しないのはどれか。 1. 色 2. 湿度 3. 材質 4. 大きさ 5. 平坦性 問題 80. TLDについて誤っているのはどれか。 1. 素子の種類によって適正な線量域がある。 2. 被曝線量の測定に用いる。 3. アニーリングの方法により測定値が異なる。 4. 照射から測定までの時間を一定にする。 5. 落下や摩擦に対して強い。 問題 81. 吸収板の質量減弱係数が0.46cm2/gのときの半価層は何cmか。ただし、吸収板の密度は8.96g/cm3、loge2=0.693とする。 1. 0.051 2. 0.121 3. 0.168 4. 0.243 5. 1.51 問題 82. 3.7×106Bqの線源から空気中で1m離れた位置におけるエネルギーフルエンス率(J・m-2・S-1)はいくらか。ただし、線源は1壊変に1.06×10-13Jのγ線 を100%の割合で放出し、また、空気の影響は無視する。 1. 5.20×10-16 2. 3.12×10-14 3. 3.12×10-8 4. 1.95 5. 1.95×1011 問題 83. ブラッグ・グレイの空洞原理に基づく物質の吸収線量Dmを表す式はどれか。ただし、SmとSgはそれぞれ物質と気体の質量衝突阻止能、Wgは1個のイオン電子対が作られるのに必要なエネルギー、Jgは気体の単位質量当たりの生成電荷量、eは電気素量であ る。 1. Sm/Sg ・ Jg/e ・ Wg 2. Sg/Sm ・ Jg/e ・ Wg 3. Sm/Sg ・ Jg/Wg ・ e 4. Sm ・ Sg ・ Jg/Wg ・ e 5. Sm/Sg ・ Wg ・ Jg ・ e 問題 84. 電離箱について正しいのはどれか。 a. 電離箱が小さいほど感度は高い。 b. ファントム中で指頭形電離箱の測定の実行中心は幾何学的中心とする。 c. ビルドアップキャップは2次電子平衡をもたらす。 d. シャロー形電離箱は表面近傍の吸収線量の測定に用いられる。 e. 印加電圧が高いほど一般イオン再結合は少ない。 1. a,b,c 2. a,b,e 3. a,d,e 4. b,c,d 5. c,d,e 問題 85. 図はα線とβ線の混在した試料を一つの比例計数管により測定した場合の印加電圧と計数率の関係を示している。\maru{イ}のプラトー域の計数率に対応するのはどれ か。 1. α線 2. β線 3. α線とβ線の和 4. α線とβ線の差 5. バックグラウンド 放射線管理学、最初に戻る

問題 86. 診療放射線技師法で正しいのはどれか。 a. 規定されている「放射線」には中性子線が含まれる。 b. 磁気共鳴画像診断装置を扱うことができる。 c. 業務上知り得た人の秘密は守らねばならない。 d. 業務上の不正行為は免許取得の相対的欠格事由である。 e. 免許証の再交付を受けた後、失った免許証を発見した場合は、これを直ちに破棄する。 1. a,b,c 2. a,b,e 3. a,d,e 4. b,c,d 5. c,d,e 問題 87. 病院または診療所の管理者が設置前に都道府県知事に届け出なければならないのはどれか。 a. 診療用高エネルギー放射線発生装置 b. 診療用X線CT装置 c. 診療用MRI装置 d. 診療用超音波装置 e. 診療用放射線照射器具 1. a,b 2. a,e 3. b,c 4. c,d 5. d,e 問題 88. 在宅医療におけるX線検査で正しいのはどれか。 a. 患者の透視検査ができる。 b. 撮影者は0.1mm鉛当量の防護衣を着用する。 c. 撮影時に家族を患者から1m離す。 d. 歯科口腔内撮影の実施に際しては照射方向に留意する。 e. 安全確保についての説明を医師、歯科医師または診療放射線技師が行う。 1. a,b 2. a,e 3. b,c 4. c,d 5. d,e 問題 89. 診療用放射性同位元素使用室の外側における1cm線量当量限度はどれか。 1. 1 mSv/1週 2. 300 μSv/1週 3. 10 mSv/1か月 4. 1.3 mSv/3か月 5. 250 μSv/3か月 問題 90. 放射性同位元素による汚染の状況を測定しなければならない場所はどれか。 a. 管理区域の境界 b. 排気設備の排気口 c. 排水設備の排水溝 d. 病院又は診療所の敷地の境界 e. 診療用放射線照射器具使用室 1. a,b,c 2. a,b,e 3. a,d,e 4. b,c,d 5. c,d,e 問題 91. 放射線被曝について正しいのはどれか。 a. 我が国で人体が受ける自然放射線は1年で約10mSvである。 b. 医療被曝の上限は規定されていない。 c. 妊娠中の放射線診療従事者の腹部の組織線量当量限度は、診断されてから出産までの間10mSvである。 d. 緊急作業(男子)の線量当量限度は100mSvである。 e. 水晶体の線量当量限度は年間300mSvである。 1. a,b,c 2. a,b,e 3. a,d,e 4. b,c,d 5. c,d,e 問題 92. 医療法における放射線被曝の測定で誤っているのはどれか。 1. 1cm、3mm、70μmにおける線量当量を測定する。 2. 外部被曝による線量当量は胸部(妊娠可能な女子については腹部)を測定する。 3. 線量当量の測定は管理区域内にいる間継続して行う。 4. 体幹部位外の部位の測定が規定されている。 5. 体幹部は、胸部および腹部の2区分とされている。 問題 93. 放射線測定の組合せで誤っているのはどれか。 1. X線 --- フィルムバッジ 2. 中性子 --- 2πガスフロー計数管 3. 241Am --- Si表面障壁形半導体検出器 4. 14C --- Si(Li)検出器 5. 3H --- 液体シンチレーションカウンタ 問題 94. フィルムバッジで正しいのはどれか。 a. 個人の積算被曝量の測定に適している。 b. エネルギー依存性が大きい。 c. リアルタイムに測定結果が得られる。 d. 内部被曝線量も測定できる。 e. 測定できる線量の下限は0.1μSvである。 1. a,b 2. a,e 3. b,c 4. c,d 5. d,e 問題 95. 汚染除去作業の基本的注意事項で正しいのはどれか。 a. 早期に行う。 b. 経済性を重視する。 c. 乾式法を用いる。 d. 汚染の拡大を阻止する。 e. 廃棄物の処理に留意する。 1. a,b,c 2. a,b,e 3. a,d,e 4. b,c,d 5. c,d,e 午前の最初に戻る、 午後の最初に戻る

SUZUKI's HOME PAGE