RETURN TO SUZUKI'S HOME PAGE
診療放射線技師国家試験のページに戻る。

平成13年3月1日(2001.3.1)

第53回診療放射線技師国家試験問題

午前午後

午前:放射化学放射線機器工学放射線写真学放射性同位元素検査技術学放射線治療技術学基礎医学大要

午後:放射線生物学放射線物理学電気電子工学画像工学エックス線撮影技術学放射線計測学放射線管理学


Last modified 02-12-18  なお、これは、完全版ではありません。解答につきましても、どうしても必要な方のみ鈴木昇一まで所属等はっきり示されて連絡ください。ただし、解答は藤田保健衛生大学としてではなく、あくまでも鈴木の責任で行います。解答の責任は持ちかねます。ご了承願います。

第53回 放射線技師国家試験問題,午前


放射線技師国家試験問題,午前

放射化学,最初に戻る

問題 1  質量数の定義はどれか。1. 陽子数と軌道電子数との和
2. 中性子数と軌道電子数との和
3. 陽子数と中性子数の和
4. 陽子数の2倍
5. 陽子数、中性子数および軌道電子数の和

問題 2  原子番号が増加するのはどれか。1. α壊変
2. β-壊変
3. β+壊変
4. 軌道電子捕獲
5. 核異性体転移

問題 3  ミルキングで得られる核種はどれか。
a. 67Ga
b. 81mKr
c. 99mTc
d. 111In
e. 201Tl
1. a,b  2. a,e  3. b,c  4. c,d  5. d,e

問題 4  物理的半減期(Tp)、生物学的半減期(Tb)及び有効半減期(Te)の関係で正しいのはどれか。
1. Tb = Tp + Te
2. Te = Tp + Tb
3. 1/Tb = 1/Tp + 1/Te
4. 1/Tp = 1/Tb + 1/Te
5. 1/Te = 1/Tp + 1/Tb

問題 5  放射性核種Aが壊変して新しい放射性核種Bとなり、過渡平衡が成り立つための条件で正しいのはどれか。
1. λb << λa
2. λb < λa
3. λb = λa
4. λb > λa
5. λb >> λa

問題 6  放射性ヨウ素による蛋白質の標識法はどれか。
a. クロラミンT法
b. ヨードゲン法
c. スズ還元法
d. ウィルツバッハ(Wilzbach)法
e. ラクトペルオキシダーゼ法
1. a,b,c  2. a,b,e  3. a,d,e  4. b,c,d  5. c,d,e

問題 7  放射線を照射するのはどれか。
1. 放射分析
2. 放射化分析
3. 同位体交換法
4. 同位体希釈分析
5. ラジオイムノアッセイ

問題 8  14C標識化合物の合成法はどれか。
a. ウィルツバッハ(Wilzbach)法
b. 化学合成法
c. 生合成法
d. ホットアトム法
e. ラジオコロイド法
1. a,b,c  2. a,b,e  3. a,d,e  4. b,c,d  5. c,d,e

問題 9  関係のない組合せはどれか。
a. 同位体効果 --- α線
b. コンプトン効果 --- β線
c. 光電効果 --- γ線
d. チェレンコフ効果 --- 荷電粒子
e. メスバウワー(Mössbauer)効果 --- γ線
1. a,b  2. a,e  3. b,c  4. c,d  5. d,e

問題 10  マクロオートラジオグラフィに用いるのはどれか。
a. 2H
b. 13C
c. 32P
d. 35S
e. 125I
1. a,b,c  2. a,b,e  3. a,d,e  4. b,c,d  5. c,d,e

放射線機器工学,最初に戻る

問題 11  回転陽極X線管で、0.1秒以下の負荷において、陽極回転数を3倍、焦点軌道直径を1.3倍にすると短時間許容負荷は約何倍か。
1. 1.7
2. 2.0
3. 2.3
4. 3.0
5. 4.0

問題 12  焦点外X線で正しいのはどれか。
a. 集束電極で集束されなかった分散電子のために生じる。
b. 発生する量は回転陽極が固定陽極よりも多い。
c. 焦点近傍で最も多く発生する。
d. X線写真のコントラストを低下させる。
e. 線質は焦点近傍がもっとも硬質である。
1. a,b,c  2. a,b,e  3. a,d,e  4. b,c,d  5. c,d,e

問題 13  JIS規格で正しいのはどれか。
1. X線高電圧装置は高電圧発生装置とX線制御装置とで構成される。
2. インバータ式装置はX線照射中に交流電力を直流電力に変換する。
3. 6ピーク形X線装置は電源の各周期ごとに3つのピークがある。
4. 撮影時間は管電流波形最大値に対する75%の立上がりと立下がりとの間である。
5. X線源装置はX線管装置と高電圧ケーブルとで構成される。

問題 14  X線装置で正しいのはどれか。
1. 三相二重6ピーク整流装置のリプル百分率の理論値は3.4%である。
2. 高電圧整流素子には一般にセレンを用いる。
3. X線管フィラメント加熱変圧器は高電圧絶縁の必要がある。
4. 単層全波整流装置の管電圧調整は主変圧器のタップの切り換えで行う。
5. X線用高電圧ケーブルには250μF/m程度の容量がある。

問題 15  インバータ式X線高電圧装置で正しいのはどれか。
1. 発生ノイズの影響はインバータ周波数が高いほど少ない。
2. 共振形装置はチョッパのパルス幅を変化させて管電圧の調整を行う。
3. 変圧器の誘起起電力は電源周波数に反比例する。
4. 管電流のフィードバック制御は行わない。
5. 方形波形装置は共振形装置よりスイッチング時の電力損失が大きい。

問題 16  容量0.5μFのコンデンサ式X線装置において充電電圧90kVで15mAs放電したときの波尾切断電圧は何kVか。
1. 30
2. 45
3. 60
4. 75
5. 80
>
問題 17  関係のない組合せはどれか。
a. デッドマンタイプ --- 透視用X線発生スイッチ
b. パントモグラフ --- 全歯牙撮影
c. グロー放電 --- 真空度の低下
d. コッククロフト回路 --- 三相全波整流装置
e. グライナッヘル回路 --- 単層全波整流装置
1. a,b  2. a,e  3. b,c  4. c,d  5. d,e

問題 18  X線TV装置で誤っているのはどれか。
1. 垂直解像度は走査線数が多いほど良くなる。
2. 画面の縦横比をアスペクト比という。
3. 偏向回路には電磁偏向を用いる。
4. 水平解像度は映像周波数帯域が広いほど悪くなる。
5. 飛越し走査では順次走査の2倍の画面交代が行われる。

問題 19  関係のない組合せはどれか。
1. 骨密度測定装置 --- 二重X線エネルギー吸収(DXA)法
2. ドライタイプイメージャ --- ドライシルバ方式
3. 携帯型X線撮影装置 --- Cアーム
4. 自動現像機 --- オートシートフィーダ
5. X線写真観察器 --- 高濃度スポットライト

問題 20  DSAで誤っているのはどれか。
1. リアルタイムで画像観察ができる。
2. リカーシブフィルタはノイズを低減する。
3. コントラスト分解能に優れる。
4. アーチファクト補正にリマスキングがある。
5. I.I.の入力視野が小さいほど被曝線量は少ない。

問題 21  X線CTで誤っているの組合わせはどれか。
1. 画像再構成 --- 重畳積分法
2. 線質硬化 --- リングアーチファクト
3. マトリックス数 --- 空間分解能
4. スライス厚 --- 部分体積効果
5. 画像ノイズ --- 低コントラスト分解能

問題 22  ヘリカルCTの特徴で正しいのはどれか。
a. X線管の反転運動と寝台移動とを交互に行う。
b. 360度補間再構成法は連続した2回転分のデータを用いる。
c. 任意のスライス面の画像再構成ができる。
d. スライス厚と寝台移動量〔mm/1回転〕との比は変えられない。
e. スリップリングは寝台移動の制御に用いる。
1. a,b  2. a,e  3. b,c  4. c,d  5. d,e

問題 23  単純X線CTと比較したMRIの特徴で誤っているのはどれか。
1. 骨のアーチファクトがない画像が得られる。
2. 任意の断層面を撮像できる。
3. 軟部組織のコントラスト分解能が優れる。
4. 微小石灰化の検出能が優れる。
5. 血管の検出能が優れる。

問題 24  MRIで正しいのはどれか。
a. 歳差運動の位相はラーモア方程式で計算される。
b. RFパルスは歳差運動と異なる周波数である。
c. RFパルスは横磁化を減少させる。
d. T1は磁場が強いほど長くなる。
e. T2は横磁化が元の値の1/eに減少した時間を表す。
1. a,b  2. a,e  3. b,c  4. c,d  5. d,e

問題 25  永久磁石型MRI装置の特徴で誤っているのはどれか。
1. 軽量である。
2. 運転経費が安い。
3. 設置面積が小さい。
4. オープン型に適している。
5. 0.3T以下の低磁場に適している。

問題 26  超音波画像診断装置で正しいのはどれか。
1. 電子走査では超音波振動子が回転する。
2. 高い周波数になるほど深部の映像化が困難である。
3. 方位分解能は超音波ビーム方向の分解能をいう。
4. 二つの媒体の密度と音速の和を音響インピーダンスという。
5. サイドローブはメインローブと同じ方向に直進する。

問題 27  ガンマカメラの品質管理で正しいのはどれか。
1. 固有分解能の測定はコリメータを装着して行う。
2. 総合分解能の評価は再大偏差〔%〕を用いる。
3. 画像直線性の試験には銅板を用いる。
4. SPECT回転中心の評価にはサイノグラムを用いる。
5. 均一性が不良な場合はSPECT像に星芒状アーチファクトが発生する。

問題 28  ガンマカメラのシンチレータで正しいのはどれか。
1. NaI(Tl)が最も汎用される。
2. 厚みが増すと分解能は高くなる。
3. PET専用機のシンチレータと同じ材質のものが多い。
4. 温度変化に強い。
5. コリメータを打ち当てた程度の外力では破損しない。

問題 29  放射線治療で関係のない組合せはどれか。
1. 粒子線治療 --- サイクロトロン
2. RI内用療法 --- 123I製剤
3. 外部放射線治療 --- リニアック
4. 腔内放射線治療 --- 遠隔操作式後装填装置(RALS)
5. 組織内放射線治療 --- 192Ir線源

問題 30  リニアックの構成部品でないのはどれか。
1. マイクロ波発振管
2. イオンポンプ
3. 導波管
4. 偏向コイル
5. ウェハー

放射線写真学,最初に戻る 

問題 31  現像促進作用が最も強いのはどれか。
1. ホウ砂
2. 重炭酸ナトリウム
3. リン酸3ナトリウム
4. 炭酸ナトリウム
5. 水酸化ナトリウム

問題 32  正しいのはどれか。
a. X線複写フィルムは露光量を増すほど写真濃度が低下する。
b. 高感度乳剤はAgBrにAgClを約5%混入する。
c. 緑色発光蛍光体の増感紙はレギュラー系のフィルムを使用する。
d. ハロゲン化銀の感度はAgCl<AgBr<AgIの順である。
e. AgFは水に溶ける。
1. a,b  2. a,e  3. b,c  4. c,d  5. d,e

問題 33  相反則不軌に基づく写真現象はどれか。
1. 間欠効果
2. 隣接効果
3. 圧力効果
4. ラッセル効果
5. クロスオーバー効果

問題 34  透過光が入射光の2%となる写真濃度はどれか。ただし、log102=0.3とする。
1. 0.7
2. 1.3
3. 1.7
4. 2.3
5. 2.7

問題 35  X線センシトメトリーで正しいのはどれか。
a. マイクロデンシトメータで測定した値は拡散光濃度である。
b. 特性曲線から粒状性を直接読み取れる。
c. ラチチュードの狭いフィルムは直線部の傾きが大きい。
d. 増感紙-フィルム系の感度は一般に比感度で表示する。
e. 距離法は照射距離に応じて管電圧を変化させる。
1. a,b  2. a,e  3. b,c  4. c,d  5. d,e

放射性同位元素検査技術学,最初に戻る 

問題 36  原子炉で生産するのはどれか。
a. 111In
b. 123I
c. 131I
d. 133Xe
e. 201Tl
1. a,b  2. a,e  3. b,c  4. c,d  5. d,e

問題 37  放射性核種と物理的半減期との組合わせで正しいのはどれか。
1. 67Ga --- 66時間
2. 81mKr --- 6時間
3. 99mTc --- 3日
4. 123I --- 13時間
5. 133Xe --- 8日

問題 38  3月3日正午に入荷した201Tl-塩化タリウムの放射能が3月5日正午の時点で148MBqであった。使用日時は3月6日正午である。次のグラフを用いて求めた入荷時点および使用時点の放射能〔MBq〕はどれか。





入荷時点 --- 使用時点
1. 592 --- 74

2. 296 --- 104

3. 237 --- 118

4. 207 --- 126

5. 196 --- 130
















問題 39  図のエネルギースペクトルを持つ核種はどれか。



1. 67Ga

2. 99mTc

3. 123I

4. 125I

5. 131I







問題 40  低エネルギー用高分解能コリメータで正しいのはどれか。
a. 高感度型より画像の分解能が良い。
b. 高エネルギー用より隔壁が薄い。
c. 汎用型より計数効率が高い。
d. 111Inの2ピーク同時収集に用いる。
e. 133Xeガスを吸入する脳の検査に用いる。
1. a,b  2. a,e  3. b,c  4. c,d  5. d,e

問題 41  エネルギー分解能試験で正しいのはどれか。
a. 指標に光電ピークの半値全幅を用いる。
b. 分解能は全核種において同一である。
c. 半値全幅の値が大きいほど画質が良い。
d. 標識線源に67Gaを用いる。
e. 半値全幅をkeVの単位で表示する。
1. a,b  2. a,e  3. b,c  4. c,d  5. d,e

問題 42  骨シンチグラフィにおけるプラナー撮像の収集カウントで正しいのはどれか。
1. 1/cm2
2. 10/cm2
3. 100/cm2
4. 1,000/cm2
5. 10,000/cm2

問題 43  SPECTで正しいのはどれか。
1. 陽電子放出核種を用いる。
2. 収集投影像の数は8以下である。
3. 画素数は512×512が一般的である。
4. ファンビームコリメータは使用できない。
5. データ収集には連続法と断続(step and shoot)法とがある。

問題 44  SPECTの再構成法はどれか。
a. 重畳積分法
b. 逐次近似法
c. TEW(triple energy window)法
d. パトラックプロット法
e. 平均通過時間法
1. a,b  2. a,e  3. b,c  4. c,d  5. d,e

問題 45  SPECT像でリングアーチファクトが生じるのはどれか。
a. 過大な回転半径
b. 回転中心のズレ
c. 検出器の感度不均一
d. 空間分解能の低下
e. 180度データ収集
1. a,b  2. a,e  3. b,c  4. c,d  5. d,e

問題 46  PETで誤っているのはどれか。
1. 消滅放射線を測定する。
2. 専用機のシンチレータはNaI(Tl)である。
3. 同時計数によってデータを収集する。
4. 使用する放射性医薬品の半減期は短いものが多い。
5. トランスミッションスキャンで吸収補正が可能である。

問題 47  放射性医薬品と適応疾患との組合わせで正しいのはどれか。
1. 111In-塩化インジウム --- 心筋梗塞
2. 123I --- 甲状腺機能亢進症
3. 201Tl-塩化タリウム --- 悪性リンパ腫
4. 99mTc-DTPA --- 肝癌
5. 99mTc-MDP --- 亜急性甲状腺炎

問題 48  放射性医薬品の投与から撮像までの時間で適切でない組合わせはどれか。
1. 67Ga-クエン酸ガリウム --- 3日
2. 99mTc-MDP --- 3時間
3. 99mTc-MAA --- 1時間
4. 131I-アドステロール --- 7日
5. 201Tl-塩化タリウム --- 5分

問題 49  検査と前処置との組合わせで正しいのはどれか。
a. 99mTc-DTPA腎動態シンチグラフィ --- 飲水
b. 99mTc-MDP骨シンチグラフィ --- 撮像直前の排尿
c. 67Ga腫瘍・炎症シンチグラフィ --- 絶食
d. 123I甲状腺シンチグラフィ --- ヨウ化カリウムの投与
e. 201Tl心筋血流シンチグラフィ --- 抗狭心症薬の投与
1. a,b  2. a,e  3. b,c  4. c,d  5. d,e

問題 50  放射性医薬品と副作用との組合わせであ正しいのはどれか。
1. 123I-IMP --- ヨードアレルギー
2. 131I-アドステロール --- 顔面紅潮
3. 99mTc-MIBI --- 胸痛
4. 99mTc-MAA --- 呼吸困難
5. 67Ga-クエン酸ガリウム --- 便秘

問題 51  健常人で腎へ集積しないのはどれか。
1. 99mTc-MAG3
2. 99mTc-DMSA
3. 99mTc-MDP
4. 99mTc-MAA
5. 201Tl-塩化タリウム

問題 52  甲状腺123I摂取率が増加するのはどれか。
1. 甲状腺癌
2. 非機能性甲状腺腺腫
3. 亜急性甲状腺炎
4. 甲状腺機能低下症
5. バセドウ病

問題 53  算出できる指標で正しい組合わせはどれか。
a. 肺血流シンチグラフィ --- 肺活量
b. 骨髄シンチグラフィ --- 赤血球寿命
c. 脳血流シンチグラフィ --- 局所脳血流量
d. 心電図同期心プールシンチグラフィ --- 心駆出率
e. 甲状腺シンチグラフィ --- 甲状腺摂取率
1. a,b,c  2. a,b,e  3. a,d,e  4. b,c,d  5. c,d,e

問題 54  放射性同位元素を用いたインビトロ検査はどれか。
a. 飽和分析法
b. 同位体希釈法
c. 酵素免疫測定法
d. 放射受容体測定法
e. 競合的蛋白結合能測定法
1. a,b,c  2. a,b,e  3. a,d,e  4. b,c,d  5. c,d,e

問題 55  非密封放射性同位元素治療(RI内用療法)に用いるのはどれか。
1. 51Cr
2. 99Mo
3. 111In
4. 125I
5. 131I

放射線治療技術学,最初に戻る

問題 56  リニアックの電子線照射で関係のないのはどれか。
a. 電子銃
b. ターゲット
c. 平坦用フィルタ
d. 散乱箔
e. モニタ線量計
1. a,b  2. a,e  3. b,c  4. c,d  5. d,e

問題 57  5cm×15cmの照射野の吸収線量と等価な正方形照射野はどれか。
1. 5cm×5cm
2. 7.5cm×7.5cm
3. 10cm×10cm
4. 12.5cm×12.5cm
5. 15cm×15cm

問題 58  放射線の種類と基準深との組合わせで正しいのはどれか。
1. 60Coのγ線 --- 0.5cm
2. 4MVのX線 --- 2cm
3. 10MVのX線 --- 5cm
4. 6MeVの電子線 --- 2cm
5. 16MeVの電子線 --- 5cm

問題 59  外部照射法の線量分布と関係ないのはどれか。
1. 線源の大きさ
2. 線量率
3. 放射線のエネルギー
4. 照射野の大きさ
5. 線源表面間距離

問題 60  電離箱の読み値から吸収線量を計算するときに関係ないのはどれか。
1. 吸収線量変換係数
2. 質量減弱計数
3. 大気補正係数
4. イオン再結合補正係数
5. コバルト校正定数

問題 61  高エネルギーX線の照射野寸法を測定するのに必要ないのはどれか。
1. 方眼紙
2. 角度計
3. ファントム
4. 電離箱線量計
5. 高エネルギー写真フィルム

問題 62  術中照射と関係あるのはどれか。
a. 基準深
b. 電子線
c. ツーブス
d. 分割照射
e. 楔状フィルタ
1. a,b,c  2. a,b,e  3. a,d,e  4. b,c,d  5. c,d,e

問題 63  組織内照射と腔内照射の両方に用いる核種はどれか。
a. 60Co
b. 90Sr
c. 137Cs
d. 192Ir
e. 198Au
1. a,b  2. a,e  3. b,c  4. c,d  5. d,e

問題 64  全身照射の照射法はどれか。
a. long SAD法
b. ムービングビーム法
c. 寝台移動法
d. 呼吸同期照射法
e. 原体照射法
1. a,b,c  2. a,b,e  3. a,d,e  4. b,c,d  5. c,d,e

問題 65  密封小線源治療における線源配置の方法で誤っているのはどれか。
1. パリ法
2. クインビー法
3. メモリアル法
4. マンチェスター法
5. モンテカルロ法

問題 66  放射線感受性ガ最も低いのはどれか。
1. 骨髄腫
2. 白血病
3. 精上皮腫
4. 神経膠芽腫
5. 悪性リンパ腫

問題 67  放射線治療の効果に影響を及ぼす因子はどれか。
a. 気温
b. 気圧
c. 1回線量
d. 腫瘍の組織型
e. 腫瘍の酸素分圧
1. a,b,c  2. a,b,e  3. a,d,e  4. b,c,d  5. c,d,e

問題 68  根治的放射線治療を行うのはどれか。
a. 舌癌
b. 咽頭癌
c. 胆管癌
d. 腎癌
e. S状結腸癌
1. a,b  2. a,e  3. b,c  4. c,d  5. d,e

問題 69  外部照射の照射野が最も小さいのはどれか。
1. 髄芽腫
2. 上咽頭癌
3. 声門癌
4. 子宮頸癌
5. ホジキン病

問題 70  治療に電子線を用いるのはどれか。
a. 口腔癌
b. 食道癌
c. 子宮体癌
d. 乳癌胸壁再発
e. 膵癌術中照射
1. a,b,c  2. a,b,e  3. a,d,e  4. b,c,d  5. c,d,e

問題 71  密封小線源治療で正しいのはどれか。
a. 137Csは永久刺入に用いる線源として開発された。
b. 198Auグレインが有効なのはそのα線を利用するためである。
c. 125Iシードは防護の点で組織内照射に適した線源である。
d. 222Rnシード現在我が国では用いていない。
e. 192Irはアフターローディング法の線源として用いている。
1. a,b,c  2. a,b,e  3. a,d,e  4. b,c,d  5. c,d,e

問題 72  関係のない組合せはどれか。
1. 楔状フィルタ --- 上顎癌
2. 原体照射 --- 咽頭癌
3. 接線照射 --- 乳房温存療法
4. 中央遮へい --- 子宮癌
5. 全身照射 --- 骨髄移植

問題 73  頭頸部癌の外部照射中にみられない副作用はどれか。
1. 口腔咽頭痛
2. 口腔乾燥
3. 味覚低下
4. 嗄声
5. 顎骨壊死

問題 74  乳癌で誤っているのはどれか。
1. 50歳以下での発症は全症例の5%以下である。
2. 乳房温存療法が普及している。
3. 抗癌剤の使用は有効である。
4. 多発性脳転移には全脳照射を行う。
5. 骨転移の疼痛軽減に放射線治療が有効である。

問題 75  ライオサージャリの適応となるのはどれか。
a. 脳動脈瘤
b. 聴神経腫瘍
c. 転移性脳腫瘍
d. 脳動静脈奇型
e. 慢性硬膜下血腫
1. a,b,c  2. a,b,e  3. a,d,e  4. b,c,d  5. c,d,e

要基礎医学大要,最初に戻る

問題 76  我が国で5年生存率が最も低いのはどれか。
1. 咽頭癌
2. 食道癌
3. 胃癌
4. 腎癌
5. 大腸癌

問題 77  我が国の肝硬変の原因で最も頻度が高いのはどれか。
1. A型肝炎
2. B型肝炎
3. C型肝炎
4. 薬剤性肝炎
5. 自己免疫性肝炎

問題 78  緊急手術の対象となる疾患はどれか。
1. 急性肝炎
2. 急性胃炎
3. 急性腎不全
4. 急性糸球体腎炎
5. 絞扼性イレウス

問題 79  感染症はどれか。
1. 潰瘍性大腸炎
2. 虚血性腸炎
3. 皮膚筋炎
4. レジオネラ肺炎
5. 好酸球性肺炎

問題 80  性感染症(STD)の原因でないのはどれか。
1. HIV
2. カンジダ
3. クラミジア
4. トリコモナス
5. アスペルギルス

問題 81  膠原病はどれか。
a. 全身性強皮症
b. 慢性関節リウマチ
c. 全身性エリテマトーデス
d. サルコイドーシス
e. 慢性甲状腺炎
1. a,b,c  2. a,b,e  3. a,d,e  4. b,c,d  5. c,d,e

問題 82  視覚野があるのはどれか。
1. 前頭葉
2. 側頭葉
3. 頭頂葉
4. 後頭葉
5. 視床

問題 83  ウィリス(Willis)動脈輪を構成しないのはどれか。
1. 前交通動脈
2. 前大脳動脈
3. 中大脳動脈
4. 後交通動脈
5. 後大脳動脈

問題 84  後縦靭帯が付着しているのはどれか。
a. 椎体
b. 椎間板
c. 関節突起
d. 棘突起
e. 横突起
1. a,b  2. a,e  3. b,c  4. c,d  5. d,e

問題 85  正しいのはどれか。
a. 内胸動脈は鎖骨下動脈から分岐する。
b. 冠動脈は大動脈起始部から分岐する。
c. 肺静脈は右心房に入る。
d. 奇静脈は下大静脈に入る。
e. 肝静脈は下大静脈に入る。
1. a,b,c  2. a,b,e  3. a,d,e  4. b,c,d  5. c,d,e

問題 86  単純X線CT正常像で最も低吸収と呈するのはどれか。
1. 肝臓
2. 胆嚢
3. 膵臓
4. 脾臓
5. 腎臓

問題 87  骨盤正面の単純X線撮影で最も下方(足側)に見えるのはどれか。
1. 臼蓋
2. 坐骨
3. 仙骨
4. 恥骨
5. 尾骨

問題 88  小児で小脳に好発する腫瘍はどれか。
1. 神経膠芽腫
2. 髄膜腫
3. 類皮腫
4. 上衣腫
5. 髄芽腫

問題 89  メッケル憩室の発生部位はどれか。
1. 十二指腸
2. 空腸
3. 回腸
4. 盲腸
5. S状結腸

問題 90  疾患と好発部位との組合せで正しいのはどれか。
a. 気管枝嚢胞 --- 前縦隔
b. 胸腺腫 --- 前縦隔
c. サルコイドーシス --- 中縦隔
d. 神経線維種 --- 後縦隔
e. 異所性甲状腺腫 --- 後縦隔
1. a,b,c  2. a,b,e  3. a,d,e  4. b,c,d  5. c,d,e

問題 91  誤っているのはどれか。
a. 新生児は体が小さいので自己の体温を一定に保ちやすい。
b. 胎児では右室から卵円孔を介して左室への血流がある。
c. 胎児のガス交換は胎盤を通して行われる。
d. 胎児では肺静脈幹から動脈管を介して大動脈弓への血流がある。
e. 臍帯の臍動脈は2本である。
1. a,b  2. a,e  3. b,c  4. c,d  5. d,e

問題 92  単純X線撮影が診断に有用なのはどれか。
a. 脳腫瘍
b. 子宮癌
c. 骨肉腫
d. 肺癌
e. 膵癌
1. a,b  2. a,e  3. b,c  4. c,d  5. d,e

問題 93  交感神経の刺激によって起こらないのはどれか。
1. 心拍数増加
2. 瞳孔散大
3. 気管支平滑筋収縮
4. 腸管の蠕動抑制
5. 血圧上昇

問題 94  健常成人男性の血液・生化学データで適切な組合わせはどれか。
1. 赤血球数 --- 500×104 /μl
2. 白血球数 --- 2,000 /μl
3. 血小板数 --- 5×104 /μl
4. 血清総蛋白 --- 3.0 g/dl
5. 血清総ビリルビン --- 10 mg/dl

問題 95  内分泌機能異常と症状・症候との組合わせで誤っているのはどれか。
1. 下垂体前葉機能低下 --- 無月経
2. 甲状腺機能亢進 --- 動悸
3. 原発性副甲状腺機能亢進 --- 高カルシウム血症
4. 副腎皮質機能低下 --- 色素沈着
5. 副腎髄質機能亢進 --- 低血圧症

第53回 放射線技師国家試験,午後


午前に戻る。

放射線生物学、最初に戻る


問題 1 細胞周期で正しいのはどれか。
1. G0期にDNA合成が行われる。
2. M期の次がG2期である。
3. 腫瘍細胞にはG1期がない。
4. M期の細胞は放射線感受性が高い。
5. S期の細胞はG1期より小さい。

問題 2 放射線治療において高LET放射線でないのはどれか。
1. 中間子線
2. 速中性子線
3. 陽子線
4. α線
5. 炭素イオン線

問題 3 低LET放射線と比較した高LET放射線の生物効果として正しいのはどれか。
1. 直接作用の寄与が大きい。
2. 線量率効果が大きい。
3. 酸素効果が大きい。
4. 防護剤の効果が大きい。
5. 照射後の回復の程度が大きい。
  
問題 4 人体に摂取されたとき、白血病の発生に最も関与する核種はどれか。
1. 40K
2. 90Sr
3. 99Tc
4. 137Sc
5. 203Hg
  
問題 5 個体の放射線感受性に最も関係が少ないのはどれか。
1. 性別
2. 体重
3. 年齢
4. 健康状態
5. 動物の種類
  
問題 6 全身放射線被爆で正しいのはどれか。
1. 10Gy程度では骨髄の障害は軽度である。
2. 50Gy程度では腸管の障害は軽度である。
3. 100Gy程度では中枢神経の障害は軽度である。
4. 神経死が生じるのは数日以内である。
5. 腸管死が生じるのは1か月以上経過してからである。
  
問題 7 ヒトの放射線障害で正しいのはどれか。
1. 白血病の発生は確率的影響である。
2. 脱毛は線量依存性がない。
3. 白血球減少はしきい値がない。
4. 遺伝的影響は高齢者ほど現れやすい。
5. 確定的影響は高齢者ほど現れやすい。

問題 8 幹細胞の障害に関係ない放射線障害はどれか。
1. 不妊
2. 腸管死
3. 骨髄死
4. 皮膚びらん
5. 中枢神経死
  
問題 9 胎児の放射線被爆と関係ないのはどれか。
1. 奇形
2. 脳腫瘍
3. 巨大児
4. 知能低下
5. 染色体突然変異
  
問題 10 潜伏期が最も短い放射線発癌はどれか。
1. 白血病
2. 乳癌
3. 甲状腺癌
4. 皮膚癌
5. 膀胱癌
  
放射線物理学、最初に戻る
  
問題 11 電離放射線のうち間接電離放射線はどれか。
a. α線
b. β線
c. γ線
d. X線
e. 中性子線
1. a,b,c 2. a,b,e 3. a,d,e 4. b,c,d 5. c,d,e
  
問題 12 電子の静止質量に等価なエネルギー〔MeV〕はどれか。
1. 0.511
2. 1.02
3. 2.04
4. 3.06
5. 4.08
  
問題 13 光子エネルギーの大きさを比較した順序で正しいのはどれか。
1. 長波>マイクロ波>可視光線>紫外線>X線
2. 長波>マイクロ波>紫外線>可視光線>X線
3. X線>紫外線>可視光線>マイクロ波>長波
4. X線>可視光線>紫外線>マイクロ波>長波
5. X線>マイクロ波>長波>紫外線>可視光線
  
問題 14 制動放射線で正しいのはどれか。
a. 診断用X線領域では制動放射線が主である。
b. 診断領域での発生効率は10%程度である。
c. 総エネルギー(全強度)は管電圧の2乗に反比例する。
d. 強度はターゲット物質の原子番号に反比例する。
e. 放射方向の角度分布は入射電子のエネルギーによって変化する。
1. a,b 2. a,e 3. b,c 4. c,d 5. d,e
  
問題 15 線減弱係数が0.20cm-1を持つ物質の半価層の厚さは何cmか。ただし、loge2=0.693とする。
1. 1.0
2. 1.4
3. 3.5
4. 7.0
5. 14.0
  
問題 16 0.025eVの熱中性子の速度は何m/sか。ただし、中性子の静止質量は1.67×10-27kg、1eV=1.6×10-19Jとする。
1. 2.2
2. 4.4
3. 2.2×103
4. 4.4×103
5. 2.2×106
  
問題 17 誤っているのはどれか。
1. α壊変は原子番号の高い元素に起こる。
2. 中性子数が陽子に比べて多すぎる核ではα壊変を起こす。
3. α粒子の本体は42Hである。
4. β壊変は同重変換である。
5. 電子捕獲確立はK殻軌道電子の方が他殻電子軌道より高い。
  
問題 18 単位で誤っているのはどれか。
1. 波長:m
2. 熱量:J
3. 核反応断面積:m2
4. 壊変定数:s
5. 質量減弱係数:m2/kg
  
問題 19 誤っているのはどれか。
a. 陽子のスピンは1/2である。
b. 自由中性子の半減期は約13分である。
c. 中性子の質量は陽子と電子との質量の和より小さい。
d. 重陽子の質量は陽子と中性子との質量の和より大きい。
e. 陽子数が中性子数より多い核種も存在する。
1. a,b 2. a,e 3. b,c 4. c,d 5. d,e

問題 20 重荷電粒子で正しいのはどれか。
a. α粒子の阻止能は同じエネルギーの陽子の約4倍である。
b. 質量阻止能は入射粒子の電荷数の2乗に反比例する。
c. ブラッグピークを形成する。
d. 制動放射線の放出は無視できる。
e. 偏向を受けない。
1. a,b,c 2. a,b,e 3. a,d,e 4. b,c,d 5. c,d,e

問題 21 単色エネルギーの電離放射線を放出しない現象はどれか。
1. 光電効果
2. 電子対生成
3. 内部転換
4. 軌道電子捕獲
5. チェレンコフ効果

問題 22 電子対生成の質量減弱係数に比例するのはどれか。ただし、光子エネルギーをE〔MeV〕、物質の原子番号をZとする。
1. (E-1.02)・Z
2. E・Z
3. E/Z
4. (E-1.02)/Z
5. Z/(E-1.02)

問題 23 γ線と物質との相互作用でないのはどれか。
1. 光電効果
2. 制動放射
3. コンプトン散乱
4. レイリー散乱
5. 電子対生成

問題 24 正しいのはどれか。
a. 高電圧加速器は電位差を利用して荷電粒子を加速する。
b. 線形加速器はイオンを直線上に走らせながら加速する。
c. 線形加速器はドリフト管内でもイオンを加速する。
d. 円形加速器は主に電界によって加速電子を偏向させる。
e. サイクロトロンは交流磁場を用いて荷電粒子を円運動させる。
1. a,b 2. a,e 3. b,c 4. c,d 5. d,e

問題 25 核磁気共鳴で正しいのはどれか。
a. 1Hの縦緩和時間は純水の方が生体内より短い。
b. 核スピン間の相互作用による緩和時間はT1で表す。
c. 静磁場中の磁気モーメント(I)は(2I+1)個のエネルギー準位に分かれる。
d. 共鳴周波数は静磁場の大きさに比例する。
e. 質量数2の重水は核磁気共鳴装置で測定できない。
1. a,b 2. a,e 3. b,c 4. c,d 5. d,e

電気電子工学、最初に戻る 

問題 26 真空中にある0.1μCと0.2μCの点電荷の距離が5cmのとき、これらの間に作用する力は何Nか。ただし、1/4πε0=9×1090は真空の誘電率)とする。
1. 8.9×10-22
2. 3.6×10-3
3. 7.2×10-2
4. 1.1×1021
5. 2.3×1022
  
問題 27 図の回路のC3に25μJのエネルギーが蓄えられたとき、ab間の直流電圧は何Vか。


1. 5
2. 11
3. 25
4. 30
5. 35
  





問題 28 磁束密度が0.6Tの平等磁界中で、磁界と直角に置かれた長さ0.5mの導体と磁界と直角方向に10m/sの速度で動かしたとき、導体の両端に生じる起電力は何Vか。
1. 1.2
2. 3.0
3. 3.3
4. 8.3
5. 12.0

問題 29 単位で誤っているのはどれか。
1. 電束:C
2. 磁束:Wb
3. 磁気抵抗:H-1
4. 透磁率:Hm
5. 抵抗率:Ωm

問題 30 図の回路でR3に流れる電流が1.5Aのとき、R1は何Ωか。


a. 2
b. 4
c. 5
d. 10
e. 15
1. a,b,c 2. a,b,e 3. a,d,e 4. b,c,d 5. c,d,e





問題 31 インピーダンス負荷に100Vの正弦波交流電圧を加えたとき、流れた電流の大きさが5A、位相遅れがπ/3 radであった。この負荷の複素インピーダンス〔Ω〕はどれか。
1. 10-10\sqrt{3}j
2. 10+10\sqrt{3}j
3. 16+12j
4. 20+20\sqrt{2}j
5. 20-20\sqrt{2}j

問題 32 ab間に100Vの交流電圧を加えたとき、電流は何Aか。

1. 1.0
2. 1.25
3. 2.5
4. 5.0
5. 25.0



問題 33 静電容量Cのコンデンサ回路にE sin ωtの交流電圧を加えたとき、流れる電流を表す式はどれか。
1. \frac{E}{ωC}sin(ωt-π/2)
2. ωCE sin(ωt-π/2)
3. ωCE sin ωt
4. ωCE sin(ωt+π/2)
5. \frac{E}{ωC}sin(ωt+π/2)

問題 34 図の回路でI=1Aのとき、コイルに流れる電流は何Aか。



1. 0
2. 1
3. 2
4. 10
5. 2








問題 35 正弦波交流の回路で有効電力をP、無効電力をQとすると、力率を表す式はどれか。
1. Q/P
2. P/Q
3. P/\sqrt{P2+Q2}
4. Q/\sqrt{P2+Q2}
5. Q/\sqrt{P2-Q2}

問題 36 Δ-Δ結線の平衡三相回路で、相電圧210V、一相の負荷インピーダンス4+3j〔Ω〕のとき、線電流は何Aか。
1. 24.3
2. 30.3
3. 42.0
4. 52.5
5. 72.7

問題 37 微分回路の構成素子で正しいのはどれか。

        

問題 38 図の方形波電圧を整流形電圧計で測定すると何Vを指示するか。ただし、計器の誤差はないものとする。


1. 3.54
2. 4.51
3. 5.00
4. 5.55
5. 7.07







問題 39 テスタで正しいのはどれか。
a. オシロスコープに比べ内部抵抗が大きい。
b. 交流電圧の測定は整流器で直流電圧に変換して行う。
c. 直流電圧の測定は直列抵抗を挿入して行う。
d. 抵抗値の測定は並列抵抗によって分流して行う。
e. 電流の測定はホイートストンブリッジ回路を用いる。
1. a,b 2. a,e 3. b,c 4. c,d 5. d,e

問題 40 図の電圧―電流特性を利用する素子はどれか。



1. ツェナーダイオード
2. トンネルダイオード
3. ホトダイオード
4. バラクタダイオード
5. 発光ダイオード










問題 41 負帰還増幅回路で誤っているのはどれか。
1. 増幅度は低下する。
2. 電子部品の経時変化による変動を減少させる。
3. 出力の雑音を低下させる。
4. 入力インピーダンスを変換できる。
5. 周波数帯域を狭くする。

問題 42 正弦波(A)を回路(B)に入力したとき、出力波形v0はどれか。

問題 43 入力がなくても連続の方形波を発生する回路はどれか。
1. 無安定マルチバイブレータ
2. 単安定マルチバイブレータ
3. 双安定マルチバイブレータ
4. フリップフロップ
5. クリッパ

問題 44 図と等価な回路はどれか。



1. OR回路
2. NOR回路
3. AND回路
4. NAND回路
5. Ex-OR回路








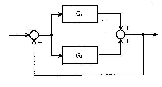
問題 45 全体の伝達関数はどれか。



1. \frac{G1・G2}{1+G1・G2}
2. \frac{G1・G2}{1-G1・G2}
3. \frac{G1+G2}{1+G1+G2}
4. \frac{G1+G2}{1-G1+G2}
5. \frac{G1・G2}{1+G1+G2}









画像工学エックス線撮影技術学、最初に戻る 
  
問題 46 誤っているのはどれか。
1. アナログ信号を量子化し、デジタル信号で表すと量子化雑音を生じる。
2. 変数値が連続に変化したときの関数値をデジタル信号という。
3. A/D変換の変換周波数が十分でない場合はボケの原因となる。
4. デジタル画像のボケの程度はMTFで表せる。
5. デジタル画像の画質の臨床的評価はROC曲線で表せる。
  
問題 47 X線写真の鮮鋭度を向上させるのはどれか。
a. X線管焦点を小焦点から大焦点にする。
b. 被写体―フィルム間距離を短くする。
c. カセッテへのX線斜入角度を小さくする。
d. 焦点―フィルム間距離を短くする。
e. 高感度増感紙にする。
1. a,b 2. a,e 3. b,c 4. c,d 5. d,e

問題 48 X線写真の粒状性に最も大きな影響を及ぼすのはどれか。
1. 散乱線
2. 増感紙の構造モトル
3. フィルムの粒状性
4. X線量子モトル
5. 焦点サイズ

問題 49 被写体コントラストに関係が少ないのはどれか。
1. 管電圧
2. mAs
3. 付加フィルタ
4. 被写体厚
5. 照射野

問題 50 管電圧、管電流および撮影時間を一定としたとき、写真濃度が低下するのはどれか。
a. 撮影距離を短くする。
b. 高格子比グリッドから低格子比グリッドに変更する。
c. 照射野を縮小する。
d. 高鮮鋭度増感紙を使用する。
e. 被写体―フィルム間距離を長くする。
1. a,b,c 2. a,b,e 3. a,d,e 4. b,c,d 5. c,d,e

問題 51 X線撮影で散乱線の影響を軽減できるのはどれか。
a. 照射野を必要最小限に絞る。
b. 管電圧を高くしてmAsを下げる。
c. 造影剤を使用する。
d. 被写体―フィルム間距離を長くする。
e. グリッドを使用する。
1. a,b,c 2. a,b,e 3. a,d,e 4. b,c,d 5. c,d,e

問題 52 グリッドを使用する撮影法はどれか。
a. 頭蓋底撮影
b. 歯の等長撮影
c. 足関節撮影
d. 乳幼児股関節撮影
e. 乳房撮影
1. a,b 2. a,e 3. b,c 4. c,d 5. d,e
  
問題 53 撮影部位と中心X線の入射点との組合わせで誤っているのはどれか。
1. 聴器(Schüller法) --- 非検側外耳孔
2. 頸椎正面 --- 咽頭隆起
3. 胸椎正面 --- 胸骨体中央
4. 手指正面 --- 第3中手骨関節
5. 足関節正面 --- 内・外果を結ぶ線の中央
  
問題 54 耳鼻科領域の撮影法でないのはどれか。
1. コールドウェル(Caldwell)法
2. ゾンネンカルプ(Sonnenkalb)法
3. グースマン(Guthmann)法
4. マイヤー(Mayer)法
5. ステンバース(Stenvers)法

問題 55 乳房撮影における圧迫法で誤っているのはどれか。
1. 乳房組織が広く描出できる。
2. 写真コントラストが改善する。
3. 補償フィルタの必要とする。
4. 患者の動きのボケを減らせる。
5. 散乱線の影響を少なくできる。

問題 56 X線撮影におけるリスクマネジメントで好ましくないのはどれか。
1. 装置の定期保守点検
2. インシデントレポートの作成
3. 装置の始業時点検
4. 多種類のフィルムの使用
5. QCサークルの活用
  
問題 57 胸部単純X線写真における肺野の平均濃度はどれか。
1. 0.15
2. 0.3
3. 0.5
4. 1.5
5. 3.0
 
問題 58 正しいのはどれか。
1. 胸部断層撮影には狭角断層を用いる。
2. 立体撮影のX線管焦点移動距離は焦点―フィルム間距離の1%程度である。
3. 頭部規格撮影にはCRを用いない。
4. 回転式パノラマX線撮影は短時間撮影で行われる。
5. 拡大撮影では通常の撮影より管電流が小さくなる。

問題 59 胃の部位と体位との組合わせで二重造影にならないのはどれか。
1. 噴門部 --- 半立位第二斜位
2. 穹窿部 --- 背臥位正面
3. 前庭部 --- 背臥位第一斜位
4. 胃体上部 --- 背臥位第二斜位
5. 前壁 --- 腹臥位

問題 60 逆行性に造影剤を投与するのはどれか。
a. イレウス管造影
b. 下肢静脈造影
c. 子宮卵管造影
d. 注腸造影
e. 食道造影
1. a,b 2. a,e 3. b,c 4. c,d 5. d,e

問題 61 造影剤で正しいのはどれか。
a. 硫酸バリウム製剤は懸濁液である。
b. 排泄性尿路造影では水溶性ヨード造影剤を使用する。
c. MRIではガドリニウム造影剤を使用する。
d. DSAでは油性ヨード造影剤を使用する。
e. 造影X線CTでは高浸透圧性の造影剤を使用する。
1. a,b,c 2. a,b,e 3. a,d,e 4. b,c,d 5. c,d,e

問題 62 DSAで正しいのはどれか。
a. 体動による画像への影響がない。
b. 経静脈性DSAは造影剤の使用量低減に有用である。
c. 経動脈性DSAはIVRの検査時間短縮に有用である。
d. フィルム方式に比べフィルム枚数を減少させるのに有用である。
e. フィルム方式に比べ空間分解能に優れている。
1. a,b 2. a,e 3. b,c 4. c,d 5. d,e

問題 63 経カテーテル動脈塞栓術の適応となるのはどれか。
a. 肝細胞癌
b. 動静脈奇形
c. 大動脈解離
d. 冠動脈狭搾
e. 脾機能亢進症
1. a,b,c 2. a,b,e 3. a,d,e 4. b,c,d 5. c,d,e

問題 64 X線検査と指標との組合わせで適切でないのはどれか。
1. 頭部X線CT --- 眼窩耳孔線
2. 胸部X線CT --- 剣状突起下縁
3. 骨盤X線CT --- 恥骨結合上縁
4. 腰椎撮影 --- 肋骨弓下縁
5. 骨盤撮影 --- 坐骨棘

問題 65 X線CTで関係のある組合わせはどれか。
a. 経動脈性門脈CT --- 血管造影
b. 骨塩定量CT --- 腰椎の海綿骨
c. 膀胱造影CT --- ガストログラフィン
d. 脊髄腔造影CT --- CBF(cerebral blood flow)測定
e. Xe-CT --- ボリウムレンダリング
1. a,b 2. a,e 3. b,c 4. c,d 5. d,e

問題 66 頭部X線CTでアーチファクトが出やすい部位はどれか。
a. 前頭葉
b. 側頭葉
c. 中脳
d. 小脳
e. 延髄
1. a,b 2. a,e 3. b,c 4. c,d 5. d,e

問題 67 ダイナミックCTで正しいのはどれか。
1. 点滴静注法を用いる。
2. 時間濃度曲線を作成できる。
3. 撮影部位の被曝線量を軽減できる。
4. 新生血管に富む腫瘍は状脈相で強く濃染される。
5. び慢性肺疾患の診断に用いる。

問題 68 MRIのスピンエコー法で誤っているのはどれか。
1. 最初に180度パルスが使われる。
2. 90度パルスは横磁化を作る。
3. 長いTRと長いTEとではT2強調画像となる。
4. 短いTRと短いTEとではT1強調画像となる。
5. 長いTRと短いTEとではプロトン密度強調画像となる。

問題 69 最も音速の大きい伝搬物質はどれか。
1. 空気
2. 水
3. 骨
4. 血液
5. 肝臓

問題 70 超音波検査で正しいのはどれか。
a. 肝臓の検査にAモード法を用いる。
b. 心臓の検査にMモード法を用いる。
c. 乳房の検査にBモード法を用いる。
d. 血流速度の計測にドップラー法を用いる。
e. 音響陰影は胆石の側方に発生する。
1. a,b,c 2. a,b,e 3. a,d,e 4. b,c,d 5. c,d,e

放射線計測学、最初に戻る 

問題 71 生成電荷量の直接測定に基づく線量計はどれか。
1. フリッケ線量計
2. ポケット線量計
3. 熱ルミネセンス線量計
4. フィルムバッジ線量計
5. ガラス線量計

問題 72 100keVのX線が鉛に入射したときの相互作用で最も確率が高いのはどれか。
1. 光電効果
2. コンプトン効果
3. 電子対生成
4. 光核反応
5. チェレンコフ効果

問題 73 TLD素子として用いないのはどれか。
1. LiF
2. GaAs
3. CaF2(Mn)
4. CaSO4(Tm)
5. Mg2SiO4(Tb)

問題 74 正しい組合せはどれか。
1. ポケット線量計 --- アニーリング
2. 半導体検出器 --- 空乏層
3. 比例計数管 --- フェーディング
4. シンチレーション検出器 --- 潜像
5. GM計数管 --- プレドーズ

問題 75 単位で誤っているのはどれか。
a. エネルギーフルエンス:J・m-2
b. 照射線量:C・kg-1
c. 吸収線量:J・kg
d. カーマ:J・s-1
e. 放射能:s-1
1. a,b 2. a,e 3. b,c 4. c,d 5. d,e
  
問題 76 図はα線について気体イオン化検出器の印加電圧と計数率との関係を示している。GM計数領域はどれか。



1. I
2. II
3. III
4. IV
5. V
  







問題 77 高エネルギーX線の吸収線量の測定で誤っているのはどれか。
1. 大気の温度補正が必要である。
2. コバルト校正定数が必要である。
3. ファントムの温度を考慮する。
4. 照射野より大きいファントムを用いる。
5. 電子フルエンス計数を考慮する。

問題 78 シャロー形電離箱で誤っているのはどれか。
1. ステム効果がある。
2. 平行平板形電離箱である。
3. 実効中心は空洞の中心である。
4. イオン再結合補正が必要である。
5. リファレンス線量計として用いる。

問題 79 電離箱線量計による電子線の吸収線量測定で誤っているのはどれか。
a. コバルト校正定数が必要である。
b. 吸収線量変換係数は深さに依存する。
c. 電離量半価深から平均入射エネルギーが求められる。
d. 指頭形は極性効果を考慮する必要がある。
e. 校正深は平均入射エネルギーが5MeVと10MeVとでは同じである。
1. a,b 2. a,e 3. b,c 4. c,d 5. d,e

問題 80 中性子線の測定に用いるシンチレータはどれか。
1. NaI(Tl)
2. CsI(Tl)
3. BGO
4. LiI(Eu)
5. ZnS(Ag)

問題 81 液体シンチレーションカウンタに関係ないのはどれか。
1. フェーディング
2. 同時計数回路
3. 光電子増倍管
4. クエンチング
5. 外部標準線原法

問題 82 ウエル形NaI(Tl)シンチレーションカウンタで誤っているのはどれか。
1. γ線の測定に用いる。
2. NaI(Tl)は潮解性がある。
3. 幾何学的検出効率が大きい。
4. 液体窒素で冷却する必要がある。
5. 試料容積が異なれば検出効率も異なる。
  
問題 83 ダイノードが10段、2次電子放出能4の光電子増倍管で増幅される倍率に最も近いのはどれか。
1. 10
2. 103
3. 104
4. 106
5. 108

問題 84 ポアソン分布で誤っているのはどれか。
1. 平均と分散とは等しい。
2. 平均が大きくなると左右非対称になる。
3. 確率変数の差はポアソン分布になる。
4. 確率変数は離散的な値のみとる。
5. 放射性同位元素の壊変はポアソン分布に従う。

問題 85 GM計数装置で、試料の係数値が10分間で35,000カウント、バックグラウンドが10分間で5,000カウントであった。正味の計数率は何cpmか。
1. 3,000±17.3
2. 3,000±20.0
3. 3,000±40.0
4. 3,000±54.8
5. 3,000±63.2

放射線管理学、最初に戻る

問題 86 診療放射線技師法で正しいのはどれか。
a. 医師の指示の下に放射性同位元素を人体内に刺入できる。
b. 散瞳薬を投与した者の眼底を撮影することができる。
c. 業務上知り得た患者情報についての守秘義務がある。
d. 照射録には照射方法を具体的かつ詳細に記載する必要がある。
e. 病院又は診療所以外の場所で百万電子ボルト以上のエネルギーをもつX線を照射できない。
1. a,b,c 2. a,b,e 3. a,d,e 4. b,c,d 5. c,d,e

問題 87 診療用高エネルギー放射線発生装置を備えるとき、届け出る必要がないのはどれか。
1. 病院又は診療所の名称及び所在地
2. 装置の制作者名
3. 設地工事開始時期
4. 放射線障害の防止に関する構造設備
5. 装置の型式及び台数

問題 88 放射線障害防止法で第4群に規定されている核種はどれか。
a. 14C
b. 51Cr
c. 59Fe
d. 125I
e. 201Tl
1. a,b,c 2. a,b,e 3. a,d,e 4. b,c,d 5. c,d,e

問題 89 放射線診療従事者の線量制限体系に対する考え方の順序で正しいのはどれか。
1. 防護の最適化→個人の線量限度→行為の正当化
2. 個人の線量限度→行為の正当化→防護の最適化
3. 行為の正当化→防護の最適化→個人の線量限度
4. 防護の最適化→行為の正当化→個人の線量限度
5. 行為の正当化→個人の線量限度→防護の最適化

問題 90 99mTcに対する鉛の半価層を1.4mmとした場合、線量を1/28にするための鉛厚は何mmか。
1. 2.8
2. 5.6
3. 8.4
4. 11.2
5. 14.0

問題 91 γ線源の取り扱いで正しいのはどれか。
a. 作業時間を短縮する。
b. 線源との距離をとる。
c. 管理区域から搬出できる表面密度限度は4Bq/cm2である。
d. 原子番号の低い物質で遮へいする。
e. 線源の近くで遮へいする。
1. a,b,c 2. a,b,e 3. a,d,e 4. b,c,d 5. c,d,e

問題 92 フィルムバッジで誤っているのはどれか。
1. γ線を測ることができる。
2. 線量・黒化度曲線を利用している。
3. 線質を求めることができる。
4. 測定できる線量の下限は1μSvである。
5. 着用していないときはバックグラウンドの低い場所に保管する。

問題 93 誤っている組合わせはどれか。
1. フィルムバッジ --- 個人の月間被爆線量測定
2. ポケット線量計 --- 緊急作業時の個人被曝線量測定
3. 電離箱サーベイメータ --- 居住区域の境界での空間線量率測定
4. ヒューマンカウンタ --- 体内被曝線量の測定
5. キュリーメータ --- 床の表面汚染密度の測定

問題 94 非密封放射性同位元素の除染作業で正しいのはどれか。
a. 高レベルから低レベルの順に行う。 
b. 汚染区域の外側から中心へ向けて行う。 
c. 短半減期の場合は減衰法を用いる。 
d. 汚染区域に人が立ち入らないための措置を行う。 
e. 汚染箇所をドライヤーで乾燥させる。 >
1. a,b,c 2. a,b,e 3. a,d,e 4. b,c,d 5. c,d,e

問題 95 放射線障害防止法における放射線業務従事者の健康診断で正しいのはどれか。 
a. 初めて管理区域に立ち入る前に行う。 
b. 放射性同位元素を誤って吸入したときは遅滞なく行う。 
c. 放射性同位元素が手指に付着したときは遅滞なく行う。 
d. 血液検査には血小板数の測定が含まれる。 >
e. 所定の健康診断票を作成し、2年間保存する。 
  1. a,b 2. a,e 3. b,c 4. c,d 5. d,e


午前の最初に戻る、 午後の最初に戻る

SUZUKI's HOME PAGE