Facility
Cell Processing Center (Bld. No.3, B1F)
The purpose of the Cell Processing Center (CPC) facility of the International Center for Cell and Gene therapy at Fujita Health University is to support and promote the discovery of concepts related to regenerative medicine for bridging from the provision of advanced medical care to basic and clinical research, targeting universities, related organizations, and companies.
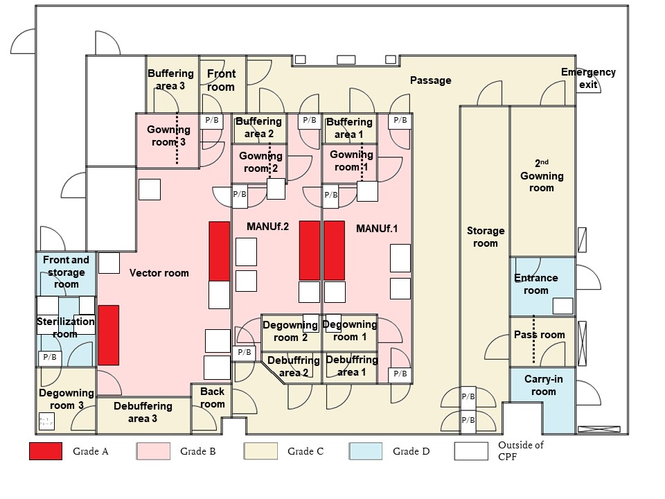
The CPC of the International Center for Cell and Gene therapy includes the positive pressure cell processing facility (P-CPF) and the negative pressure CPF (N-CPF), which are independent of each other. The P-CPF consists of two manufacturing rooms and the N- CPF consists of three manufacturing rooms, which can be used according to the project.
Fujita Health University includes a negative pressure room, called the vector room, which is the only room equipped with facilities that can concentrate viral vectors among all the universities in Japan.
P-CPF
N-CPF
-
Manufacturing room
-
Appearance from P-CPF(front) to N-CPF(back)
-
Vector room
-
N-CPF
International Center for Cell and Gene Therapy (Bld. No.4, 6F)
The International Center for Regenerative Medicine is located on the 6th floor of Building 4, and is conducting research by introducing equipment necessary for research on regenerative medicine, especially CAR-T therapy.
• KEYENCE Fluorescence Microscope • Biospectrometer Fluorescence • Flow cytometer (in safety cabinet) • Chemical Fluorescence Illuminator • -80℃ freezer etc. can be used. Please contact Director Takahashi or Mihara if you wish to use one of these devices.

